GM Service Manual Online
For 1990-2009 cars only
Figure 1:

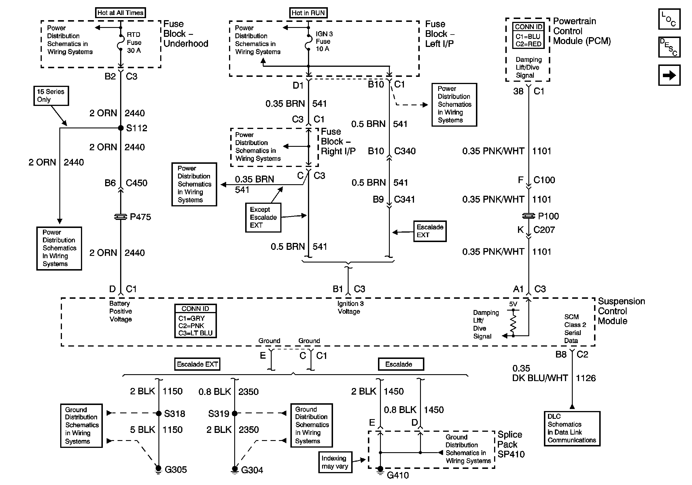
Power, Ground, Data Link Connector (DLC)


Object Number: 744461  Size: FS
Master Electrical Component List
Real Time Damping Description and Operation
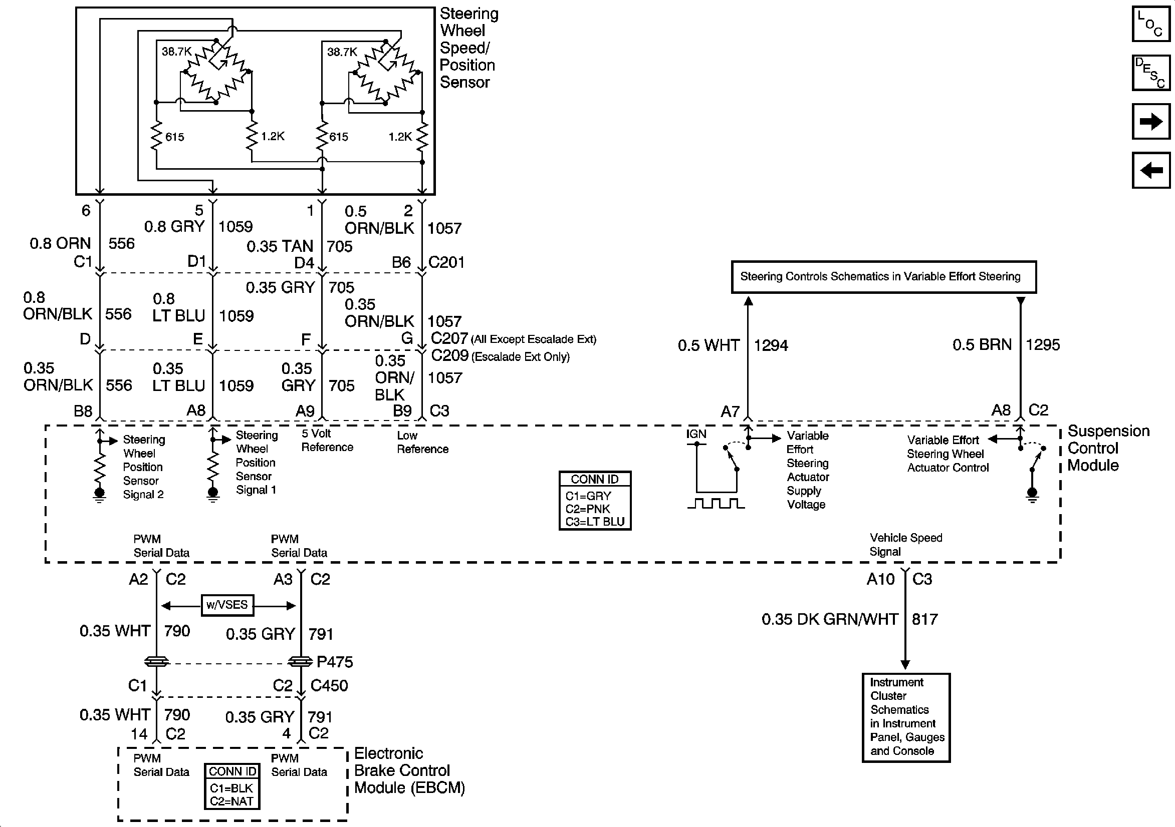
Steering Wheel Speed/Position Sensor, EVO Solenoid Inputs and Vehicle Speed Signal
RTD, RDO AMP, CRANK, and IGN 0 Fuses
IGN 3 Fuse
Splice Pack SP205
IGN 3 Fuse
IGN 3 Fuse
RTD, RDO AMP, CRANK, and IGN 0 Fuses
G305
G304
G410 2 of 2
IGN 3 Fuse
Figure 2:

Steering Wheel Speed/Position Sensor, EVO Solenoid Inputs and Vehicle Speed Signal


Object Number: 744463  Size: FS
Master Electrical Component List
Real Time Damping Description and Operation
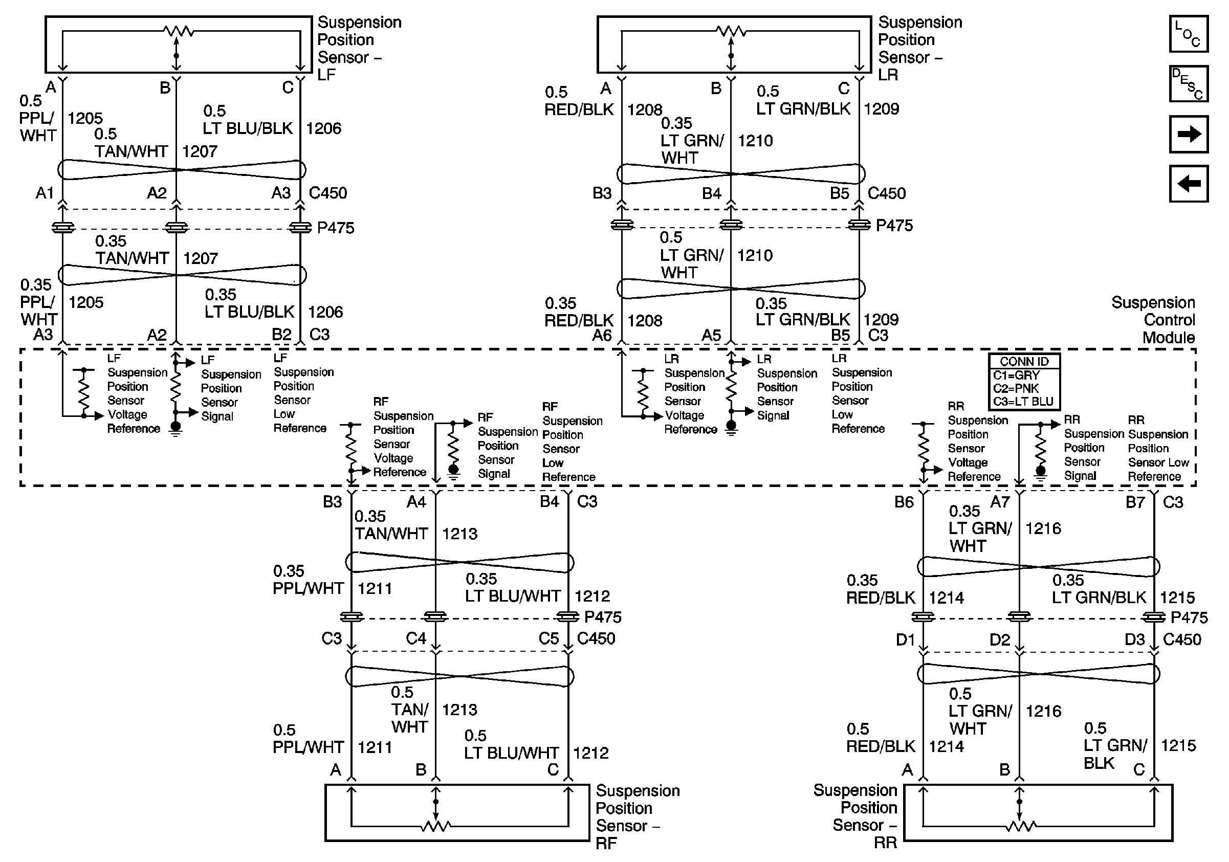
Suspension Position Sensors
Power, Ground, Data Link Connector (DLC)
w/ RTD
Gages, VSS, and Engine Oil Signals
Figure 3:

Suspension Position Sensors


Object Number: 744464  Size: FS
Master Electrical Component List
Real Time Damping Description and Operation
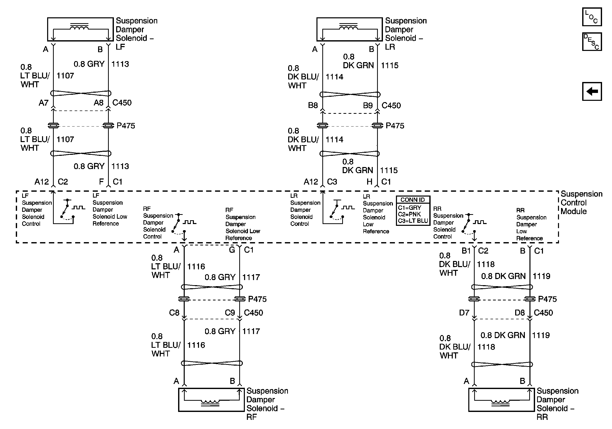
Suspension Damper Solenoids
Steering Wheel Speed/Position Sensor, EVO Solenoid Inputs and Vehicle Speed Signal
Figure 4:

Suspension Damper Solenoids


Object Number: 789076  Size: FS
Master Electrical Component List
Real Time Damping Description and Operation
Suspension Position Sensors