GM Service Manual Online
For 1990-2009 cars only
Makes
🢒
Chevrolet
🢒
2002
🢒
Tahoe - 2WD
🢒
Transmission/Transaxle
🢒
Automatic Transmission - 4L60-E
🢒 Automatic Transmission Controls Schematics
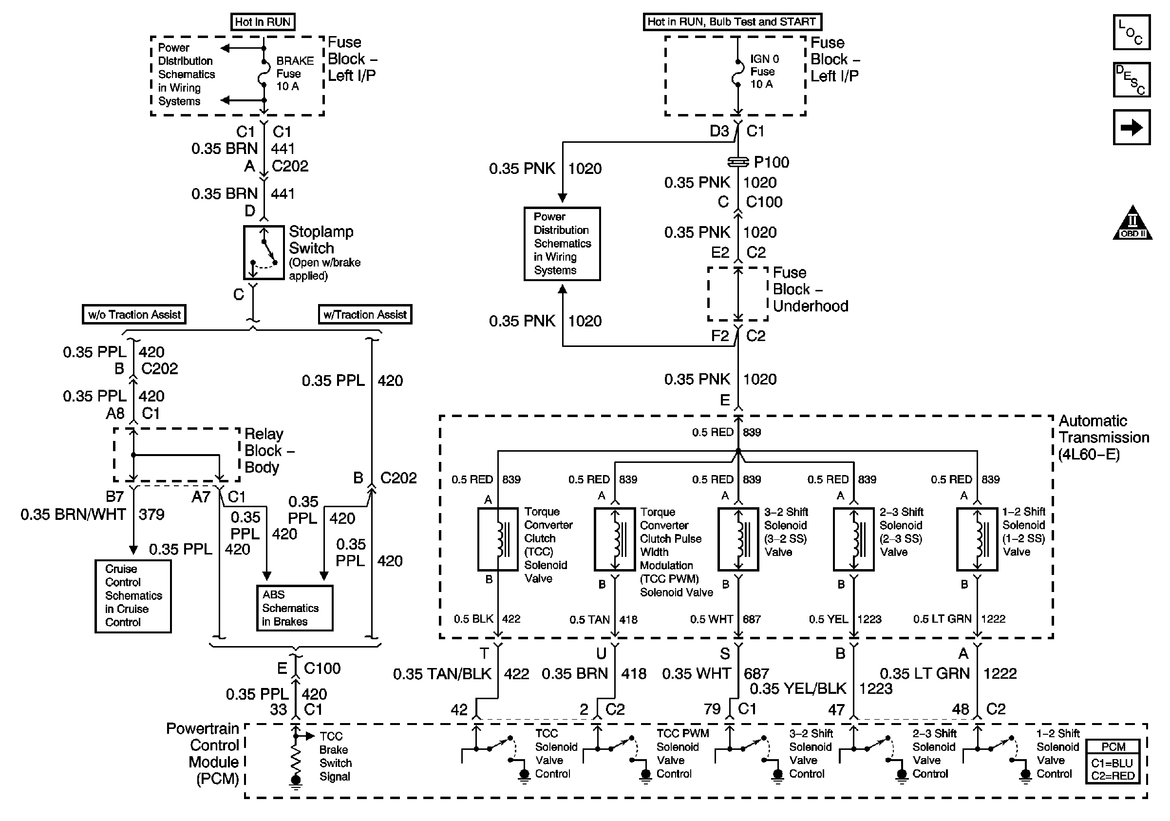
Figure
1:
Valve Controls and Brake Switch
Master Electrical Component List
Electronic Component Description
Switch Inputs
Automatic Transmission Schematic Icons
Stop Lamp Switch Inputs and Vehicle Speed Signal (w/o ETC)
BRAKE, CRUISE, HTR A/C, RR WPR, WS WPR, and SEO ACCY Fuses
RTD, RDO AMP, CRANK, and IGN 0 Fuses
Power, Ground, Class 2 Communication - w/o Traction Assist
Figure
2:
Switch Inputs
Master Electrical Component List
Electronic Component Description
Tow/Haul Switch and PNP Switch Inputs
Valve Controls and Brake Switch
Automatic Transmission Schematic Icons
Engine Data Sensors - Electronic Throttle Controls, TAC Motor and TP Sensor
Figure
3:
Tow/Haul Switch and PNP Switch Inputs
Master Electrical Component List
Electronic Component Description
Vehicle Speed Signal and 4WD Low Signal
Switch Inputs
Automatic Transmission Schematic Icons
Splice Pack SP205
G203 - 3 of 4
G203 - 3 of 4
G203 - 1 of 4
G103, G105, and G106
Figure
4:
Vehicle Speed Signal and 4WD Low Signal
Master Electrical Component List
Electronic Component Description
Tow/Haul Switch and PNP Switch Inputs
Automatic Transmission Schematic Icons