GM Service Manual Online
For 1990-2009 cars only
Makes
🢒
Chevrolet
🢒
2002
🢒
Tahoe - 2WD
🢒
Body and Accessories
🢒
Data Link Communications
🢒 Data Link Connector Schematics
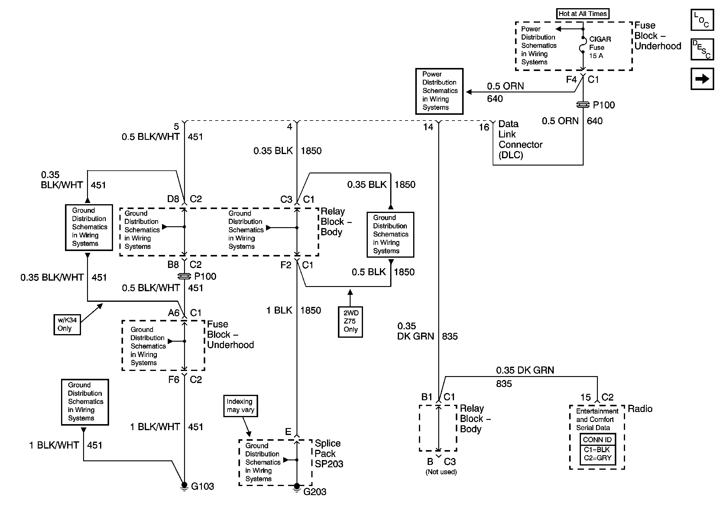
Figure
1:
Power, Ground
Master Electrical Component List
Data Link Communications Description and Operation
Splice Pack SP205
AIR, RADIO, ECM B, FRT HVAC, and CIGAR Fuses
AIR, RADIO, ECM B, FRT HVAC, and CIGAR Fuses
G103, G105, and G106
G103, G105, and G106
G203 - 3 of 4
G203 - 3 of 4
G103, G105, and G106
G103, G105, and G106
G203 - 1 of 4
Figure
2:
Splice Pack SP205
Master Electrical Component List
Data Link Communications Description and Operation
Power, Ground
Data Link Communications Schematic Icons