GM Service Manual Online
For 1990-2009 cars only
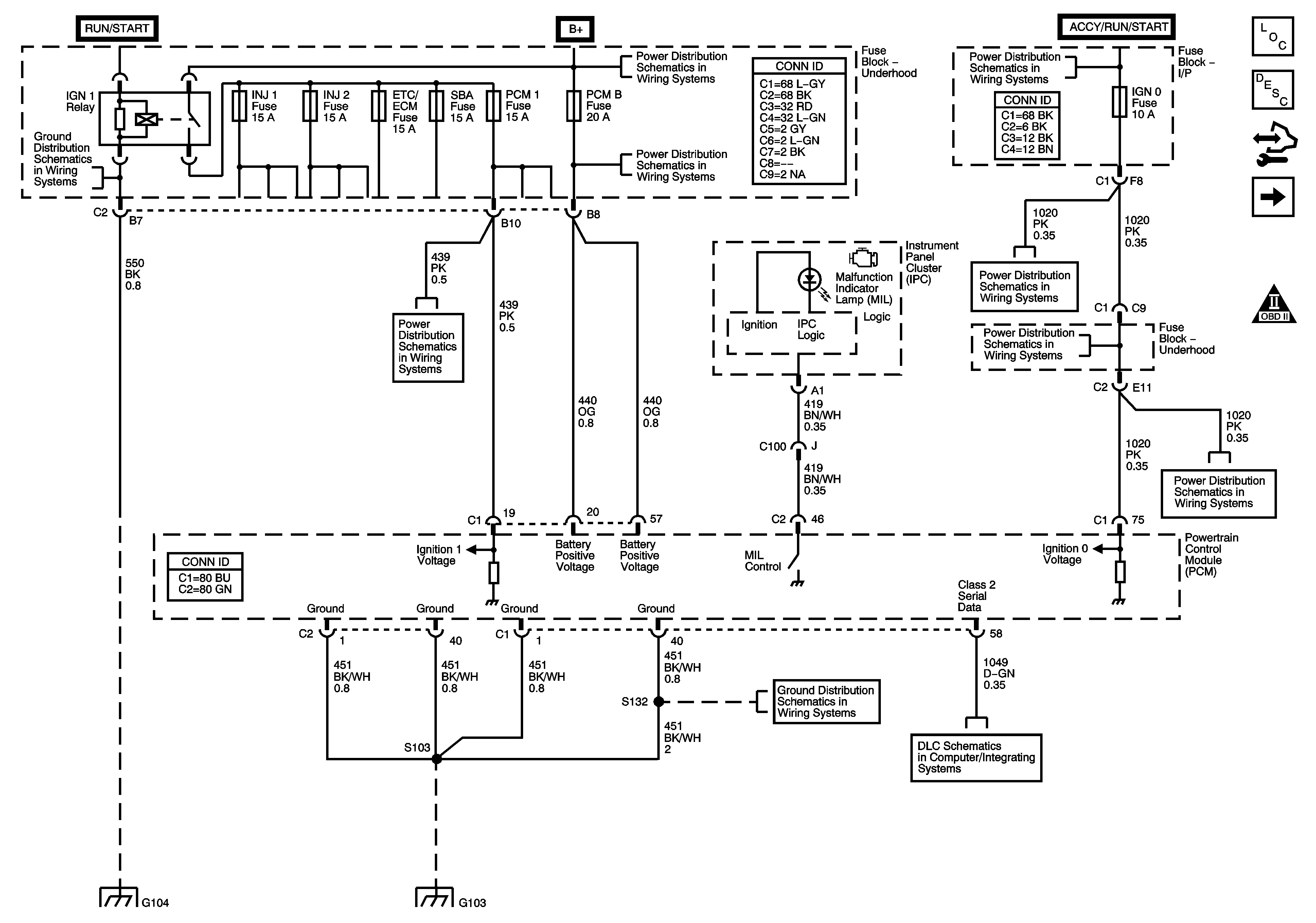
Figure 1:

Modular Power, Ground, Serial Data, and MIL


Object Number: 1575728  Size: FS
Master Electrical Component List
Powertrain Control Module Description
Control Module References
Engine Data Sensors - 5-Volt and Low Reference
Engine Controls Schematic Icons
G104 and G107
IGN 1 Relay Bus 1 of 2 ETC/ECM, PCM 1, and SBA Fuses; INJ 1 and INJ 2 Fuses - except L18
B+ Bus - 1 of 2
AUX PWR, AUX PWR 2, DDM, ECC, LBEC 2, LOCKS, PCM B, and PDM Fuses
Ignition Switch - ACCY/RUN/START, RUN, and START Busses, IGN A and CRANK Fuses
IGN 0, RR WPR, SEO ACCY, TBC ACCY, TBC IGN 0, and WS WPR Fuses
IGN 0, RR WPR, SEO ACCY, TBC ACCY, TBC IGN 0, and WS WPR Fuses
IGN 0, RR WPR, SEO ACCY, TBC ACCY, TBC IGN 0, and WS WPR Fuses
Power, Ground, DLC and Splice Pack SP205
G102 and G103
G102 and G103
G104 and G107
Figure 2:

Engine Data Sensors - 5-Volt and Low Reference


Object Number: 1576204  Size: FS
Master Electrical Component List
Powertrain Control Module Description
Control Module References
Engine Data Sensors - Pressure, Temperature, MAF, and VSS
Modular Power, Ground, Serial Data, and MIL
Engine Controls Schematic Icons
Figure 3:

Engine Data Sensors - Pressure, Temperature, MAF, and VSS


Object Number: 1575731  Size: FS
Master Electrical Component List
Powertrain Control Module Description
Control Module References
Engine Data Sensors - Oxygen Sensors
Engine Data Sensors - 5-Volt and Low Reference
Engine Controls Schematic Icons
Pressure Controls, Temperature, and VSS
IGN 1 Relay Bus 1 of 2 ETC/ECM, PCM 1, and SBA Fuses; INJ 1 and INJ 2 Fuses - except L18
Gages
Modular Power, Ground, Serial Data, and MIL
IGN 1 Relay Bus 1 of 2 ETC/ECM, PCM 1, and SBA Fuses; INJ 1 and INJ 2 Fuses - except L18
G102 and G103
Figure 4:

Engine Data Sensors - Oxygen Sensors


Object Number: 1576208  Size: FS
Master Electrical Component List
Powertrain Control Module Description
Control Module References
Engine Data Sensors - Electronic Throttle Control
Engine Data Sensors - Pressure, Temperature, MAF, and VSS
Engine Controls Schematic Icons
Ignition Switch - ACCY/RUN, and RUN/START Busses, and IGN B Fuses
G102 and G103
Figure 5:

Engine Data Sensors - Electronic Throttle Control


Object Number: 1576213  Size: FS
Master Electrical Component List
Powertrain Control Module Description
Control Module References
Ignition Controls - Ignition System Coils 1, 3, 5, and 7
Engine Data Sensors - Oxygen Sensors
Engine Controls Schematic Icons
Modular Power, Ground, Serial Data, and MIL
Power, Cruise Control Switch, and Stop Lamp Feed
Stop Lamps - 1 of 2
G104 and G107
Figure 6:

Ignition Controls - Ignition System Coils 1, 3, 5, and 7


Object Number: 1576209  Size: FS
Master Electrical Component List
Powertrain Control Module Description
Control Module References
Ignition Controls - Ignition System Coils 2, 4, 6, and 8
Engine Data Sensors - Electronic Throttle Control
Engine Controls Schematic Icons
Modular Power, Ground, Serial Data, and MIL
IGN 1 Relay Bus 1 of 2 ETC/ECM, PCM 1, and SBA Fuses; INJ 1 and INJ 2 Fuses - except L18
G102 and G103
Figure 7:

Ignition Controls - Ignition System Coils 2, 4, 6, and 8


Object Number: 1576214  Size: FS
Master Electrical Component List
Powertrain Control Module Description
Control Module References
Ignition Controls - Sensors
Ignition Controls - Ignition System Coils 1, 3, 5, and 7
Engine Controls Schematic Icons
Modular Power, Ground, Serial Data, and MIL
IGN 1 Relay Bus 1 of 2 ETC/ECM, PCM 1, and SBA Fuses; INJ 1 and INJ 2 Fuses - except L18
G102 and G103
Figure 8:

Ignition Controls - Sensors


Object Number: 1576216  Size: FS
Master Electrical Component List
Powertrain Control Module Description
Control Module References
Fuel Controls - Fuel Pump Controls
Ignition Controls - Ignition System Coils 2, 4, 6, and 8
Engine Controls Schematic Icons
Gages
Figure 9:

Fuel Controls - Fuel Pump Controls


Object Number: 1576217  Size: FS
Master Electrical Component List
Powertrain Control Module Description
Control Module References
Fuel Controls - Fuel Injectors
Ignition Controls - Sensors
Engine Controls Schematic Icons
G104 and G107
B+ Bus - 1 of 2
AUX PWR, AUX PWR 2, DDM, ECC, LBEC 2, LOCKS, PCM B, and PDM Fuses
Modular Power, Ground, Serial Data, and MIL
Gages
G104 and G107
G101 and G110
Figure 10:

Fuel Controls - Fuel Injectors


Object Number: 1576218  Size: FS
Master Electrical Component List
Powertrain Control Module Description
Control Module References
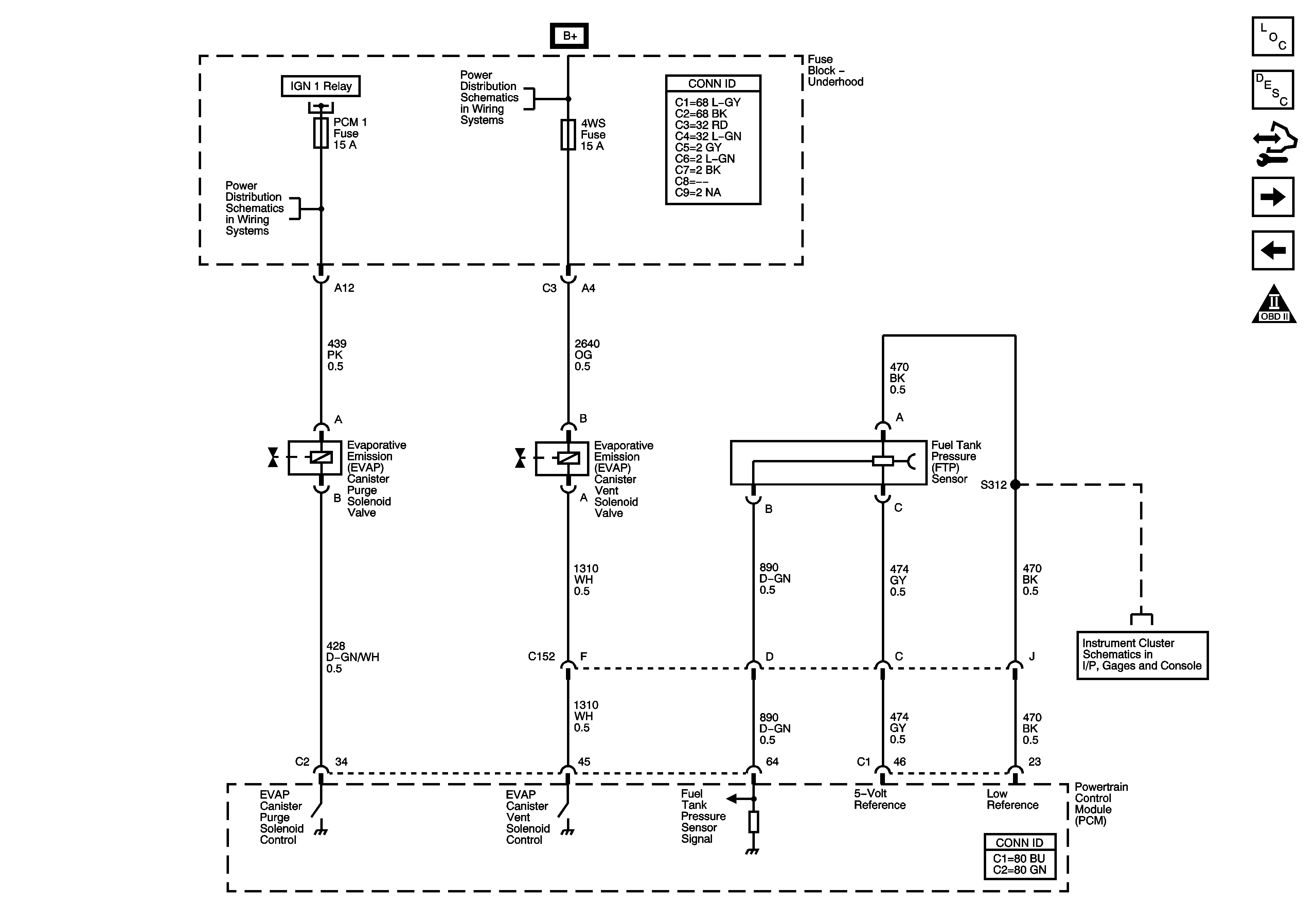
Fuel Controls - EVAP Controls
Fuel Controls - Fuel Pump Controls
Engine Controls Schematic Icons
Modular Power, Ground, Serial Data, and MIL
IGN 1 Relay Bus 1 of 2 ETC/ECM, PCM 1, and SBA Fuses; INJ 1 and INJ 2 Fuses - except L18
Figure 11:

Fuel Controls - EVAP Controls


Object Number: 1575744  Size: FS
Master Electrical Component List
Powertrain Control Module Description
Control Module References
Transmission and Controlled/Monitored Subsystem References
Fuel Controls - Fuel Injectors
Engine Controls Schematic Icons
Modular Power, Ground, Serial Data, and MIL
IGN 1 Relay Bus 1 of 2 ETC/ECM, PCM 1, and SBA Fuses; INJ 1 and INJ 2 Fuses - except L18
B+ Bus - 1 of 2
Gages
Figure 12:

Transmission and Controlled/Monitored Subsystem References


Object Number: 1575746  Size: FS
Master Electrical Component List
Powertrain Control Module Description
Control Module References
Fuel Controls - EVAP Controls
Engine Controls Schematic Icons
Power, Ground, Serial Data, and Stop Lamp Switch - w/ JL4
Stop Lamp Switch and Traction Control Switch - w/o JL4
Starting
Driver Information Center
Shift Motor and Encoder Circuits
Charging - 2500 Series
Power, Ground, Serial Data, and Wheel Speed Sensors - w/o JL4
Steering Wheel Speed/Position Sensor Inputs - w/ JL4
Power, Ground, and Serial Data
A/C Compressor Controls
A/C Compressor Controls
Gages
Power, Ground, Serial Data, and Stop Lamp Switch - w/ JL4
Engine Coolant Level Switch - 2500 Series
Shift Controls and Stop Lamp Switch
Pressure Controls, Temperature, and VSS
Pressure Controls, Temperature, and VSS
PNP Switch, 4WD Signal, Tow/Haul, Serial Data, and Indicator
Pressure Controls, Temperature, and VSS