GM Service Manual Online
For 1990-2009 cars only
Makes
🢒
Chevrolet
🢒
2006
🢒
Tahoe - 2WD
🢒
Vehicle Control Systems
🢒
Vehicle DTC Information
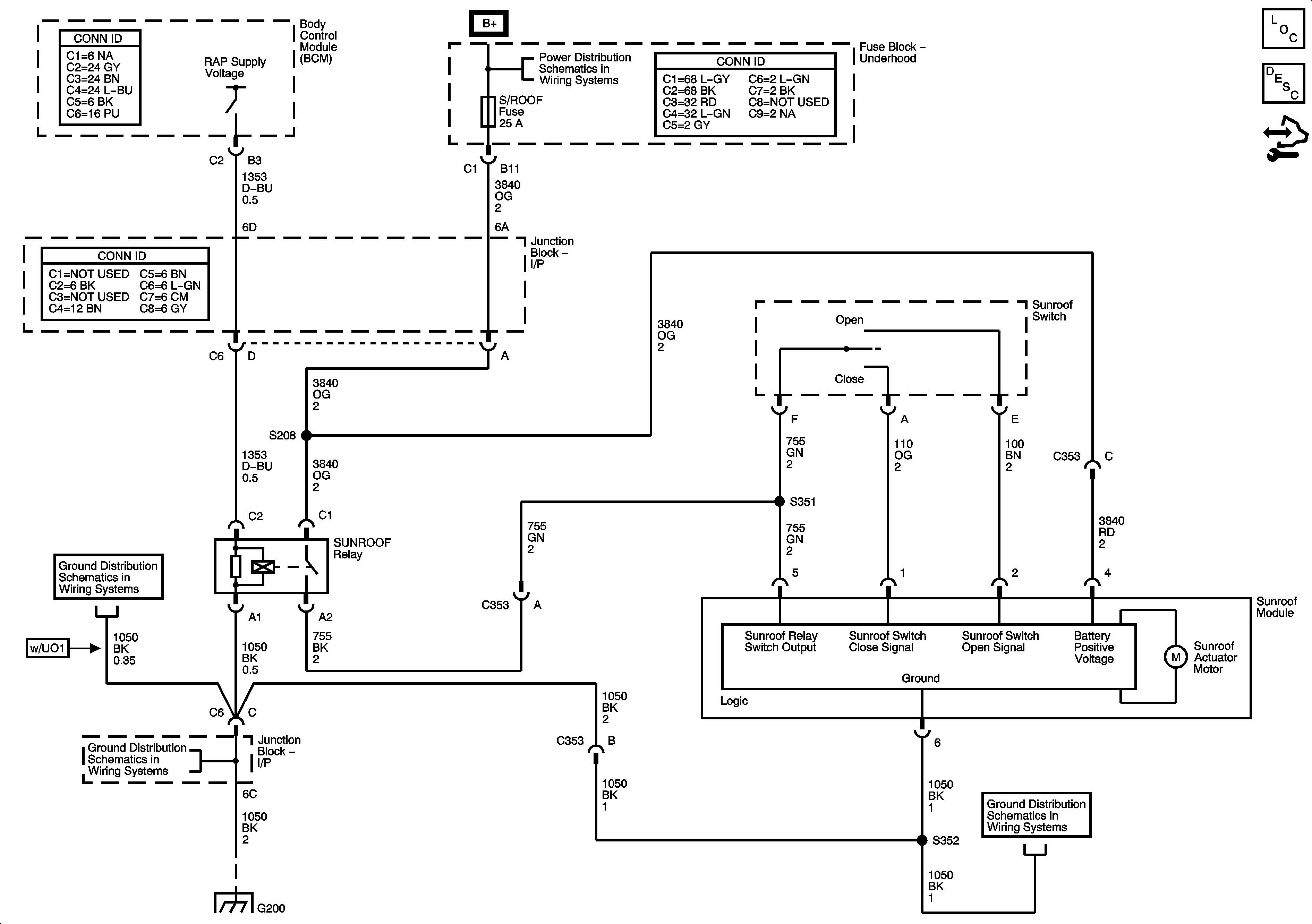
🢒 Sunroof Schematics
Master Electrical Component List
Sunroof Description and Operation
Control Module References
RADIO, RADIO AMP, and S/ROOF Fuses
G200 1 of 3
G200 1 of 3
G200 1 of 3
G200 1 of 3