GM Service Manual Online
For 1990-2009 cars only
Figure 1:

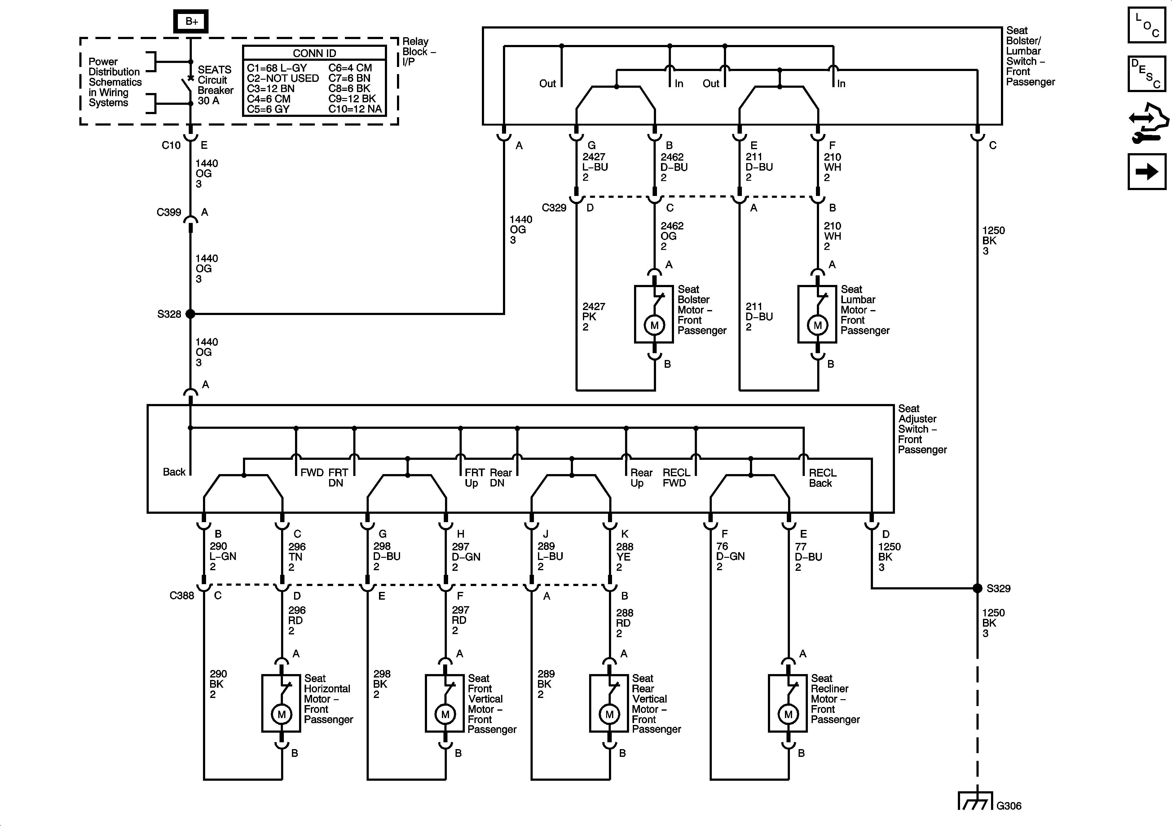
Front Seat Controls (AN3)


Object Number: 1608420  Size: FS
Master Electrical Component List
Lumbar Support Description and Operation
Control Module References
Heated Seat Controls - Front Passenger
ABS, MBEC 1, RTD, STUD 2, VSES/ECAS Fuses; RT DOORS, and SEATS Circuit Breakers
G306
Figure 2:

Heated Seat Controls - Front - Except ULT


Object Number: 1608421  Size: FS
Master Electrical Component List
Heated Seats Description and Operation (Front)
Control Module References
Front Passenger Heated Seat Elements
Front Passenger Seat Controls - AN3
Power, Ground, DLC and Splice Pack SP205
DLC SP206
Figure 3:

Front Heated Seat Elements - Except ULT


Object Number: 1608422  Size: FS
Master Electrical Component List
Heated Seats Description and Operation (Front)
Control Module References
Heat Controls - 1 of 4 - AN3 w/ ULT
Heated Seat Controls - Front Passenger
Seat Position Sensors - 2 of 2
Heated Seat Controls - Driver
Memory Seat Module
Figure 4:

Heat Controls (AN3 w/ULT) 1 of 4


Object Number: 1608423  Size: FS
Master Electrical Component List
Heated/Cooled Seats Description and Operation
Control Module References
Heat Controls - 2 of 4 - AN3 w/ ULT
Front Passenger Heated Seat Elements
IGN 3 Fuse - 2 of 2 ULT
IGN 3 Fuse - 1 of 2
Ignition Switch - ACCY/RUN/START, RUN, and START Busses, IGN A and CRANK Fuses
B+ Bus - 2 of 2
G306
G306
Figure 5:

Heat Controls (AN3 w/ULT) 2 of 4


Object Number: 1608426  Size: FS
Master Electrical Component List
Heated/Cooled Seats Description and Operation
Control Module References
Heat Controls - 3 of 4 - AN3 w/ ULT
Heat Controls - 1 of 4 - AN3 w/ ULT
IGN 3 Fuse - 2 of 2 ULT
IGN 3 Fuse - 1 of 2
Ignition Switch - ACCY/RUN/START, RUN, and START Busses, IGN A and CRANK Fuses
IGN 3 Fuse - 2 of 2 ULT
G200 2 of 3
G200 2 of 3
Figure 6:

Heat Controls (AN3 w/ULT) 3 of 4


Object Number: 1608427  Size: FS
Master Electrical Component List
Heated/Cooled Seats Description and Operation
Control Module References
Heat Controls - 4 of 4 - AN3 w/ ULT
Heat Controls - 2 of 4 - AN3 w/ ULT
Heat Controls - 4 of 4 - AN3 w/ ULT
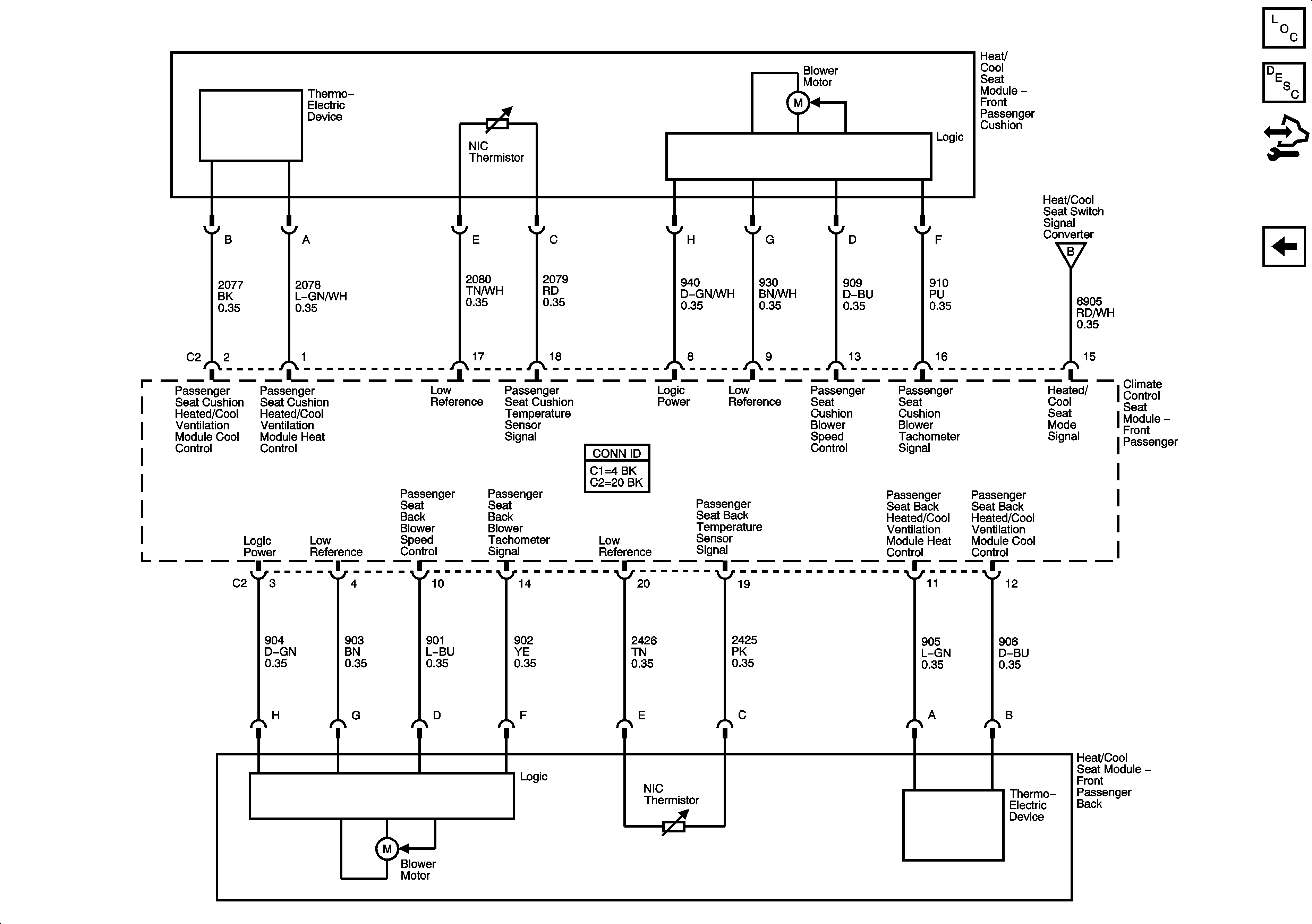
Figure 7:

Heat Controls (AN3 w/ULT) 4 of 4


Object Number: 1608428  Size: FS
Master Electrical Component List
Heated/Cooled Seats Description and Operation
Control Module References
Heat Controls - 3 of 4 - AN3 w/ ULT
Heat Controls - 3 of 4 - AN3 w/ ULT