GM Service Manual Online
For 1990-2009 cars only
Figure 1:

Park Lamp Relay - w/o VD1


Object Number: 1608249  Size: FS
Master Electrical Component List
Exterior Lighting Systems Description and Operation
Control Module References
Park Lamp Relay - w/ VD1
B+ Bus - 1 of 2
Headlights/DRL Controls
G203 2 of 3
Figure 2:

Park Lamp Relay - w/VD1


Object Number: 1608251  Size: FS
Master Electrical Component List
Exterior Lighting Systems Description and Operation
Control Module References
Front Park Lamps - w/o Z75/VD1
Park Lamp Relay - w/o VD1
B+ Bus - 1 of 2
Daytime Running Lamps (DRL) - w/ VD1
Headlights/DRL Controls
G203 2 of 3
Figure 3:

Front Park Lamps - w/o Z75


Object Number: 1608252  Size: FS
Master Electrical Component List
Exterior Lighting Systems Description and Operation
Control Module References
Front Park Lamps - w/ Z75
Park Lamp Relay - w/ VD1
Left Turn Signals - w/o VD1
LR PARK and RR PARK Fuses
Right Turn Signals - w/o VD1
G100, G105 2 of 4
G100, G105 1 of 4
G100, G105 1 of 4
Figure 4:

Front Park Lamps - Z75


Object Number: 1608254  Size: FS
Master Electrical Component List
Exterior Lighting Systems Description and Operation
Control Module References
Front Park Lamps - w/ VD1
Front Park Lamps - w/o Z75/VD1
Left Turn Signals - w/o VD1
LR PARK and RR PARK Fuses
Right Turn Signals - w/o VD1
G100, G105 2 of 4
G100, G105 1 of 4
G100, G105 1 of 4
Figure 5:

Front Park Lamps - w/VD1


Object Number: 1608255  Size: FS
Master Electrical Component List
Exterior Lighting Systems Description and Operation
Control Module References
Interior Park
Front Park Lamps - w/ Z75
Park Lamp Relay - w/o VD1
Daytime Running Lamps (DRL) - w/ VD1
Daytime Running Lamps (DRL) - w/ VD1
G100, G105 4 of 4
G100, G105 1 of 4
G100, G105 3 of 4
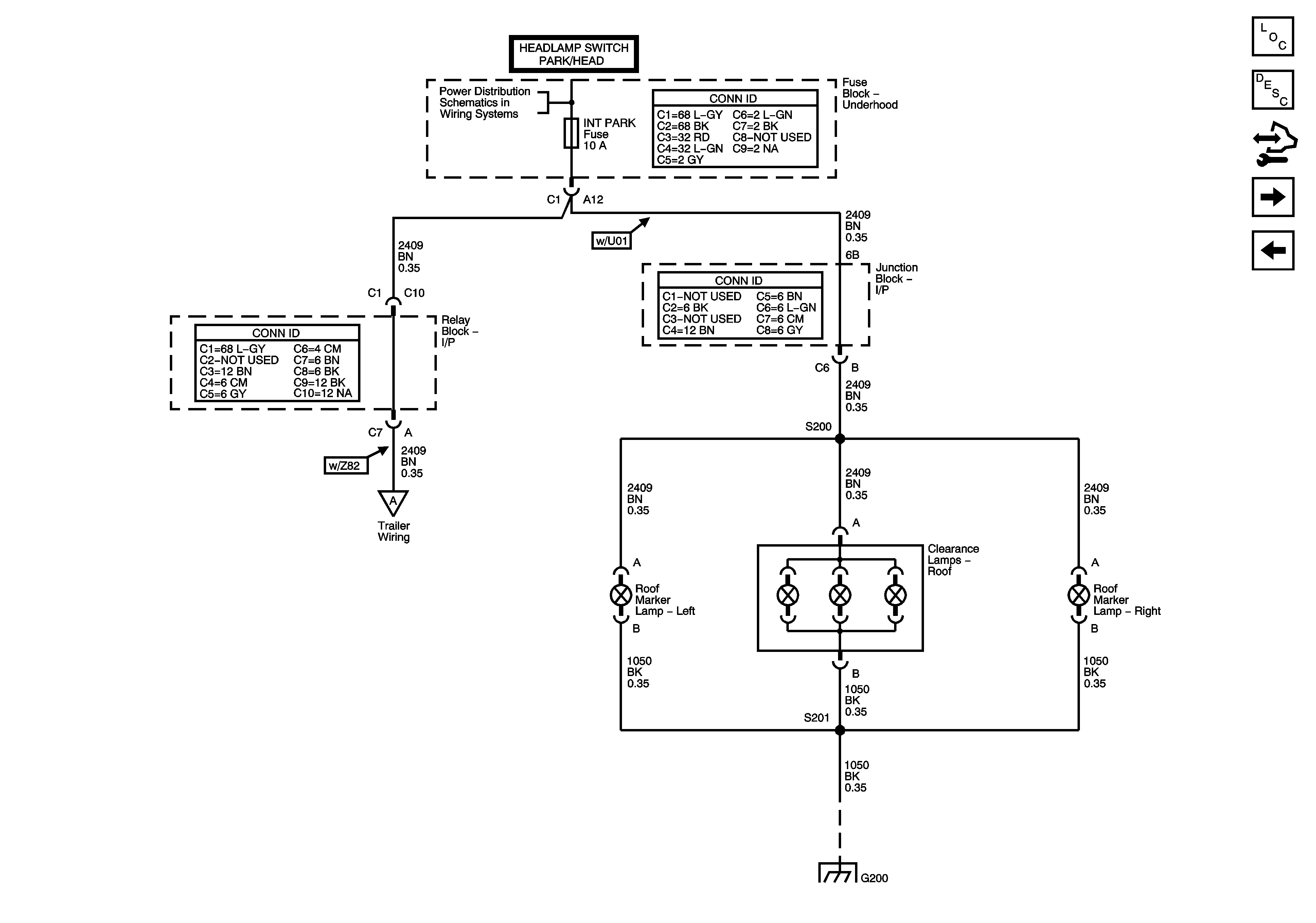
Figure 6:

Interior Park


Object Number: 1608257  Size: FS
Master Electrical Component List
Exterior Lighting Systems Description and Operation
Control Module References
Rear Park Lamps - w/o Z75
Front Park Lamps - w/ VD1
LR PARK and RR PARK Fuses
Trailer Wiring
G200 1 of 3
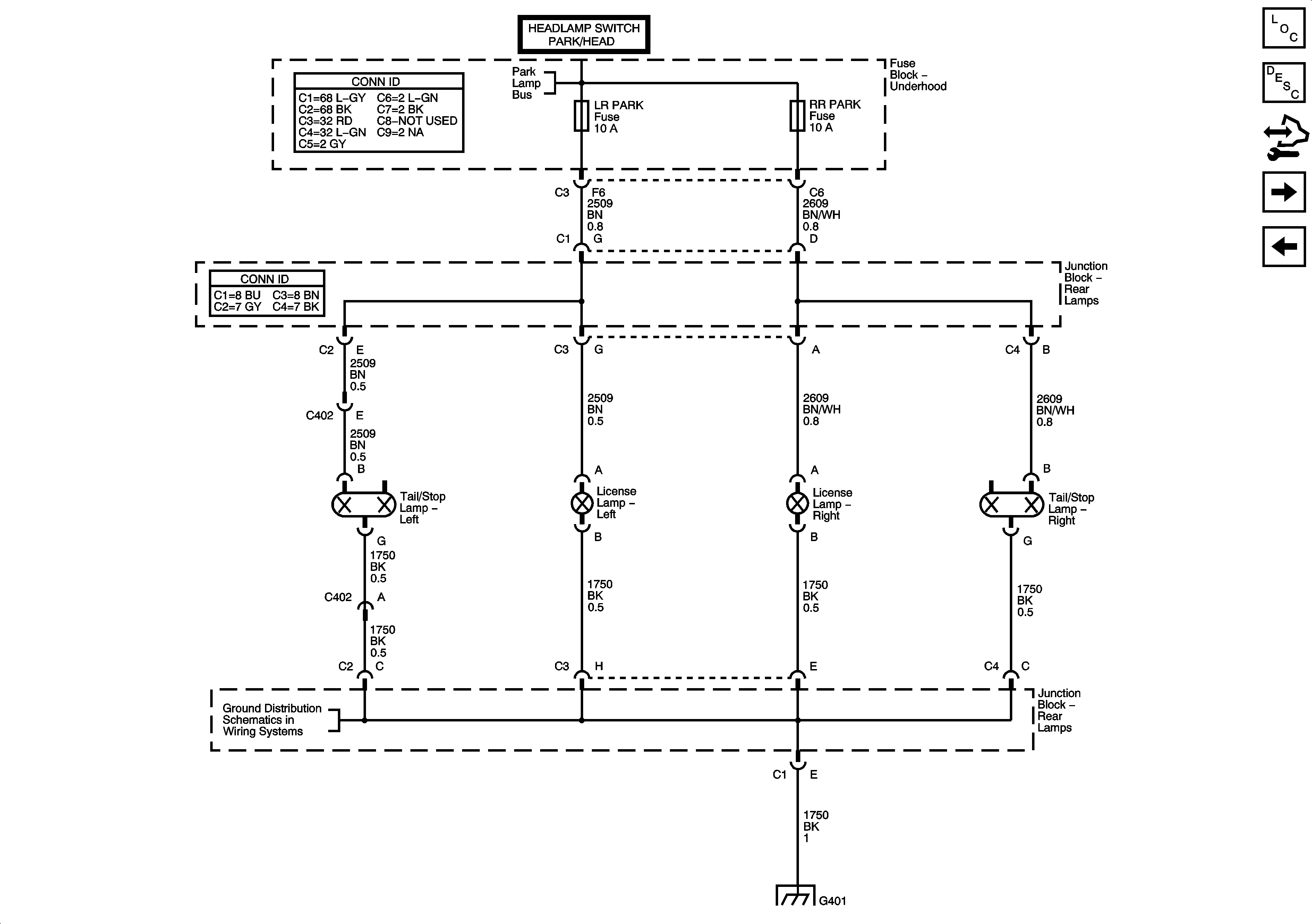
Figure 7:

Rear Park Lamps - w/o Z75


Object Number: 1608258  Size: FS
Master Electrical Component List
Exterior Lighting Systems Description and Operation
Control Module References
Rear Park Lamps - w/ Z75
Interior Park
LR PARK and RR PARK Fuses
G401 and G402
G401 and G402
Figure 8:

Rear Park - w/Z75


Object Number: 1608259  Size: FS
Master Electrical Component List
Exterior Lighting Systems Description and Operation
Control Module References
Stop Lamps - 1 of 2
Rear Park Lamps - w/o Z75
LR PARK and RR PARK Fuses
Right Turn Signals - w/o VD1
G401 and G402
Left Turn Signals - w/o VD1
G401 and G402
Figure 9:

Stop Lamps 1 of 2


Object Number: 1608263  Size: FS
Master Electrical Component List
Exterior Lighting Systems Description and Operation
Control Module References
Stop Lamps - 2 of 2
Rear Park Lamps - w/ Z75
B+ Bus - 1 of 2
Stop Lamps - 2 of 2
RR WPR, STOP LP, TREC, VEH CHMSL, VEH STOP, and 4WS Fuses
Trailer Wiring
G401 and G402
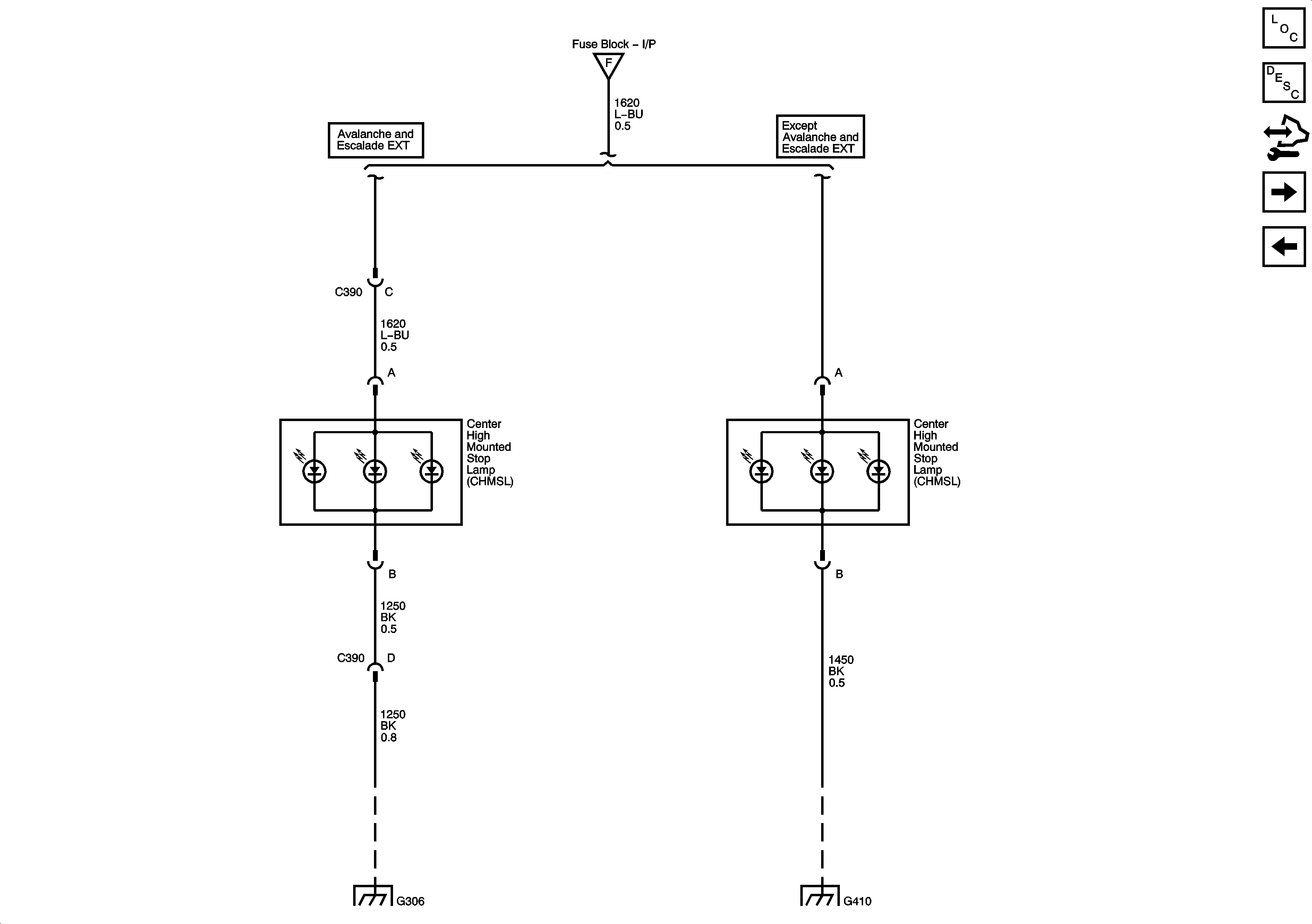
Figure 10:

Stop Lamps 2 of 2


Object Number: 1608264  Size: FS
Master Electrical Component List
Exterior Lighting Systems Description and Operation
Control Module References
Turn Signal Multi-Function Switch
Stop Lamps - 1 of 2
Stop Lamps - 1 of 2
G410 1 of 3
G306
Figure 11:

Turn Signal/Malfunction Switch


Object Number: 1608269  Size: FS
Master Electrical Component List
Exterior Lighting Systems Description and Operation
Control Module References
Left Turn Signals - w/o VD1
Stop Lamps - 2 of 2
Ignition Switch - ACCY/RUN, and RUN/START Busses, and IGN B Fuses
AIRBAG and IGN E Fuses
AIRBAG and IGN E Fuses
BLOWER, FLASH, HVAC/ECAS, LBEC 1, RR DEFOG, RR HVAC, TBC 2A, TBC 2B, and TBC 2C Fuses, and LT DOOR Breaker
G203 2 of 3
G203 2 of 3
G203 3 of 3
G203 2 of 3
G203 2 of 3
G203 1 of 3
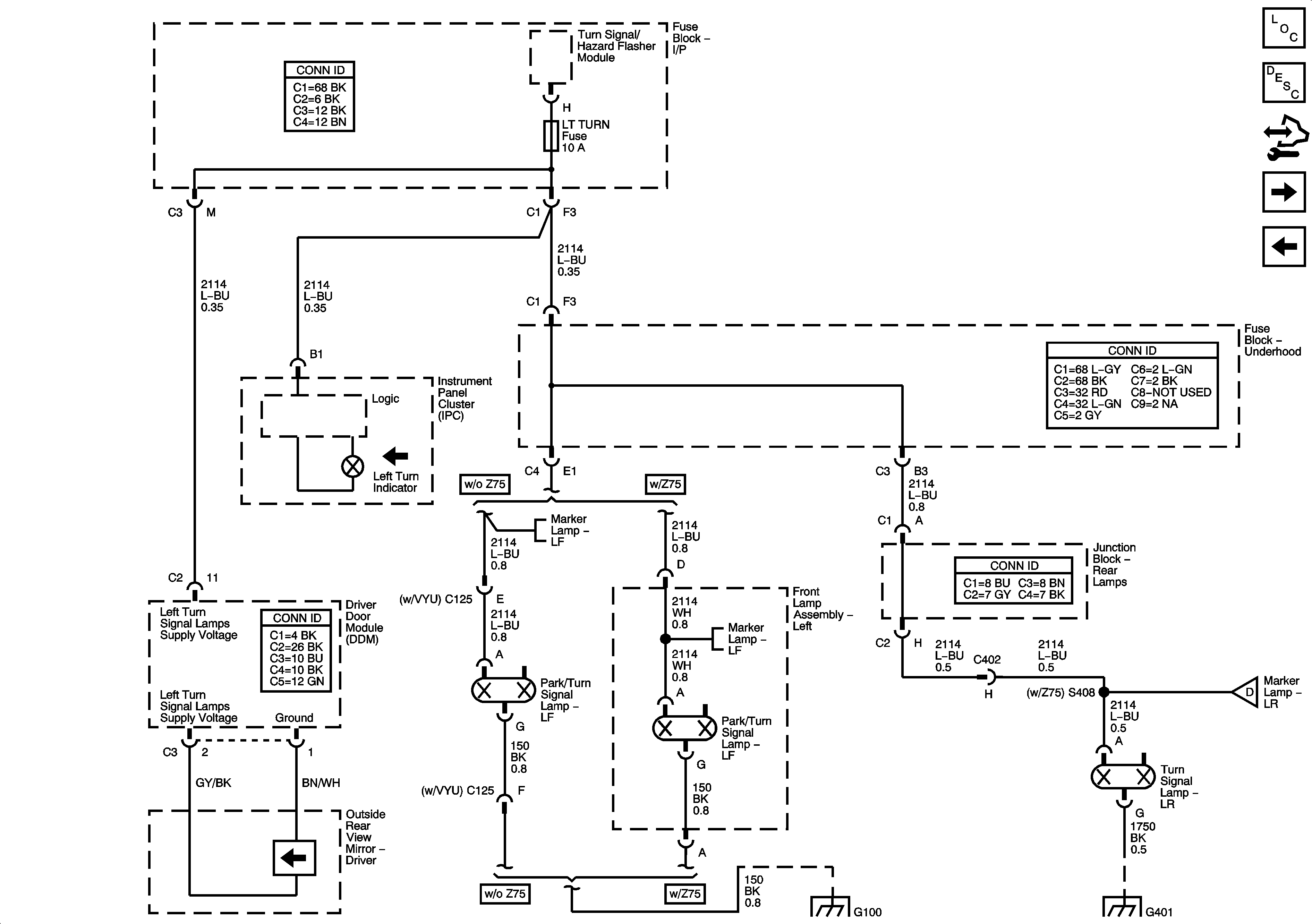
Figure 12:

Left Turn Signals - w/o VD1


Object Number: 1608270  Size: FS
Master Electrical Component List
Exterior Lighting Systems Description and Operation
Control Module References
Left Turn Signals - w/ VD1
Turn Signal Multi-Function Switch
Front Park Lamps - w/o Z75/VD1
Front Park Lamps - w/ Z75
Rear Park Lamps - w/ Z75
G401 and G402
G100, G105 1 of 4
Figure 13:

Left Turn Signals - w/VD1


Object Number: 1608272  Size: FS
Master Electrical Component List
Exterior Lighting Systems Description and Operation
Control Module References
Right Turn Signals - w/o VD1
Left Turn Signals - w/o VD1
G100, G105 3 of 4
G100, G105 3 of 4
G401 and G402
Figure 14:

Right Turn Signals - w/o VD1


Object Number: 1608274  Size: FS
Master Electrical Component List
Exterior Lighting Systems Description and Operation
Control Module References
Right Turn Signals - w/ VD1
Left Turn Signals - w/ VD1
Front Park Lamps - w/o Z75/VD1
Front Park Lamps - w/ Z75
Rear Park Lamps - w/ Z75
G401 and G402
G100, G105 2 of 4
Figure 15:

Right Turn Signals - w/VD1


Object Number: 1608275  Size: FS
Master Electrical Component List
Exterior Lighting Systems Description and Operation
Control Module References
Exterior Illumination Lamps
Right Turn Signals - w/o VD1
G100 and G105 - 4 of 4
G401 and G402
G100, G105 4 of 4
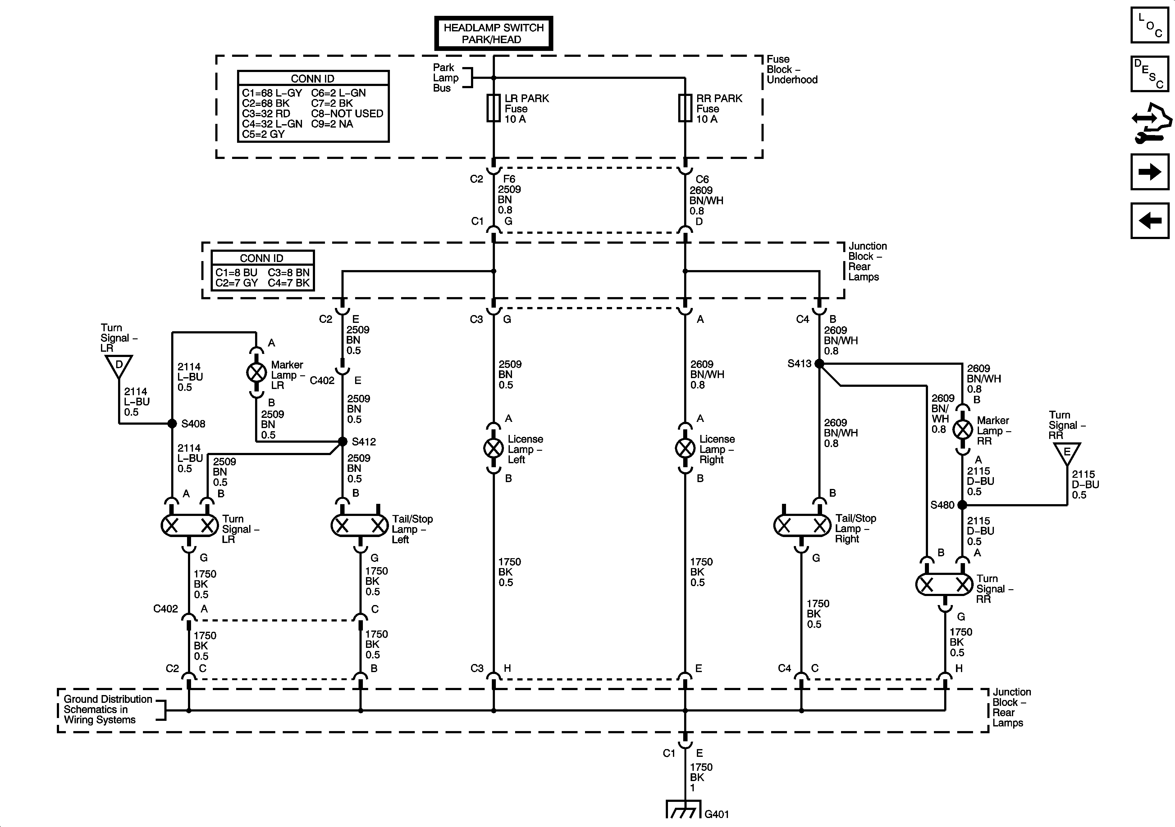
Figure 16:

Exterior Illumination Lamps


Object Number: 1608279  Size: FS
Master Electrical Component List
Exterior Lighting Systems Description and Operation
Control Module References
Trailer Wiring
Right Turn Signals - w/ VD1
Lighting Systems Schematic Icons
Power, Ground, DLC and Splice Pack SP205
Figure 17:

Trailer Wiring


Object Number: 1608280  Size: FS
Master Electrical Component List
Exterior Lighting Systems Description and Operation
Control Module References
Backup Lamps
Exterior Illumination Lamps
LR PARK and RR PARK Fuses
B+ Bus - 1 of 2
Stop Lamps - 1 of 2
G200 3 of 3
G200 3 of 3
G401 and G402
Interior Park
Backup Lamps
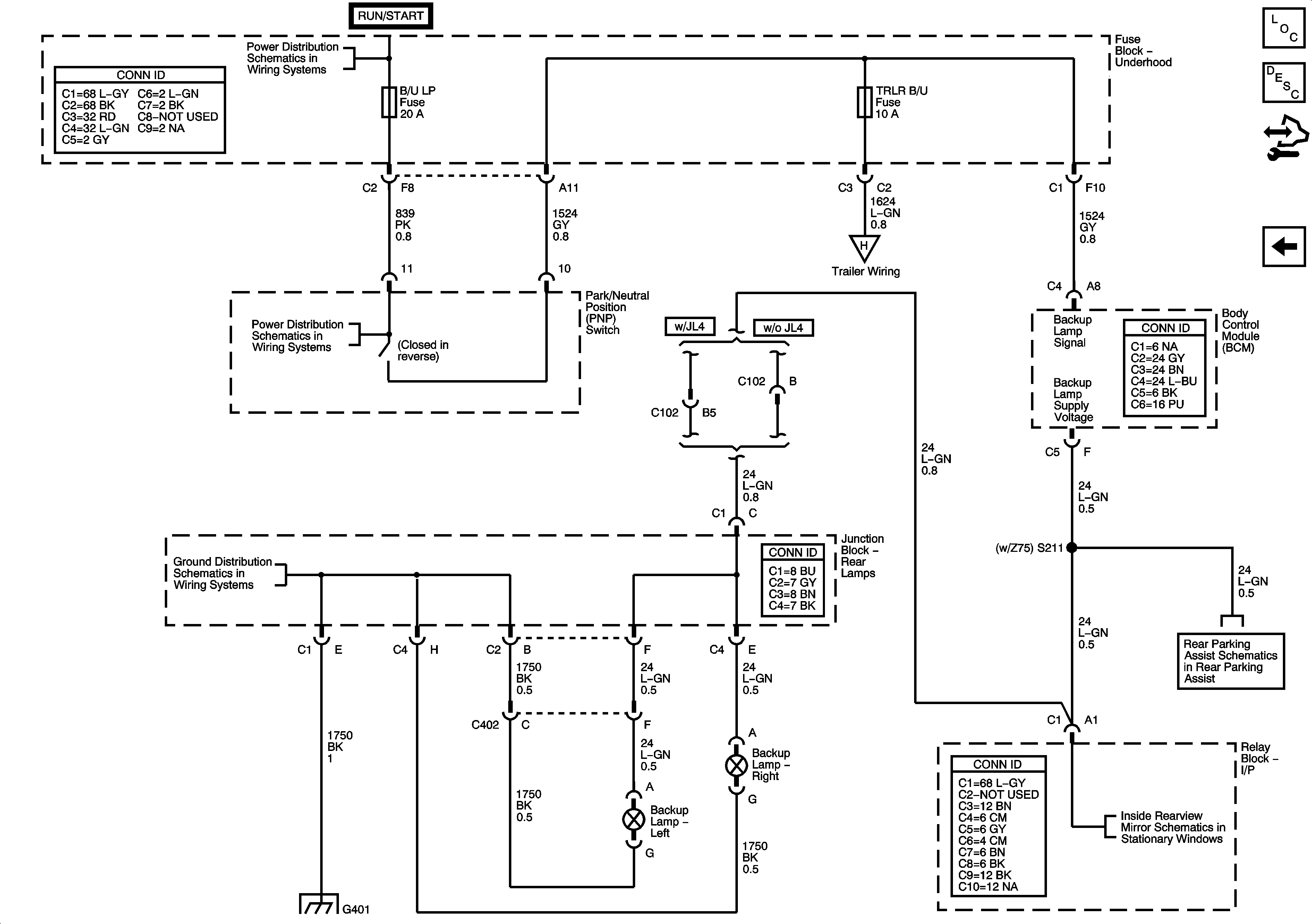
Figure 18:

Backup Lamps


Object Number: 1608281  Size: FS
Master Electrical Component List
Exterior Lighting Systems Description and Operation
Control Module References
Trailer Wiring
Ignition Switch - ACCY/RUN, and RUN/START Busses, and IGN B Fuses
BTSI, B/U LP, O2A, O2B, SEO IGN, TBC IGN 1, and RL B/U Fuses
Trailer Wiring
Rear Object Sensor Control Module, RPA Display, and RPA Disable Switch - Escalade except EXT
Ground and Electrochromic
G401 and G402
G401 and G402