GM Service Manual Online
For 1990-2009 cars only
Figure 1:

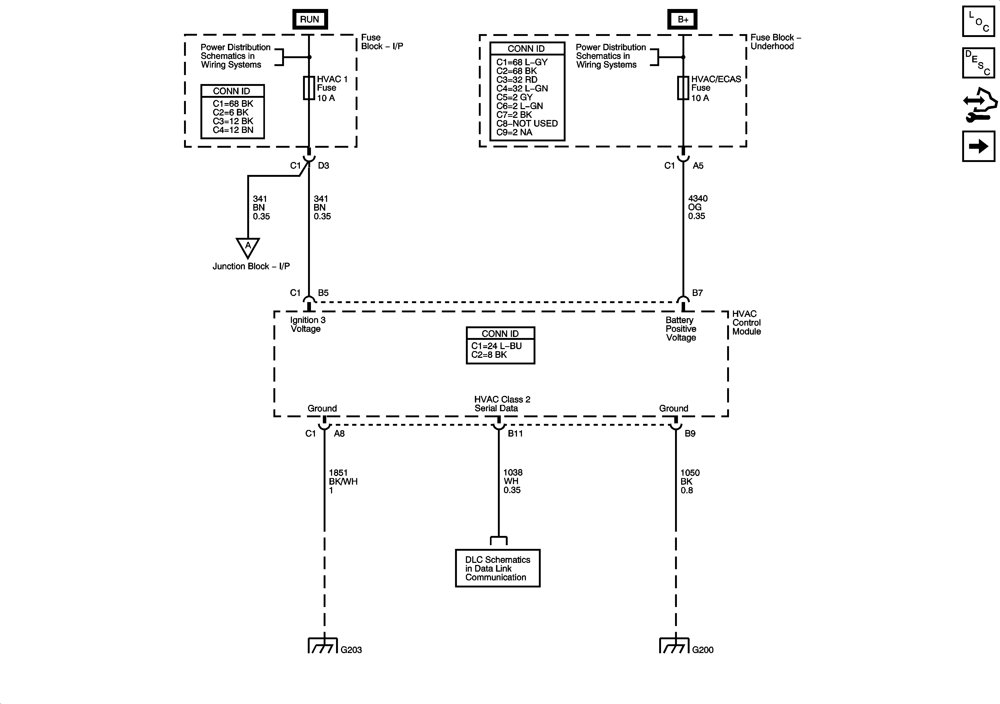
Power, Ground, and Serial Data


Object Number: 1606970  Size: FS
Master Electrical Component List
Air Delivery Description and Operation
Control Module References
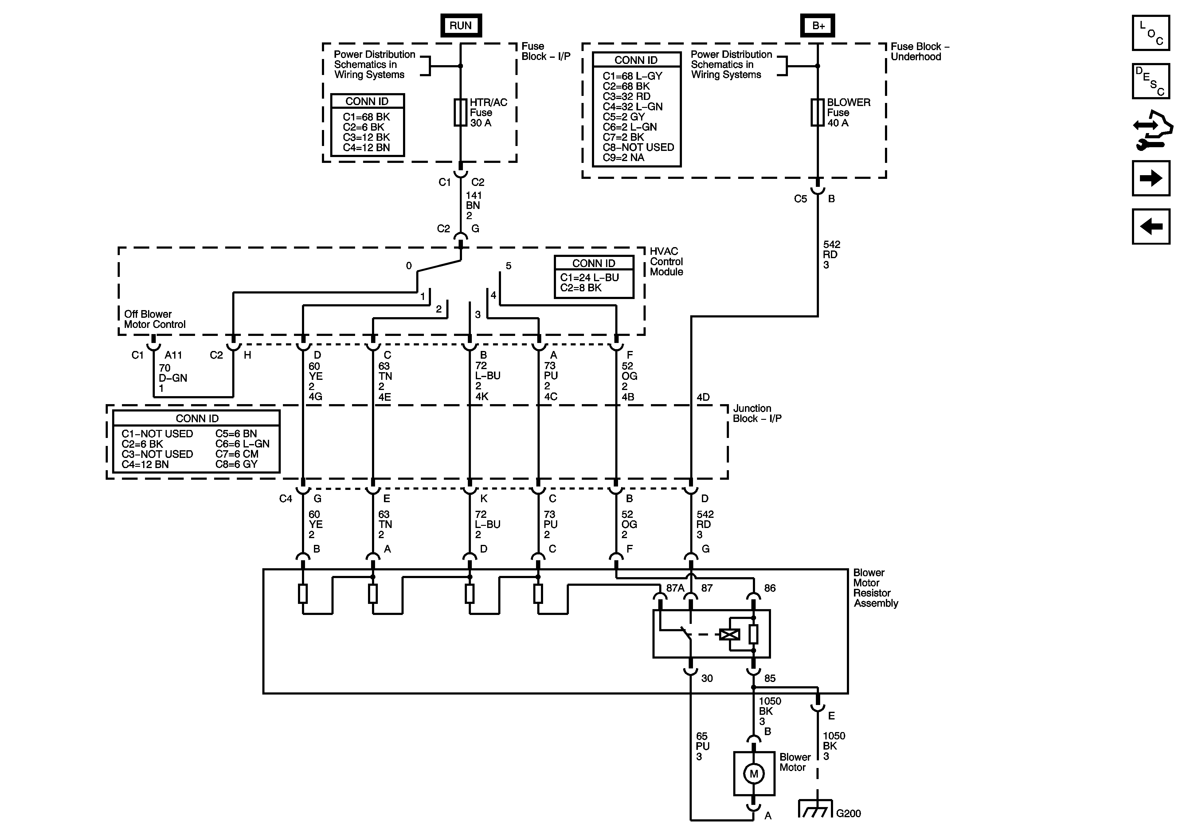
Front Blower Controls
Ignition Switch - ACCY/RUN/START, RUN, and START Busses, IGN A and CRANK Fuses
Ignition Switch - ACCY/RUN/START, RUN, and START Busses, IGN A and CRANK Fuses
B+ Bus - 1 of 2
G200 2 of 3
Power, Ground, DLC and Splice Pack SP205
G203 1 of 3
Figure 2:

Front Blower Controls


Object Number: 1606991  Size: FS
Master Electrical Component List
Air Delivery Description and Operation
Control Module References
Front Left and Right Temperature Control
Power, Ground, and Serial Data
Ignition Switch - ACCY/RUN/START, RUN, and START Busses, IGN A and CRANK Fuses
B+ Bus - 1 of 2
G200 1 of 3
Figure 3:

Front Left and Right Temperature Control


Object Number: 1607032  Size: FS
Master Electrical Component List
Air Temperature Description and Operation
Control Module References
Mode and Recirculation Door Control
Front Blower Controls
Mode and Recirculation Door Control
Mode and Recirculation Door Control
Mode and Recirculation Door Control
Mode and Recirculation Door Control
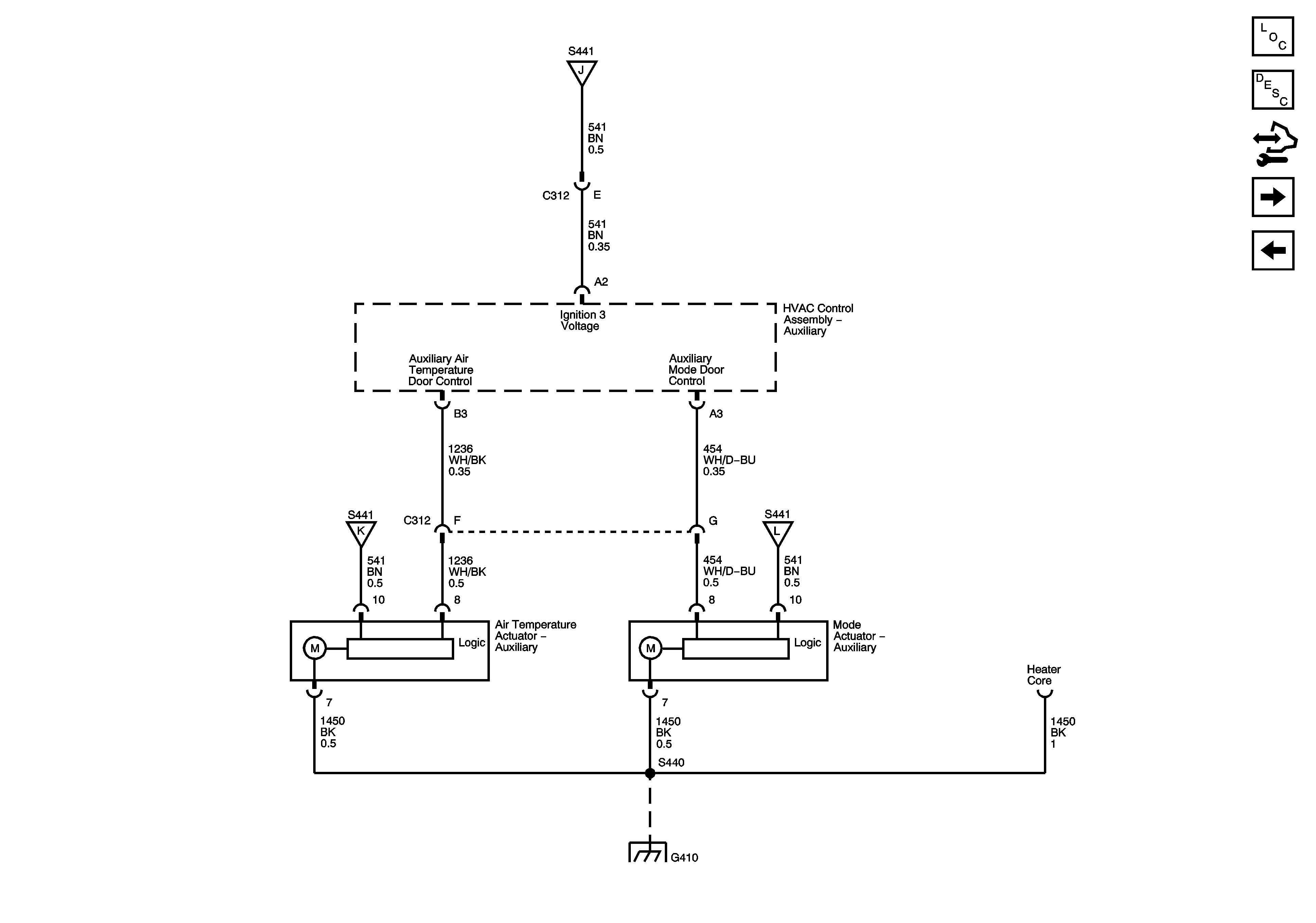
Figure 4:

Mode Actuator and Recirculation Door Controls


Object Number: 1607101  Size: FS
Master Electrical Component List
Air Delivery Description and Operation
Control Module References
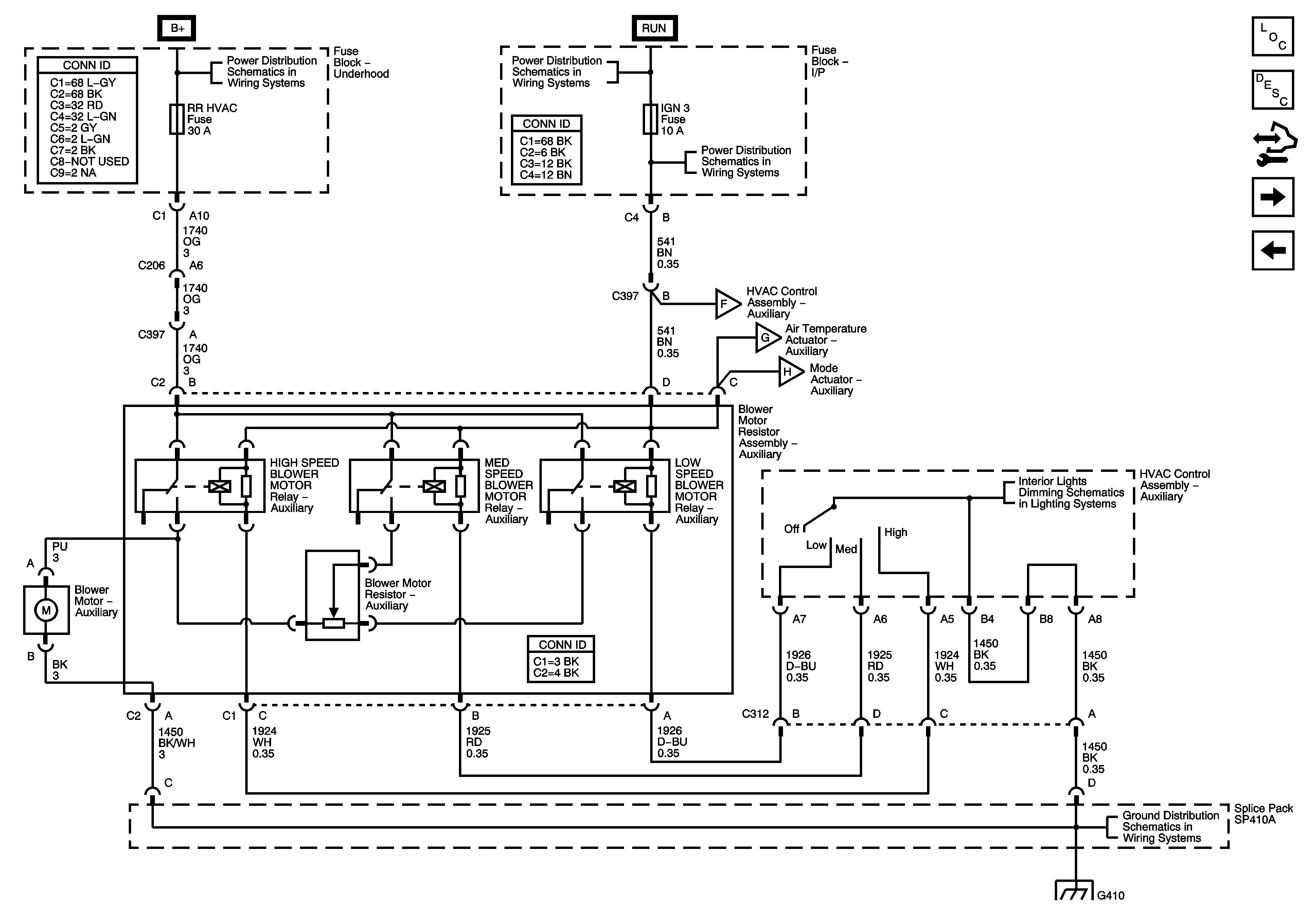
Auxiliary HVAC Controls, Long Wheelbase - 1 of 2
Front Left and Right Temperature Control
Front Left and Right Temperature Control
Front Left and Right Temperature Control
Power, Ground, and Serial Data
Front Left and Right Temperature Control
G200 1 of 3
Figure 5:

Auxiliary HVAC Controls, Long Wheelbase 1 of 2


Object Number: 1607102  Size: FS
Master Electrical Component List
Air Delivery Description and Operation
Control Module References
Auxiliary HVAC Controls, Long Wheelbase - 2 of 2
Mode and Recirculation Door Control
B+ Bus - 1 of 2
Ignition Switch - ACCY/RUN/START, RUN, and START Busses, IGN A and CRANK Fuses
IGN 3 Fuse - 1 of 2
Auxiliary HVAC Controls, Long Wheelbase - 2 of 2
I/P Dimming Supply Voltage - 7 of 8
G410 3 of 3 Auxiliary HVAC, Short Wheelbase
G410 3 of 3 Auxiliary HVAC, Short Wheelbase
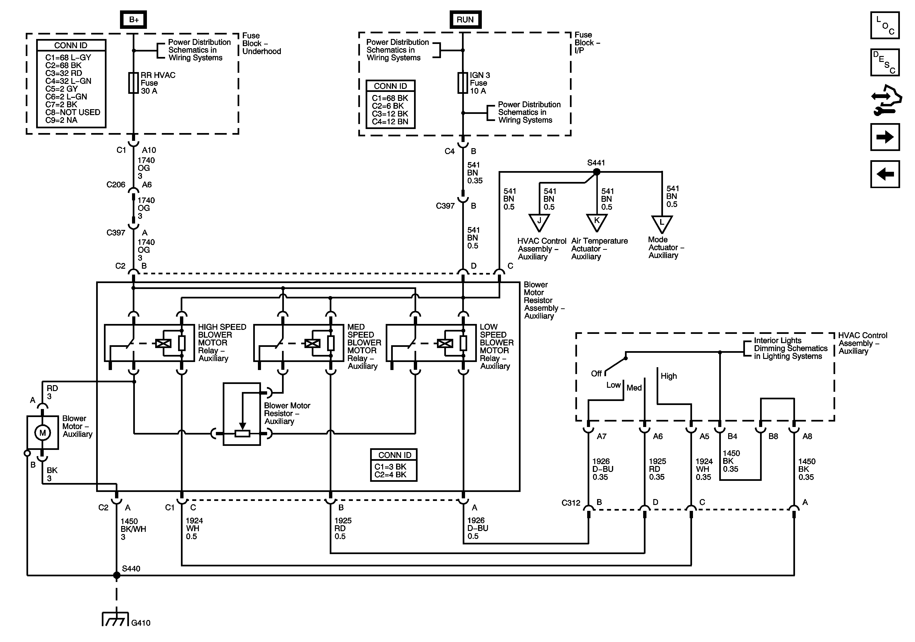
Figure 6:

Auxiliary HVAC Controls, Long Wheelbase 2 of 2


Object Number: 1607146  Size: FS
Master Electrical Component List
Air Temperature Description and Operation
Control Module References
Auxiliary HVAC Controls, Short Wheelbase - 1 of 2
Auxiliary HVAC Controls, Long Wheelbase - 1 of 2
Auxiliary HVAC Controls, Long Wheelbase - 1 of 2
Auxiliary HVAC Controls, Long Wheelbase - 1 of 2
G410 3 of 3 Auxiliary HVAC, Short Wheelbase
G410 3 of 3 Auxiliary HVAC, Short Wheelbase
Auxiliary HVAC Controls, Long Wheelbase - 1 of 2
Figure 7:

Auxiliary HVAC Controls, Short Wheelbase 1 of 2


Object Number: 1607150  Size: FS
Master Electrical Component List
Air Delivery Description and Operation
Control Module References
Auxiliary Blower Control - Short Wheelbase w/ C69
Auxiliary HVAC Controls, Long Wheelbase - 2 of 2
B+ Bus - 1 of 2
Ignition Switch - ACCY/RUN/START, RUN, and START Busses, IGN A and CRANK Fuses
IGN 3 Fuse - 1 of 2
Auxiliary HVAC Controls, Short Wheelbase - 2 of 2
I/P Dimming Supply Voltage - 7 of 8
Roof Beacon Wiring - 5G4
Figure 8:

Auxiliary HVAC Controls, Short Wheelbase 2 of 2


Object Number: 1607151  Size: FS
Master Electrical Component List
Air Temperature Description and Operation
Control Module References
A/C Compressor Controls
Auxiliary HVAC Controls, Short Wheelbase - 1 of 2
Auxiliary HVAC Controls, Short Wheelbase - 1 of 2
Auxiliary HVAC Controls, Short Wheelbase - 1 of 2
Roof Beacon Wiring - 5G4
Auxiliary HVAC Controls, Short Wheelbase - 1 of 2
Figure 9:

A/C Compressor Controls


Object Number: 1607153  Size: FS
Master Electrical Component List
Air Delivery Description and Operation
Control Module References
Auxiliary HVAC Controls, Short Wheelbase - 2 of 2
B+ Bus - 1 of 2
Ignition Switch - ACCY/RUN, and RUN/START Busses, and IGN B Fuses
AIRBAG and IGN E Fuses
Power, Ground, DLC and Splice Pack SP205
G104 and G107