GM Service Manual Online
For 1990-2009 cars only
Makes
🢒
Chevrolet
🢒
2006
🢒
Tahoe - 2WD
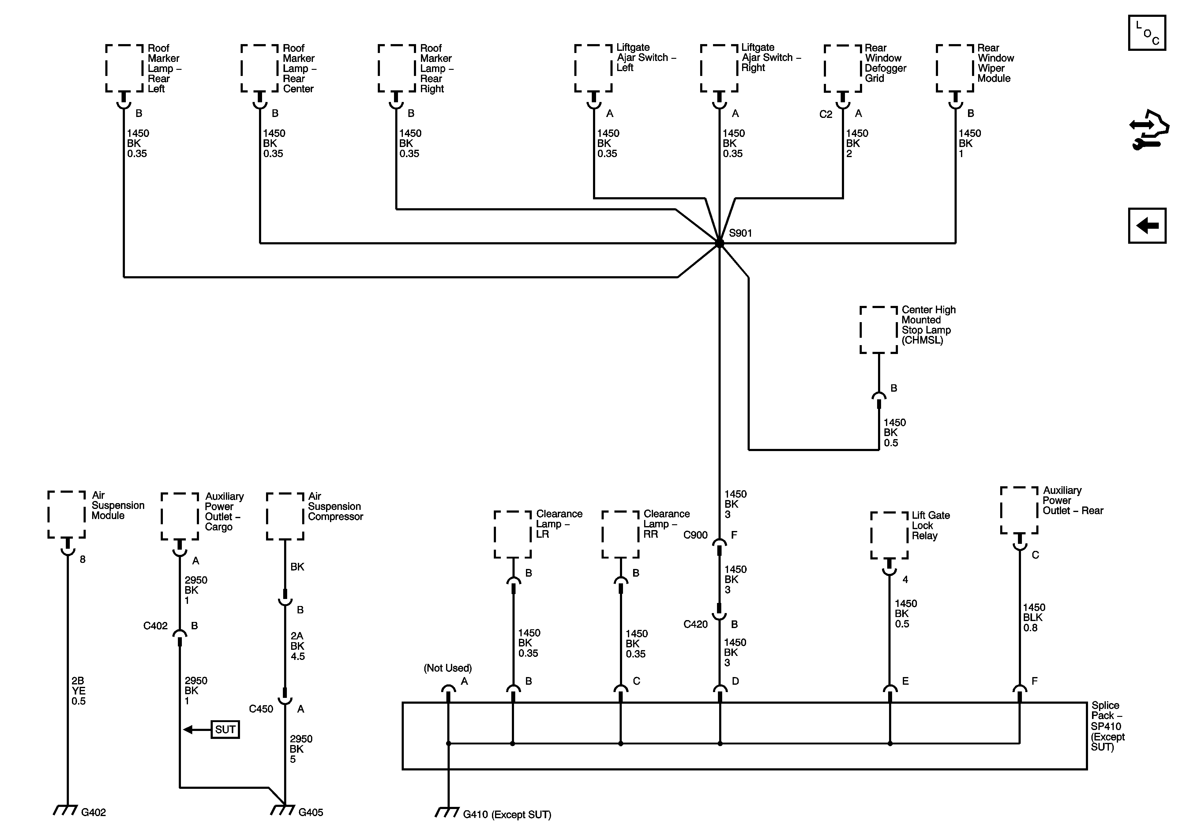
🢒 G402, G405, and G410
G402, G405, and G410
G402, G405, and G410
Master Electrical Component List
Control Module References
G320 (SUT)