GM Service Manual Online
For 1990-2009 cars only
Makes
🢒
Chevrolet
🢒
2006
🢒
Tahoe - 2WD
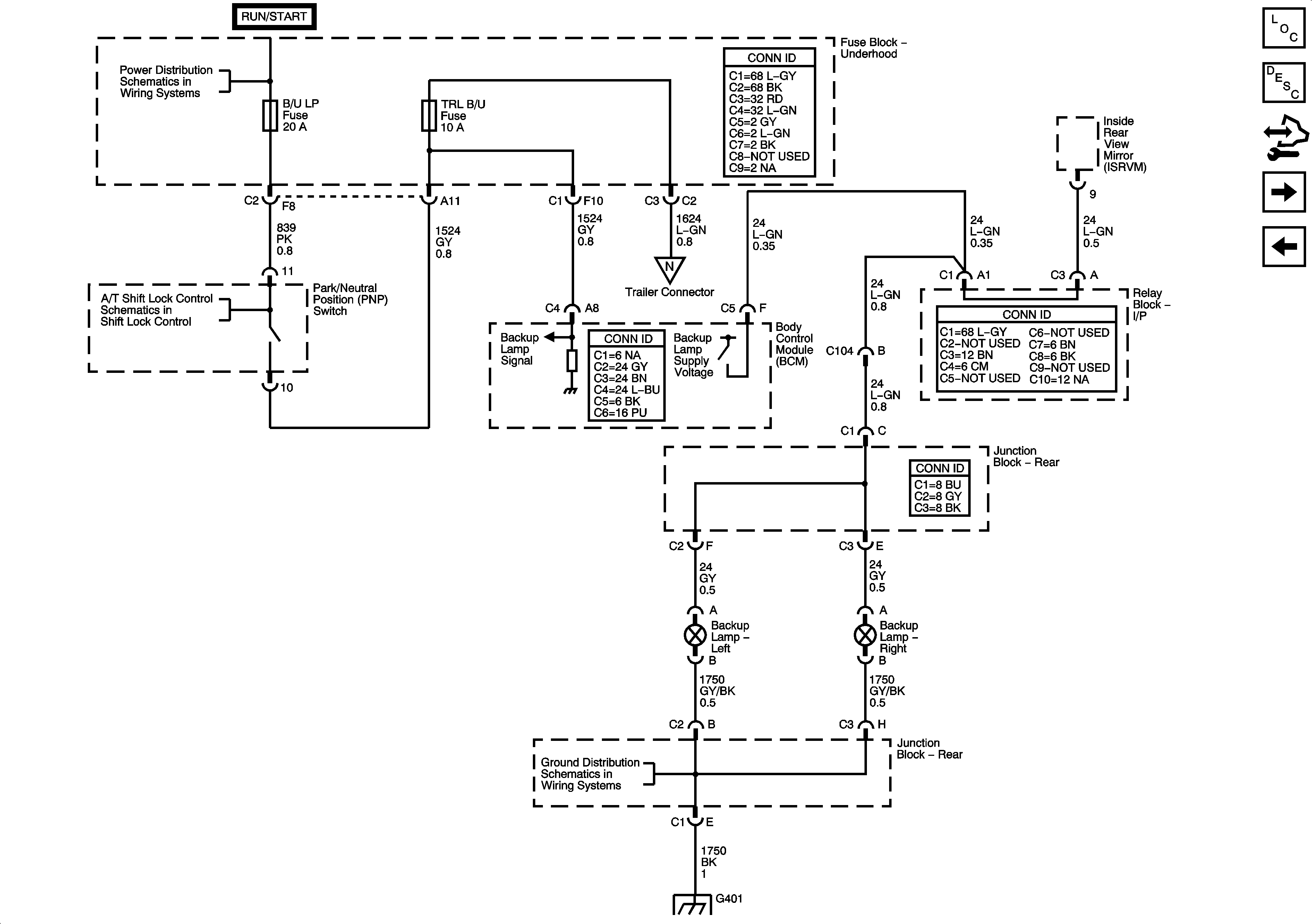
🢒 Backup Lamps
Backup Lamps
Backup Lamps
Master Electrical Component List
Exterior Lighting Systems Description and Operation
Control Module References
Trailer Lighting Provisions
Off-Road Lights (Special Edition)
Ignition Switch - ACCY/RUN/START, RUN and START Bus Bars, and CRANK and IGN A Fuses
B/U LP, BTSI, 02A, 02B, TBC IGN1, and TRL B/U Fuses
Shift Lock Control Schematics
Trailer Lighting Provisions
G300, G310, G401, and G403
G300, G310, G401, and G403