GM Service Manual Online
For 1990-2009 cars only

Object Number: 1805794  Size: B4

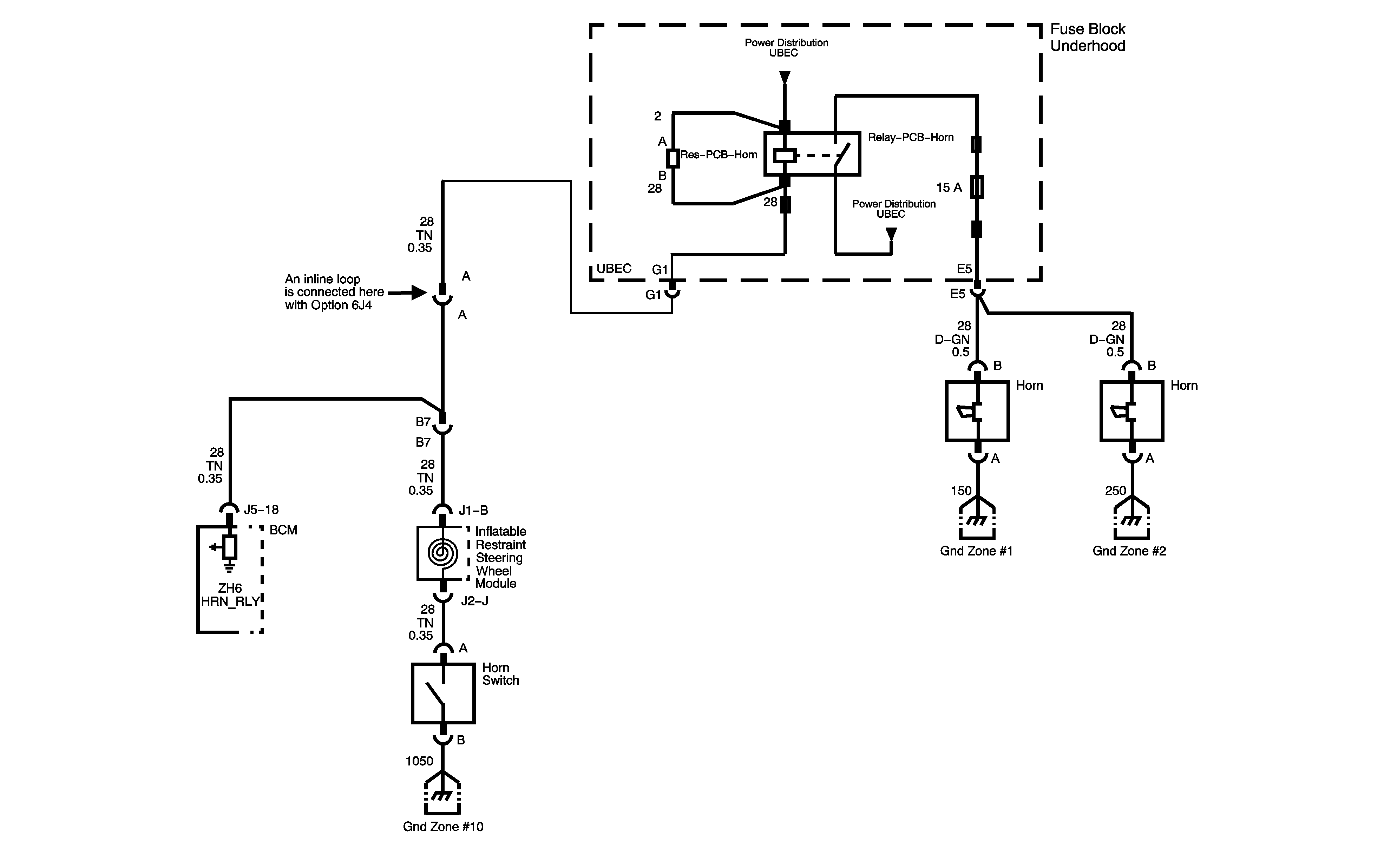
This provision permits customer connection of a switch to select either horn or siren operation when the horn pad is pressed.

A 22 gauge (0.35 mm²) wire is connected to an in-line connector in the horn circuit of the instrument panel harness under the instrument panel. The end of this harness extension is in a 5 foot (1.5 m) loop of wire coiled under the center of the instrument panel.

Wiring Diagram for SEO 6J4 Inline Connector


Object Number: 1910091  Size: C2