GM Service Manual Online
For 1990-2009 cars only

Automatic Transmission Controls Schematics 4.3L

Figure 1:

VCM,ECMB,ECM1,IGN1 Fuses, IPC, G103


Object Number: 488921  Size: FS
Automatic Transmission Components
DLC, CIGAR Fuse, G103, G203, BCM, VCM
OBD II Symbol Description Notice
Handling ESD Sensitive Parts Notice
Power Distribution Schematics
Power Distribution Schematics
Power Distribution Schematics
Power Distribution Schematics
Power Distribution Schematics
Power Distribution Schematics
Power Distribution Schematics
Instrument Cluster: Analog Schematics
Ground Distribution Schematics
Power Distribution Schematics
Figure 2:

DLC, CIGAR Fuse, G103, G203, BCM, VCM


Object Number: 488928  Size: FS
Automatic Transmission Components
CCPP Switch, Stoplamp Switch, Auto Trans Solenoids
VCM,ECMB,ECM1,IGN1 Fuses, IPC, G103
OBD II Symbol Description Notice
Handling ESD Sensitive Parts Notice
Power Distribution Schematics
Power Distribution Schematics
Data Link Connector Schematics
Ground Distribution Schematics
Ground Distribution Schematics
Ground Distribution Schematics
Ground Distribution Schematics
Ground Distribution Schematics
Ground Distribution Schematics
Figure 3:

CCPP Switch, Stoplamp Switch, Auto Trans Solenoids


Object Number: 488976  Size: FS
Automatic Transmission Components
Auto Trans Switches, TFT Sensor, PC SOL Valve
DLC, CIGAR Fuse, G103, G203, BCM, VCM
OBD II Symbol Description Notice
Handling ESD Sensitive Parts Notice
Handling ESD Sensitive Parts Notice
Power Distribution Schematics
Power Distribution Schematics
Ground Distribution Schematics
Figure 4:

Auto Trans Switches, TFT Sensor, PC SOL Valve


Object Number: 488977  Size: FS
Automatic Transmission Components
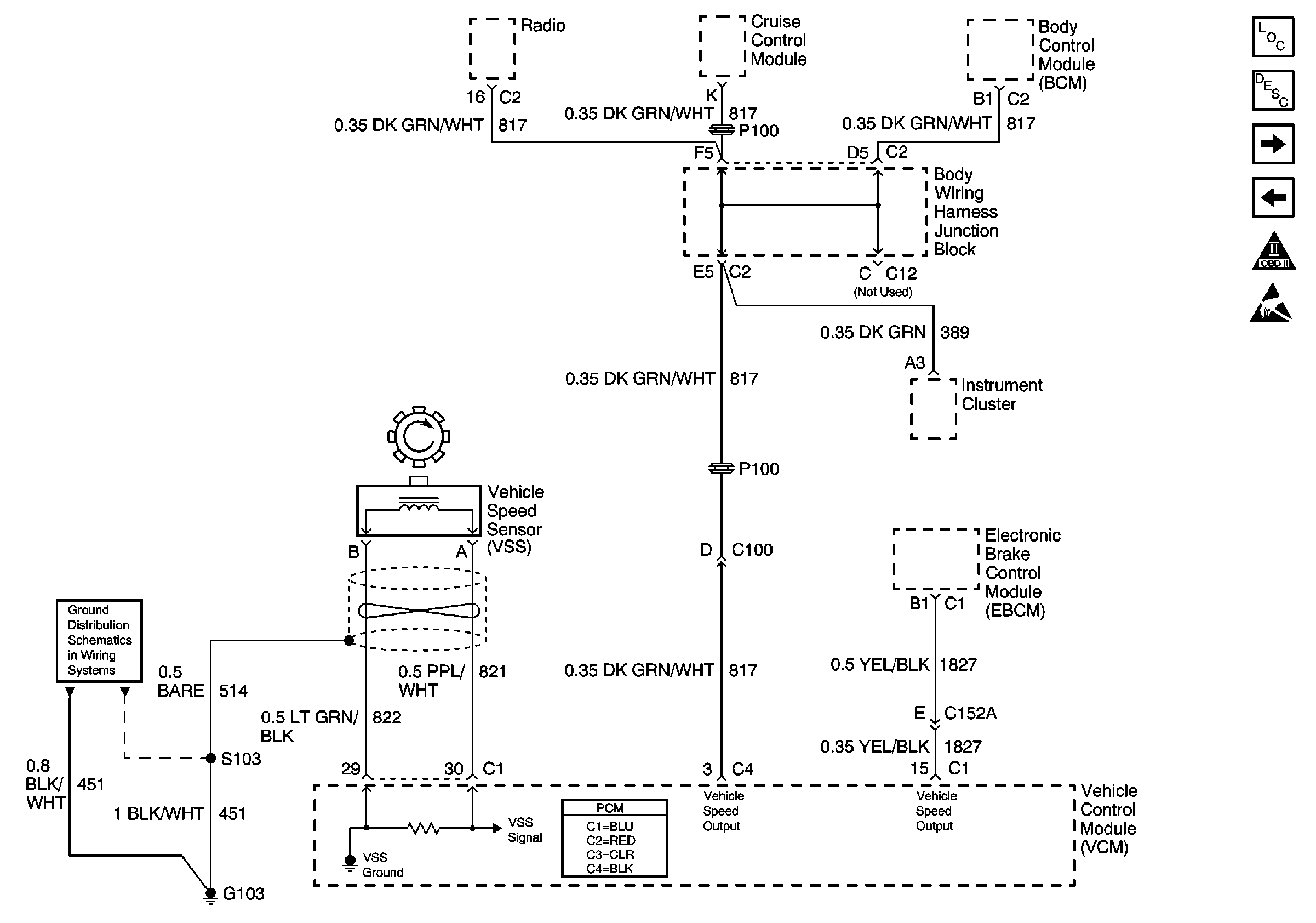
VSS Circuit, EBCM, VCM
CCPP Switch, Stoplamp Switch, Auto Trans Solenoids
OBD II Symbol Description Notice
Handling ESD Sensitive Parts Notice
Handling ESD Sensitive Parts Notice
Handling ESD Sensitive Parts Notice
Figure 5:

VSS Circuit, EBCM, VCM


Object Number: 488955  Size: FS
Automatic Transmission Components
Tow/Haul Switch, BCM, Park/Neutral Switch
Auto Trans Switches, TFT Sensor, PC SOL Valve
OBD II Symbol Description Notice
Handling ESD Sensitive Parts Notice
Ground Distribution Schematics
Figure 6:

Tow/Haul Switch, BCM, Park/Neutral Switch


Object Number: 489017  Size: FS
Automatic Transmission Components
VSS Circuit, EBCM, VCM
OBD II Symbol Description Notice
Handling ESD Sensitive Parts Notice
Ground Distribution Schematics
Ground Distribution Schematics
Data Link Connector Schematics

Automatic Transmission Controls Schematics 4.8L, 5.3L

Figure 1:

Power, Ground, IPC, PCM


Object Number: 489069  Size: FS
Automatic Transmission Components
CIGAR Fuse, BCM, PCM, DLC, G103, G203
OBD II Symbol Description Notice
Handling ESD Sensitive Parts Notice
Power Distribution Schematics
Power Distribution Schematics
Power Distribution Schematics
Power Distribution Schematics
Ground Distribution Schematics
Instrument Cluster: Analog Schematics
Power Distribution Schematics
Figure 2:

CIGAR Fuse, BCM, PCM, DLC, G103, G203


Object Number: 489071  Size: FS
Automatic Transmission Components
4L60-E Solenoid, Stoplamp Switch
Power, Ground, IPC, PCM
OBD II Symbol Description Notice
Handling ESD Sensitive Parts Notice
Ground Distribution Schematics
Ground Distribution Schematics
Ground Distribution Schematics
Data Link Connector Schematics
Power Distribution Schematics
Power Distribution Schematics
Ground Distribution Schematics
Ground Distribution Schematics
Ground Distribution Schematics
Figure 3:

4L60-E Solenoid, Stoplamp Switch


Object Number: 489190  Size: FS
Automatic Transmission Components
VSS Circuit, EBCM, BCM, PCM, IPC
CIGAR Fuse, BCM, PCM, DLC, G103, G203
OBD II Symbol Description Notice
Handling ESD Sensitive Parts Notice
Power Distribution Schematics
Power Distribution Schematics
Cruise Control Schematics
Figure 4:

4L60-E Switches, PC SOL, TFT Sensor


Object Number: 489193  Size: FS
Automatic Transmission Components
VSS Circuit, EBCM, BCM, PCM, IPC
4L60-E Solenoid, Stoplamp Switch
OBD II Symbol Description Notice
Handling ESD Sensitive Parts Notice
Figure 5:

VSS Circuit, EBCM, BCM, PCM, IPC


Object Number: 489140  Size: FS
Automatic Transmission Components
Park/Neutral Switch, Tow/Haul Switch, BCM, G203, G103
4L60-E Solenoid, Stoplamp Switch
OBD II Symbol Description Notice
Handling ESD Sensitive Parts Notice
Figure 6:

Park/Neutral Switch, Tow/Haul Switch, BCM, G203, G103


Object Number: 489196  Size: FS
Ground Distribution Schematics
Ground Distribution Schematics
Ground Distribution Schematics
Ground Distribution Schematics
Data Link Connector Schematics
Automatic Transmission Components
VSS Circuit, EBCM, BCM, PCM, IPC
OBD II Symbol Description Notice
Handling ESD Sensitive Parts Notice