GM Service Manual Online
For 1990-2009 cars only
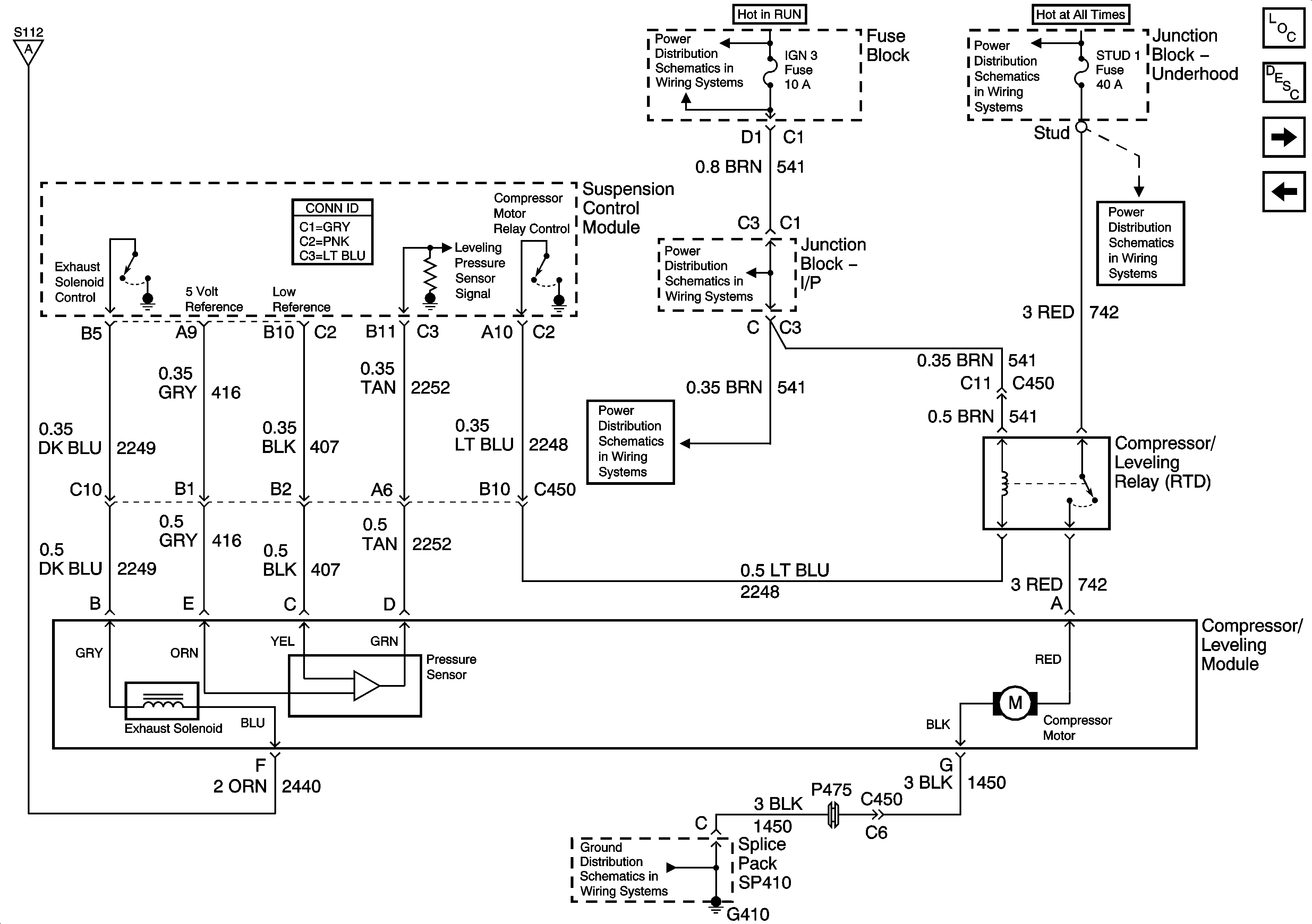
Figure 1:

Power, Ground, Serial Data


Object Number: 699367  Size: FS
Master Electrical Component List
Real Time Damping Description and Operation
Compressor/Leveling Controls
B+ Bus Bar
IGNITION, RUN, ACCESSORY, and RAP Bus Bars, RAP #1 and RAP #2 Fuses
IGNITION, RUN, ACCESSORY, and RAP Bus Bars, RAP #1 and RAP #2 Fuses
RTD, RDO AMP, CRANK, and IGN 0 Fuses
SP205
Compressor/Leveling Controls
Power and Ground
IGN 3 Fuse - 1 of 2
IGN 3 Fuse - 1 of 2
G410 - 2 of 2
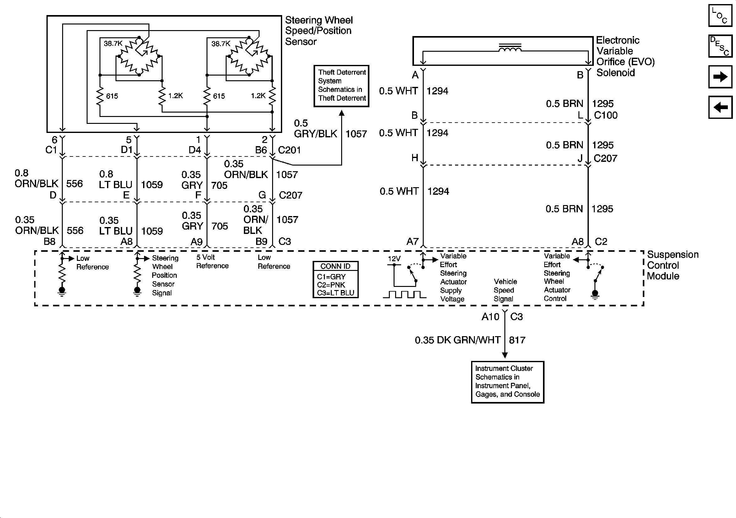
Figure 2:

Compressor/Leveling Controls


Object Number: 699375  Size: FS
Master Electrical Component List
Real Time Damping Description and Operation
Steering Wheel Speed/Position Sensor and EVO Solenoid
Power, Ground, Serial Data
Power, Ground, Serial Data
IGNITION, RUN, ACCESSORY, and RAP Bus Bars, RAP #1 and RAP #2 Fuses
B+ Bus Bar
IGN 3 Fuse - 1 of 2
ABS, HAZ LP, STUD 1, STUD 2, CTSY LP, and PARK LP Fuses
IGN 3 Fuse - 1 of 2
G410 - 1 of 2
Figure 3:

Steering Wheel Speed/Position Sensor and EVO Solenoid


Object Number: 699377  Size: FS
Master Electrical Component List
Real Time Damping Description and Operation
Suspension Position Sensors and Shock Absorber Solenoids
Compressor/Leveling Controls
Gauges, VSS, and Engine Oil Signals
Figure 4:

Suspension Position Sensors and Shock Absorber Solenoids


Object Number: 699382  Size: FS
Master Electrical Component List
Real Time Damping Description and Operation
Steering Wheel Speed/Position Sensor and EVO Solenoid