GM Service Manual Online
For 1990-2009 cars only

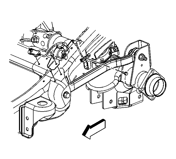
Electronic Suspension Rear Position Sensor Replacement - Left Side 15 Series

Removal Procedure

  1. Raise and support the vehicle. Refer to Lifting and Jacking the Vehicle in General Information.
  2. Remove the wheel and tire assembly from the vehicle. Refer to Tire and Wheel Removal and Installation in Tires and Wheels.

  3. Object Number: 582438  Size: SH
  4. Disconnect the sensor harness connector from the vehicle harness connector.
  5. Remove the bolt from the real time damping (RTD) sensor link bracket.
  6. Spread the bracket open until the bracket can be removed from the upper control arm.
  7. Remove the bolts from the frame.
  8. Remove the position sensor from the vehicle.

Installation Procedure


    Object Number: 582438  Size: SH
  1. Install the position sensor on the vehicle.
  2. Notice: Use the correct fastener in the correct location. Replacement fasteners must be the correct part number for that application. Fasteners requiring replacement or fasteners requiring the use of thread locking compound or sealant are identified in the service procedure. Do not use paints, lubricants, or corrosion inhibitors on fasteners or fastener joint surfaces unless specified. These coatings affect fastener torque and joint clamping force and may damage the fastener. Use the correct tightening sequence and specifications when installing fasteners in order to avoid damage to parts and systems.

  3. Install the bolts to the frame.
  4. Tighten
    Tighten the bolts to 12 N·m (106 lb in).


    Object Number: 608824  Size: SH
  5. Close the bracket around the upper control arm making sure the bracket rests between the locating stops.
  6. Install the bolt.
  7. Tighten
    Tighten the bolt to 25 N·m (18 lb ft).

  8. Connect the sensor harness connector to the vehicle harness connector.
  9. Install the wheel and tire assembly to the vehicle. Refer to Tire and Wheel Removal and Installation in Tires and Wheels.
  10. Lower the vehicle.

Electronic Suspension Rear Position Sensor Replacement - Left Side 25 Series

Removal Procedure

  1. Raise the vehicle. Refer to Lifting and Jacking the Vehicle in General Information.
  2. Remove the wheel from the vehicle. Refer to Tire and Wheel Removal and Installation in Tires and Wheels.

  3. Object Number: 582401  Size: SH
  4. Disconnect the sensor harness connector from the vehicle harness connector.

  5. Object Number: 582400  Size: SH
  6. Remove the bolts.
  7. Remove the position sensor from the vehicle.
  8. Disconnect the sensor link from the ball stud.

Installation Procedure


    Object Number: 582400  Size: SH
  1. Install the position sensor on the vehicle.
  2. Notice: Use the correct fastener in the correct location. Replacement fasteners must be the correct part number for that application. Fasteners requiring replacement or fasteners requiring the use of thread locking compound or sealant are identified in the service procedure. Do not use paints, lubricants, or corrosion inhibitors on fasteners or fastener joint surfaces unless specified. These coatings affect fastener torque and joint clamping force and may damage the fastener. Use the correct tightening sequence and specifications when installing fasteners in order to avoid damage to parts and systems.

  3. Install the bolts.
  4. Tighten
    Tighten the bolts to 12 N·m (106 lb in).

  5. Connect the sensor link to the ball stud.

  6. Object Number: 582401  Size: SH
  7. Connect the sensor harness connector to the vehicle harness connector.
  8. Install the wheel onto the vehicle. Refer to Tire and Wheel Removal and Installation in Tires and Wheels.
  9. Lower the vehicle.