GM Service Manual Online
For 1990-2009 cars only
Makes
🢒
Chevrolet
🢒
2001
🢒
Tahoe - 4WD
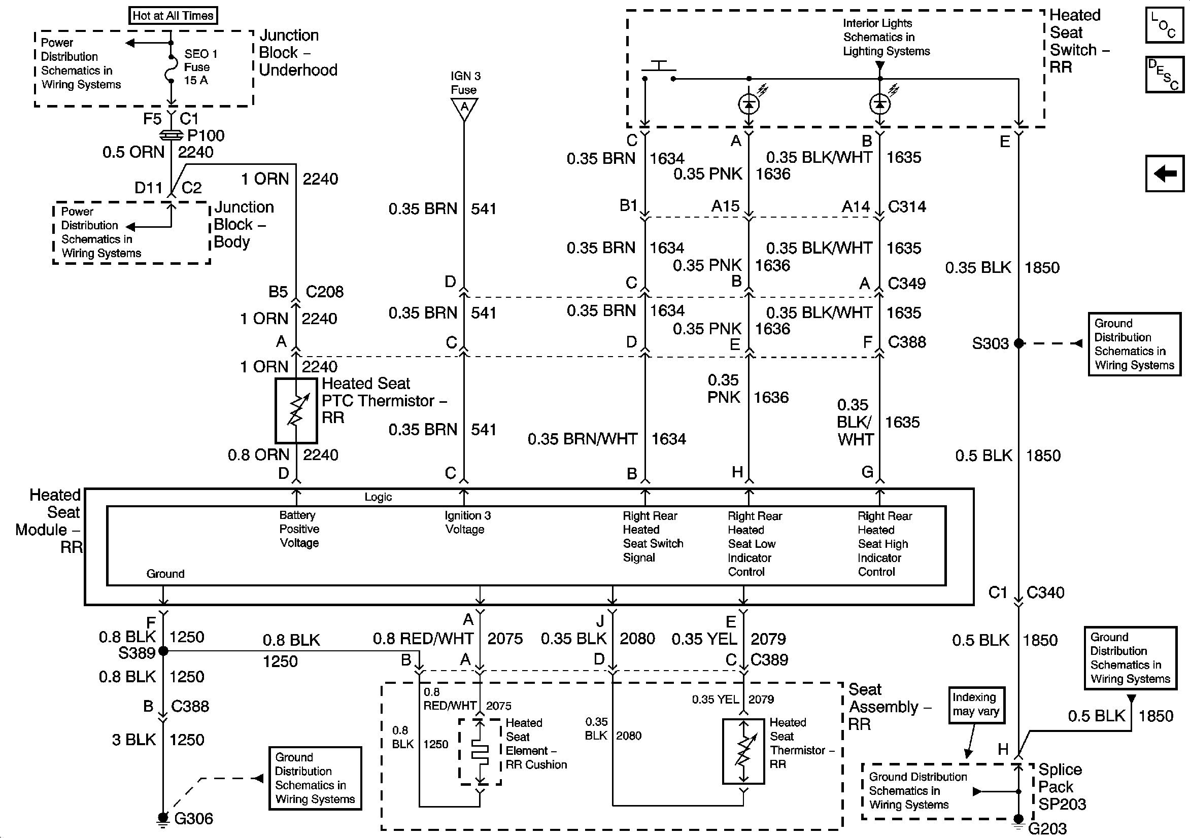
🢒 Right Rear Heated Seats
Right Rear Heated Seats
Right Rear Heated Seats
Master Electrical Component List
Heated Seats Description and Operation
Left Rear Heated Seats
B+ Bus Bar
Left Rear Heated Seats
PARK LPS Fuse, Parklamp Relay, Door Lock Switch-Driver, Heated Seat Switches, and Ashtray Lamp
SEO 1, SEO 2, AND AUX PWR Fuses
G203 - 1 of 4
G305 and G306
G203 - 1 of 4
G203 - 1 of 4