GM Service Manual Online
For 1990-2009 cars only
Makes
🢒
Chevrolet
🢒
2001
🢒
Tahoe - 4WD
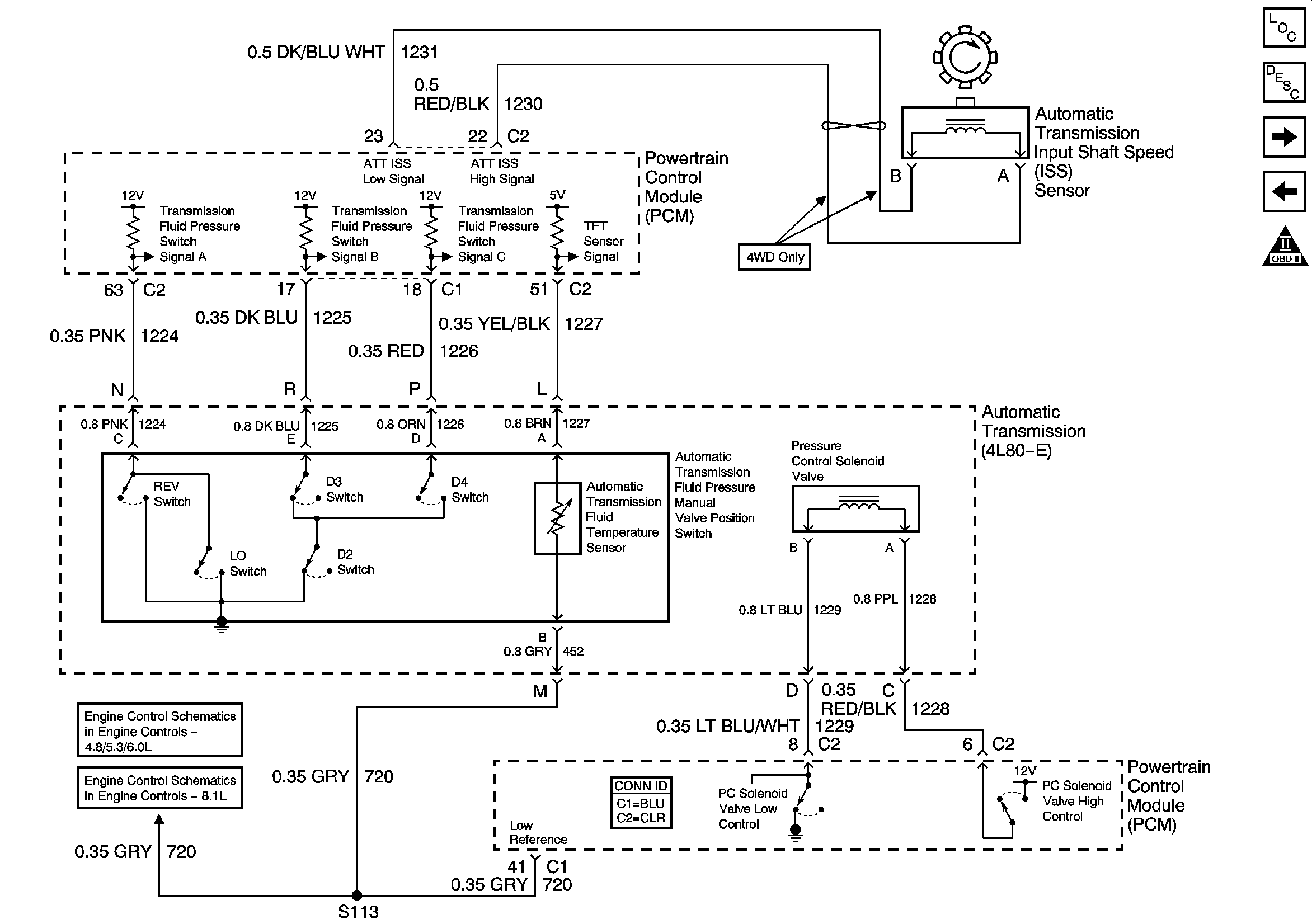
🢒 TFT Sensor, Pressure Control Solenoid, and ISS Sensor
TFT Sensor, Pressure Control Solenoid, and ISS Sensor
TFT Sensor, Pressure Control Solenoid, and ISS Sensor
Master Electrical Component List
Electronic Component Description
Park/Neutral Position (PNP) Switch
Brake Switch Signal and Valve Controls
OBD II Symbol Description Notice
Engine Data Sensors - Pressure and Temperature