GM Service Manual Online
For 1990-2009 cars only
Makes
🢒
Chevrolet
🢒
2002
🢒
Tahoe - 4WD
🢒
Suspension
🢒
Real Time Damping (RTD)
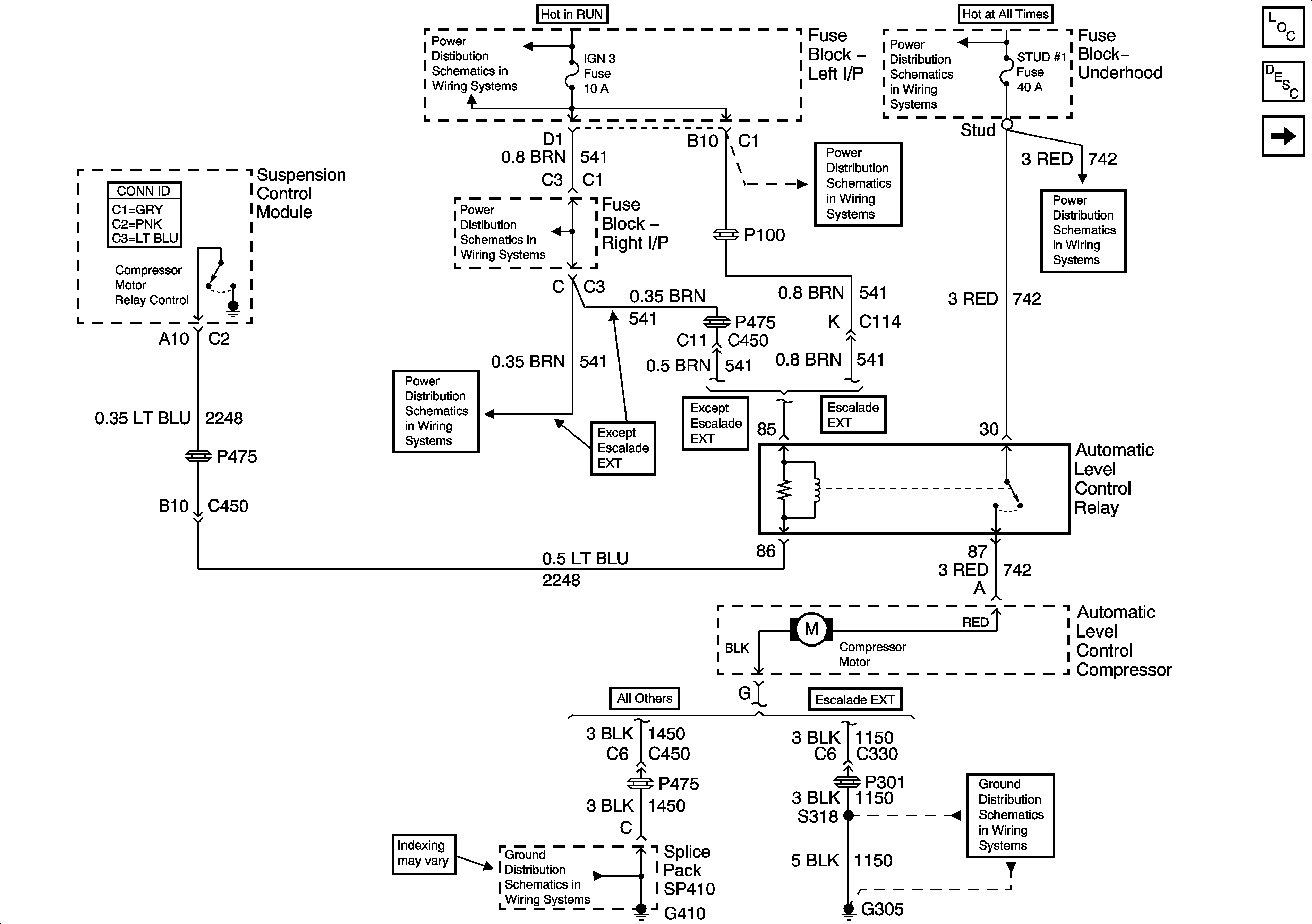
🢒 Automatic Level Control Schematics
Figure
1:
Compressor Control
Master Electrical Component List
Automatic Level Control Description and Operation
Suspension Level Control
IGN 3 Fuse
IGN 3 Fuse
ABS, HAZ LP, STUD 1, STUD 2, CTSY LP, and PARK LP Fuses
ABS, HAZ LP, STUD 1, STUD 2, CTSY LP, and PARK LP Fuses
IGN 3 Fuse
G410 - 1 of 2
G305
IGN 3 Fuse
Figure
2:
Suspension Level Control
Master Electrical Component List
Automatic Level Control Description and Operation
Compressor Control
RTD, RDO AMP, CRANK, and IGN 0 Fuses
Suspension Position Sensors
RTD, RDO AMP, CRANK, and IGN 0 Fuses