GM Service Manual Online
For 1990-2009 cars only
Makes
🢒
Chevrolet
🢒
2002
🢒
Tahoe - 4WD
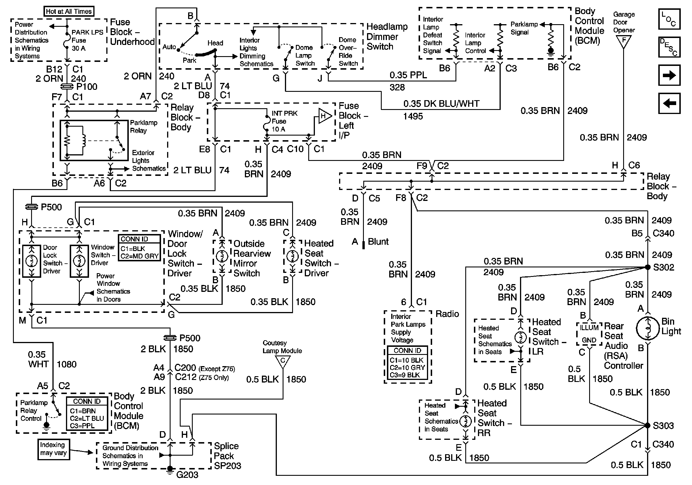
🢒 Park Lamp Control, INTPRK and PARK LPS Fuse
Park Lamp Control, INTPRK and PARK LPS Fuse
Interior Parklamp Supply - 1 of 2
Master Electrical Component List
Interior Lighting Systems Description and Operation
Interior Park Lamps Supply - 2 of 2
Courtesy Lamp Supply - 5 of 5
ABS, HAZ LP, STUD 1, STUD 2, CTSY LP, and PARK LP Fuses
Power, Ground and Dimming Control
Courtesy Lamp Supply - 3 of 5
Interior Park Lamps Supply - 2 of 2
Park Lamp Control
Window Switches and Motors-Front Doors
G203 - 1 of 4
Courtesy Lamp Supply - 1 of 5
Heated Seat - LR
Heated Seat - RR