GM Service Manual Online
For 1990-2009 cars only
Makes
🢒
Chevrolet
🢒
2002
🢒
Tahoe - 4WD
🢒 Front Passenger
Front Passenger
Front Passenger
Master Electrical Component List
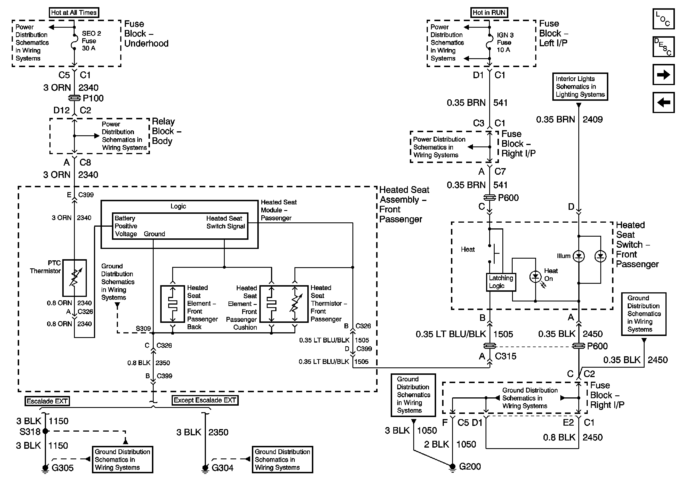
Heated Seats Description and Operation
Heated Seat - LR
Driver - w/Z75
SEO 1, SEO 2, and AUX PWR Fuses
SEO 1, SEO 2, and AUX PWR Fuses
IGN 3 Fuse
IGN 3 Fuse
Interior Parklamp Supply - 3 of 3
G304
G305
G304
G200 - 1 of 2
G200 - 1 of 2
G200 - 2 of 2