GM Service Manual Online
For 1990-2009 cars only
Figure 1:

Vehicle Theft Deterrent


Object Number: 1465194  Size: FS
Master Electrical Component List
Vehicle Theft Deterrent (VTD) Description and Operation
Control Module References
Content Theft Deterrent - 1 of 2
Steering Wheel Speed/Position Sensor
Steering Wheel Speed/Position Sensor Inputs - w/JL4
Power, Ground, DLC, and Splice Pack SP205
Fuel Controls - Fuel Injectors
Fuel Controls - Fuel Injectors
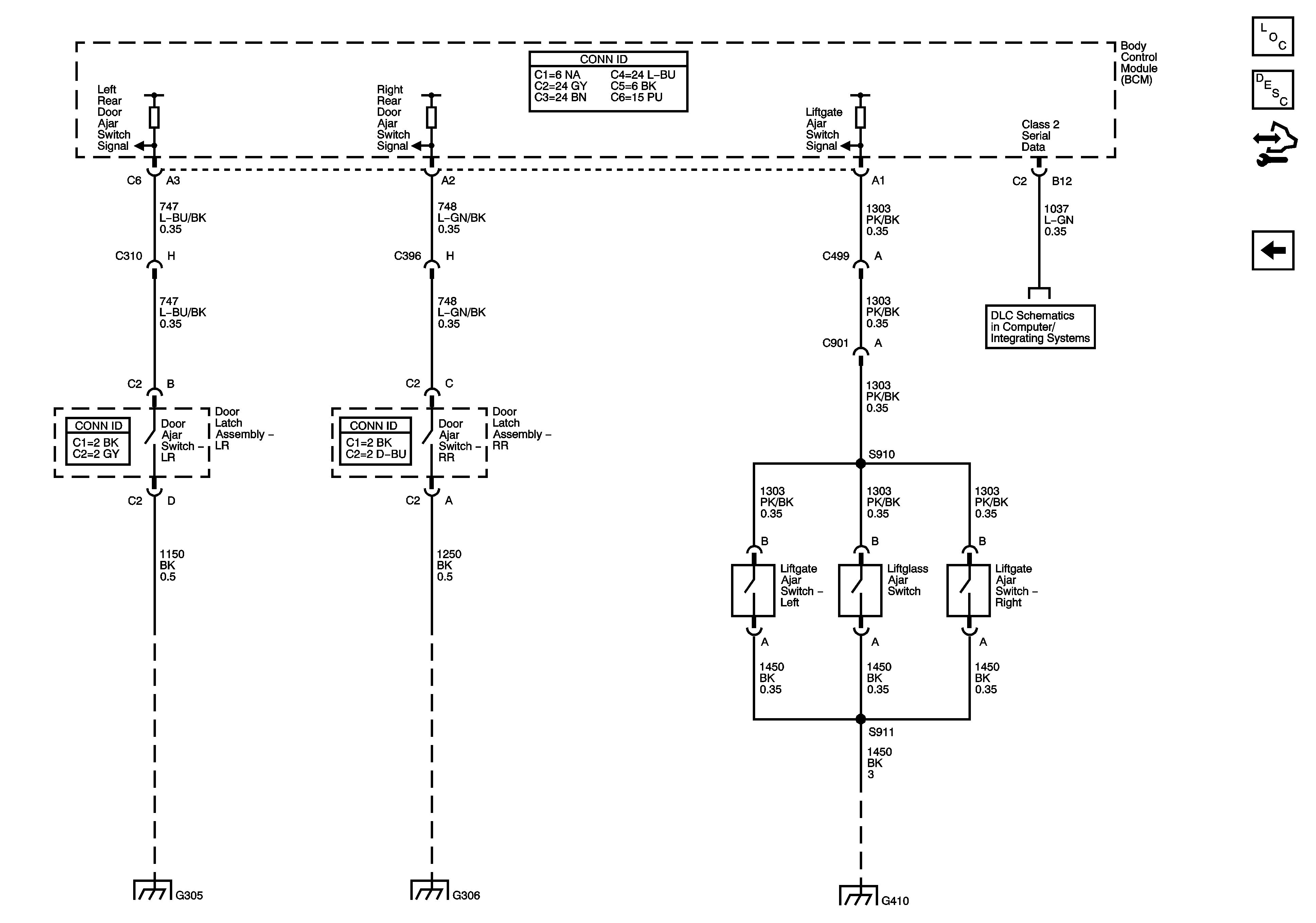
Figure 2:

Content Theft Deterrent -- 1 of 2


Object Number: 1465196  Size: FS
Master Electrical Component List
Content Theft Deterrent (CTD) Description and Operation
Control Module References
Content Theft Deterrent - 2 of 2
Vehicle Theft Deterrent
Power, Ground, DLC, and Splice Pack SP205
Headlights - w/o Z75
Park Lamp Relay - w/o VD1
Park Lamp Relay - w/VD1
Horns Schematics
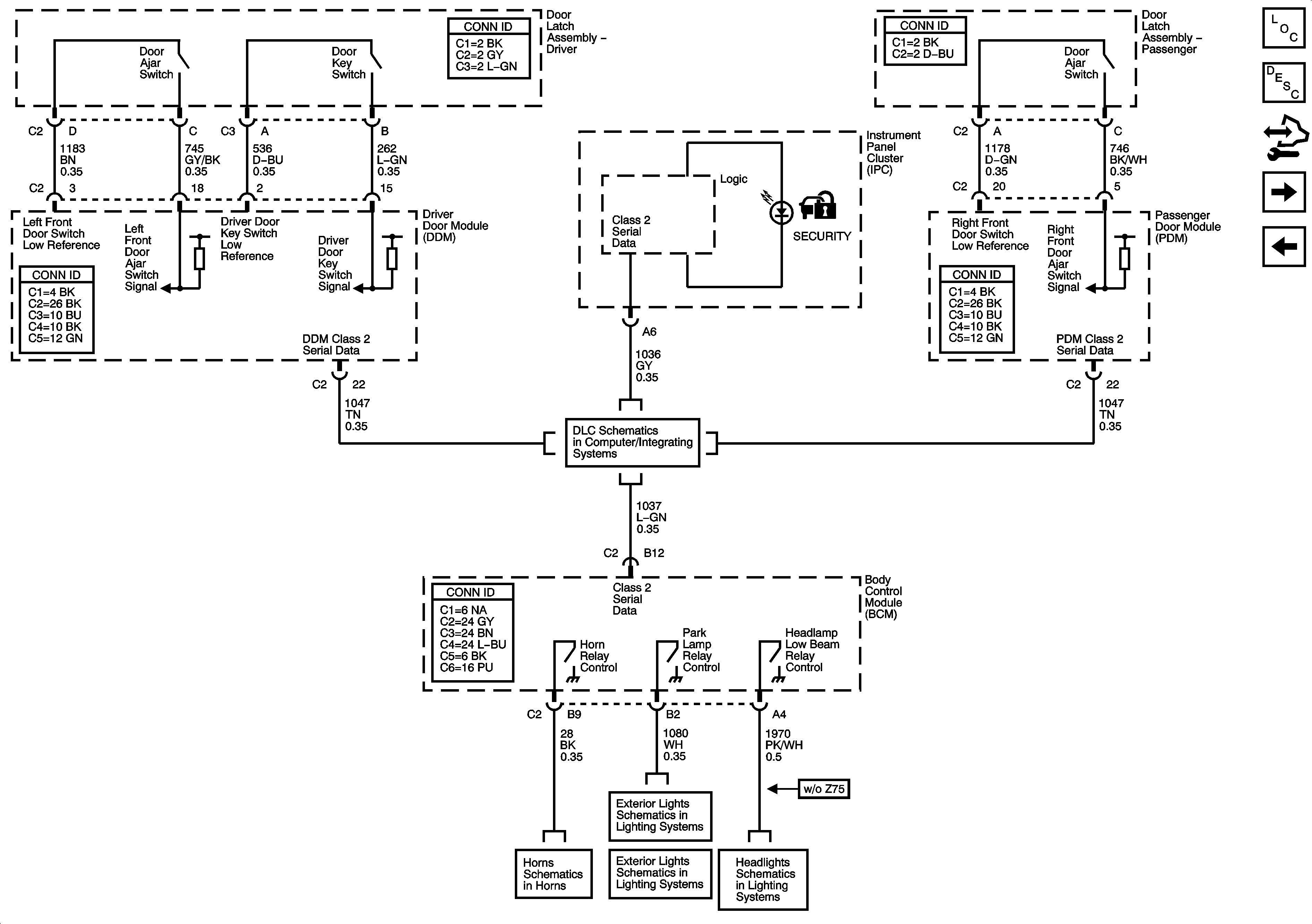
Figure 3:

Content Theft Deterrent -- 2 of 2


Object Number: 1465198  Size: FS
Master Electrical Component List
Content Theft Deterrent (CTD) Description and Operation
Control Module References
Content Theft Deterrent - 1 of 2
Power, Ground, DLC, and Splice Pack SP205
G410 1 of 3
G306
G304 and G305