GM Service Manual Online
For 1990-2009 cars only
Makes
🢒
Chevrolet
🢒
2005
🢒
Tahoe - 4WD
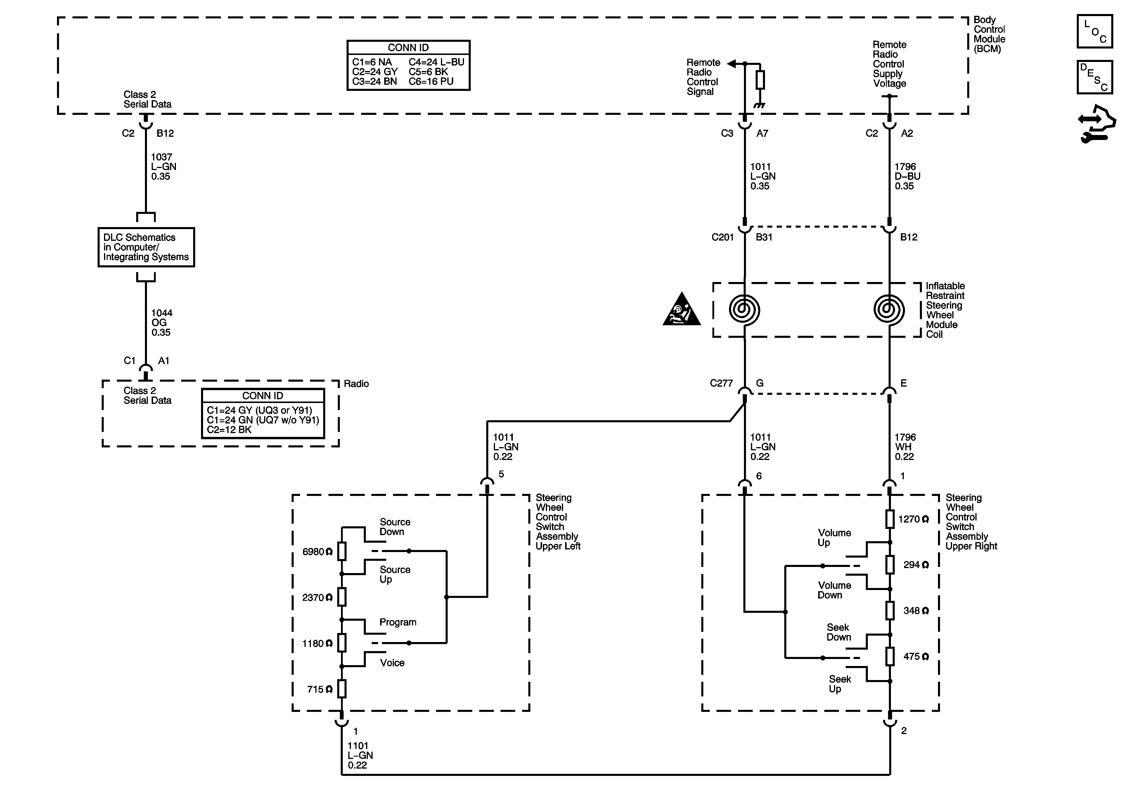
🢒 Steering Wheel Controls
Steering Wheel Controls
Master Electrical Component List
Radio/Audio System Description and Operation
Control Module References
Power, Ground, DLC, and Splice Pack SP205
Entertainment Schematic Icons