GM Service Manual Online
For 1990-2009 cars only
Makes
🢒
Chevrolet
🢒
2007
🢒
Tahoe - 4WD
🢒
Body Systems
🢒
Fixed and Moveable Windows
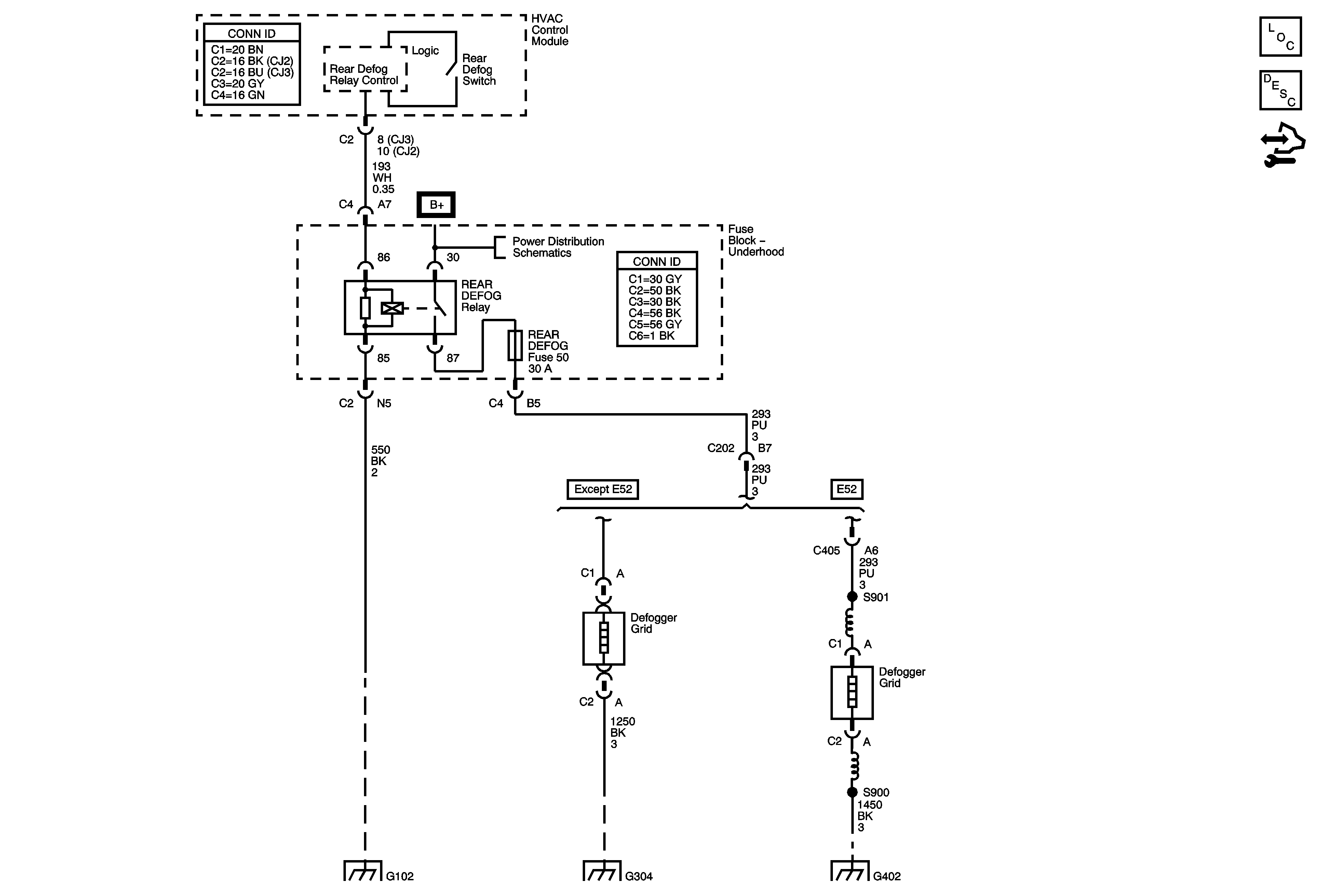
🢒 Defogger Schematics
Master Electrical Component List
Rear Window Defogger Description and Operation
Control Module References
B+ Bus - 1 of 3
G102 and G108
G303, G304, and G305
G402 - E52