GM Service Manual Online
For 1990-2009 cars only
Makes
🢒
Chevrolet
🢒
2009
🢒
Tahoe - 4WD
🢒
Engine
🢒
Engine Electrical - Hybrid (HP2)
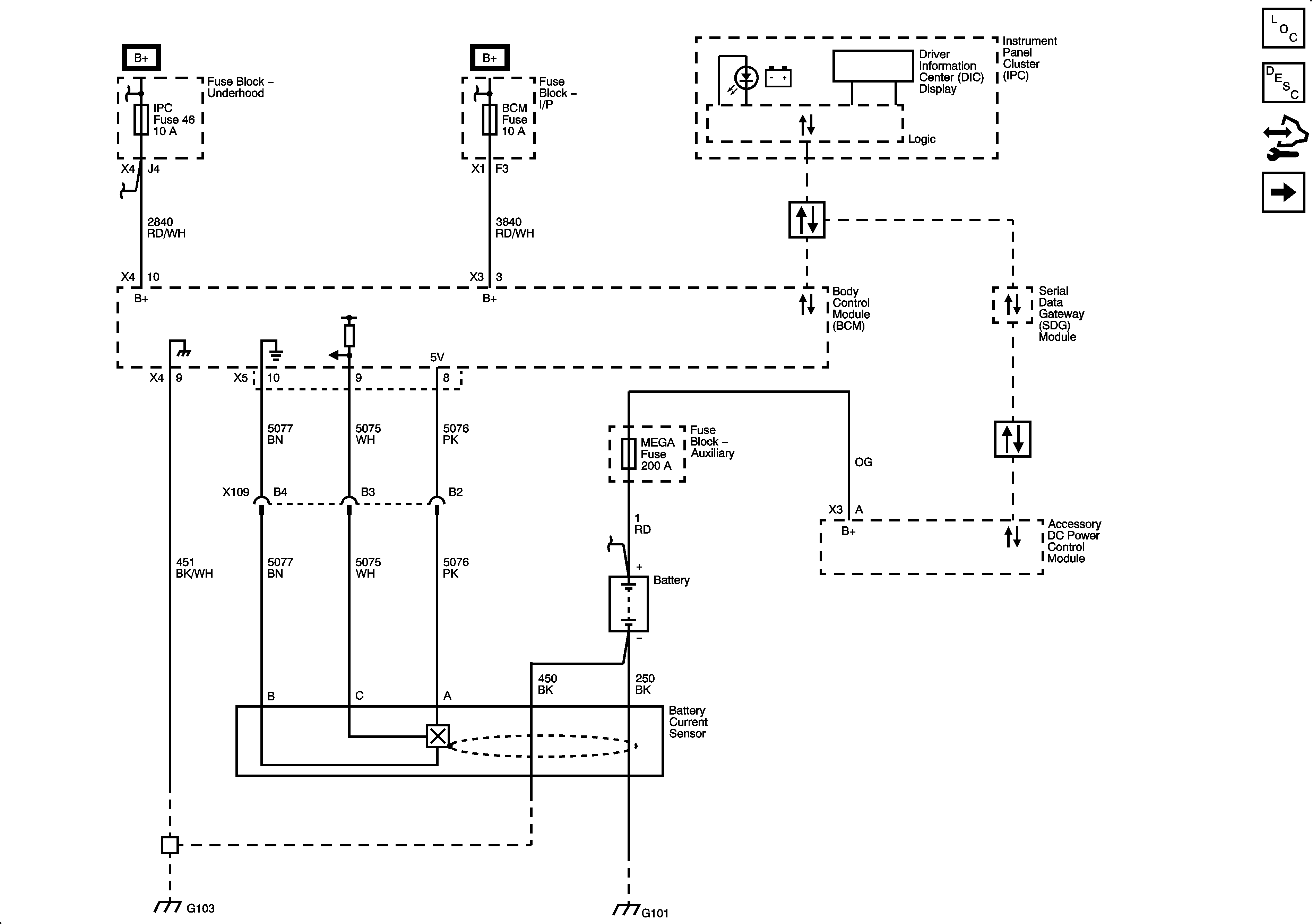
🢒 Starting and Charging Schematics
Charging (HP2)