GM Service Manual Online
For 1990-2009 cars only
Makes
🢒
Chevrolet
🢒
2009
🢒
Tahoe - 4WD
🢒
Diagnostic Navigation
🢒
Vehicle Diagnostic Information
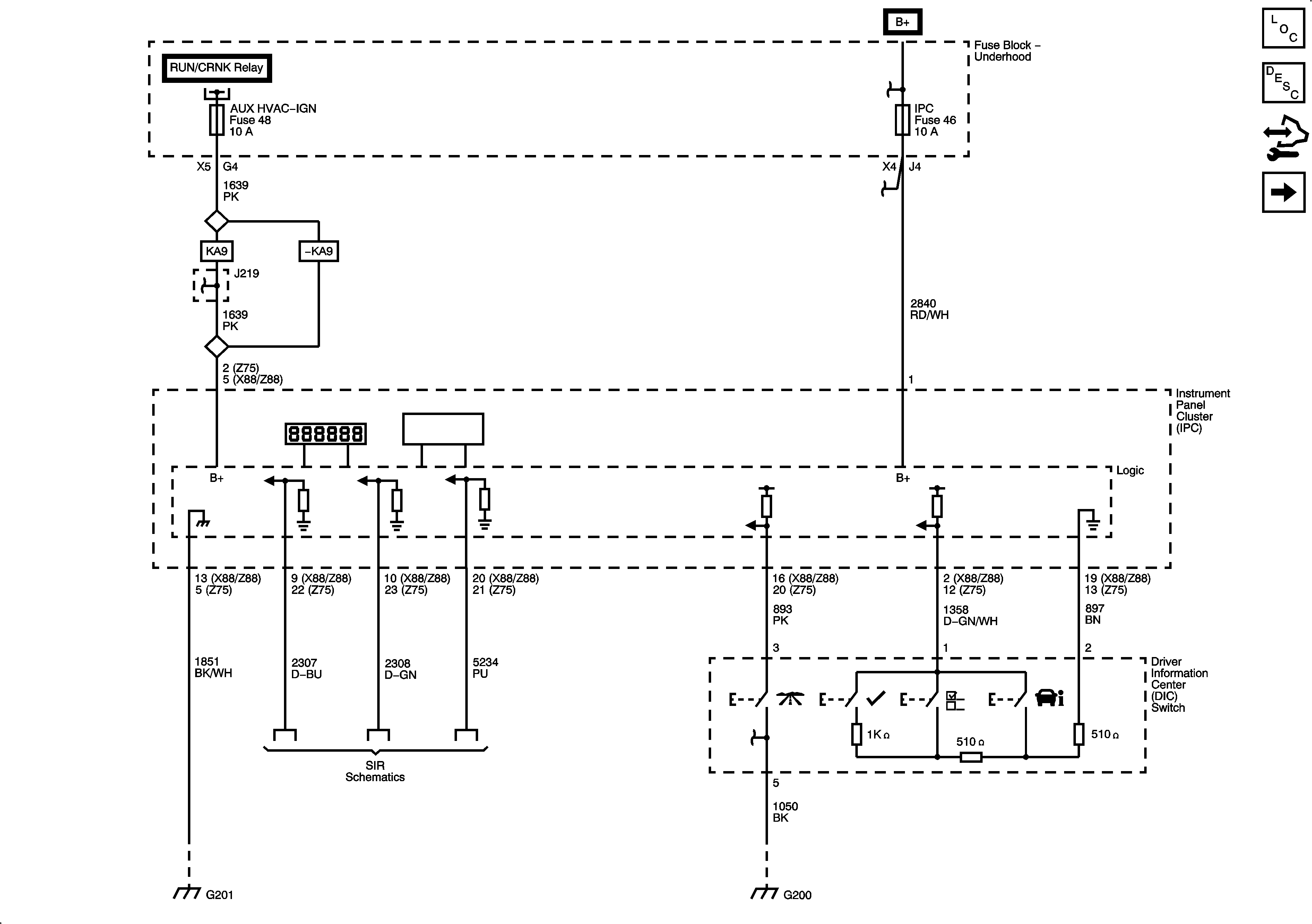
🢒 Instrument Cluster Schematics
Figure
1:
Power, Ground, and Driver Information Center Switch
Figure
2:
Indicators
Figure
3:
Gages