GM Service Manual Online
For 1990-2009 cars only
Makes
🢒
Chevrolet
🢒
2009
🢒
Tahoe - 4WD
🢒
Diagnostic Navigation
🢒
Vehicle Diagnostic Information
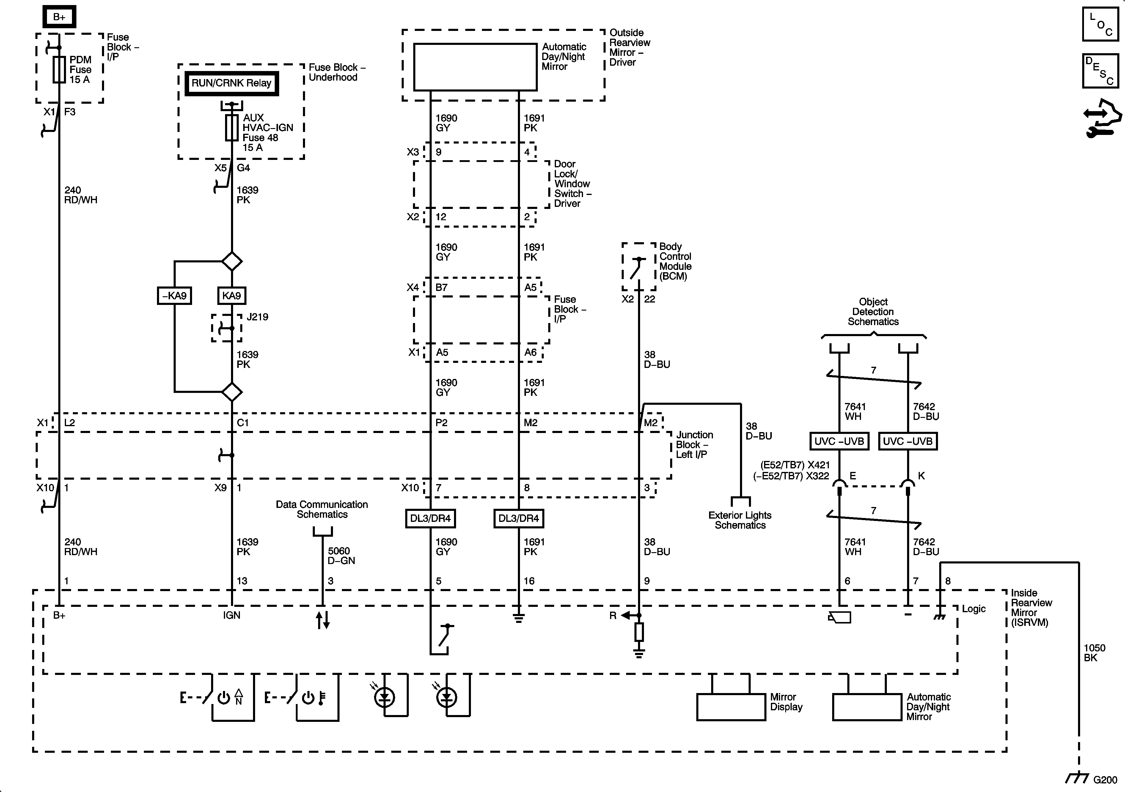
🢒 Inside Rearview Mirror Schematics