GM Service Manual Online
For 1990-2009 cars only
Makes
🢒
Chevrolet
🢒
2009
🢒
Tahoe - 4WD
🢒
Diagnostic Navigation
🢒
Vehicle Diagnostic Information
🢒 Upfitter Provision Schematics
Figure
1:
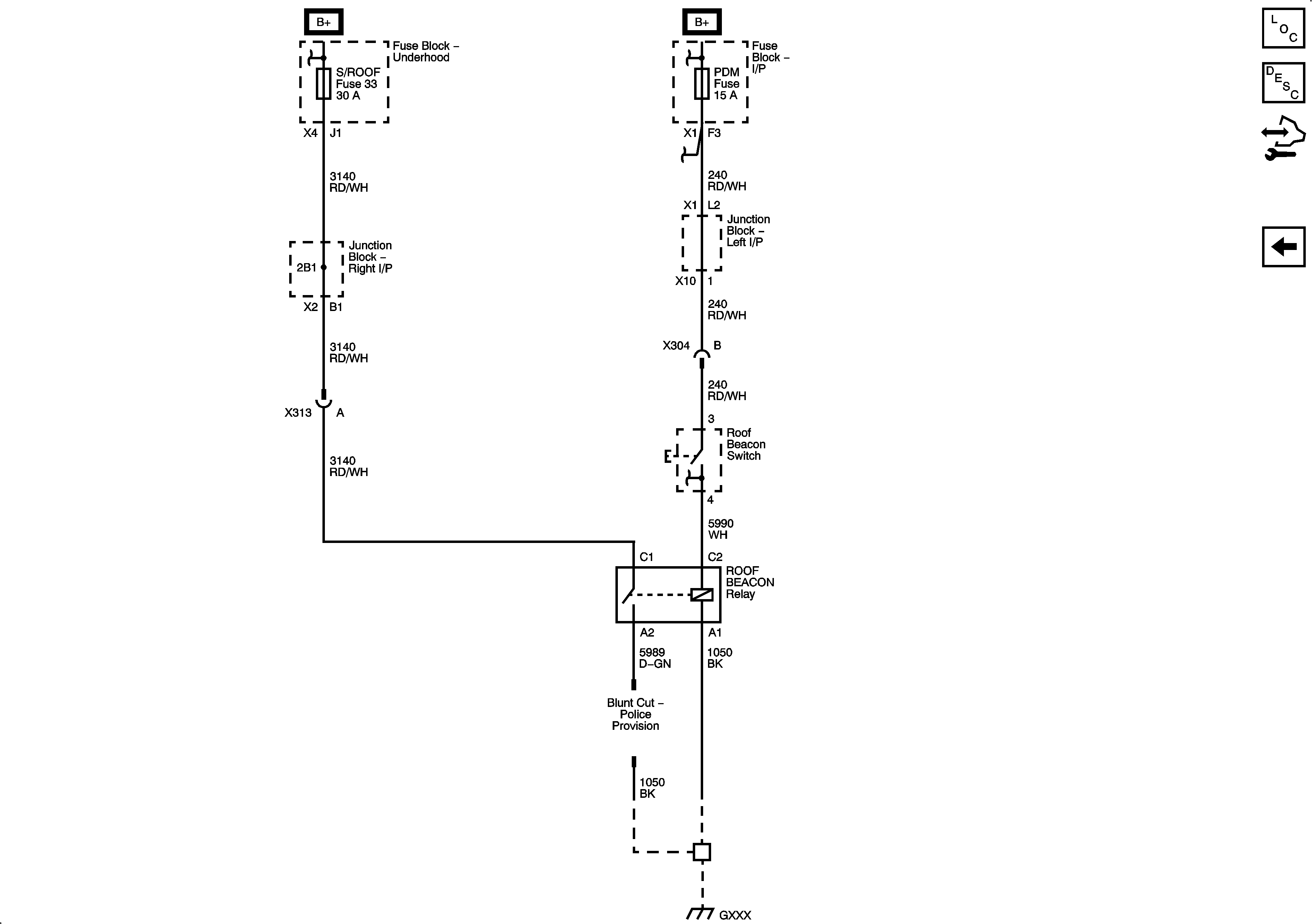
Roof Beacon - TRW/5G4
Figure
2:
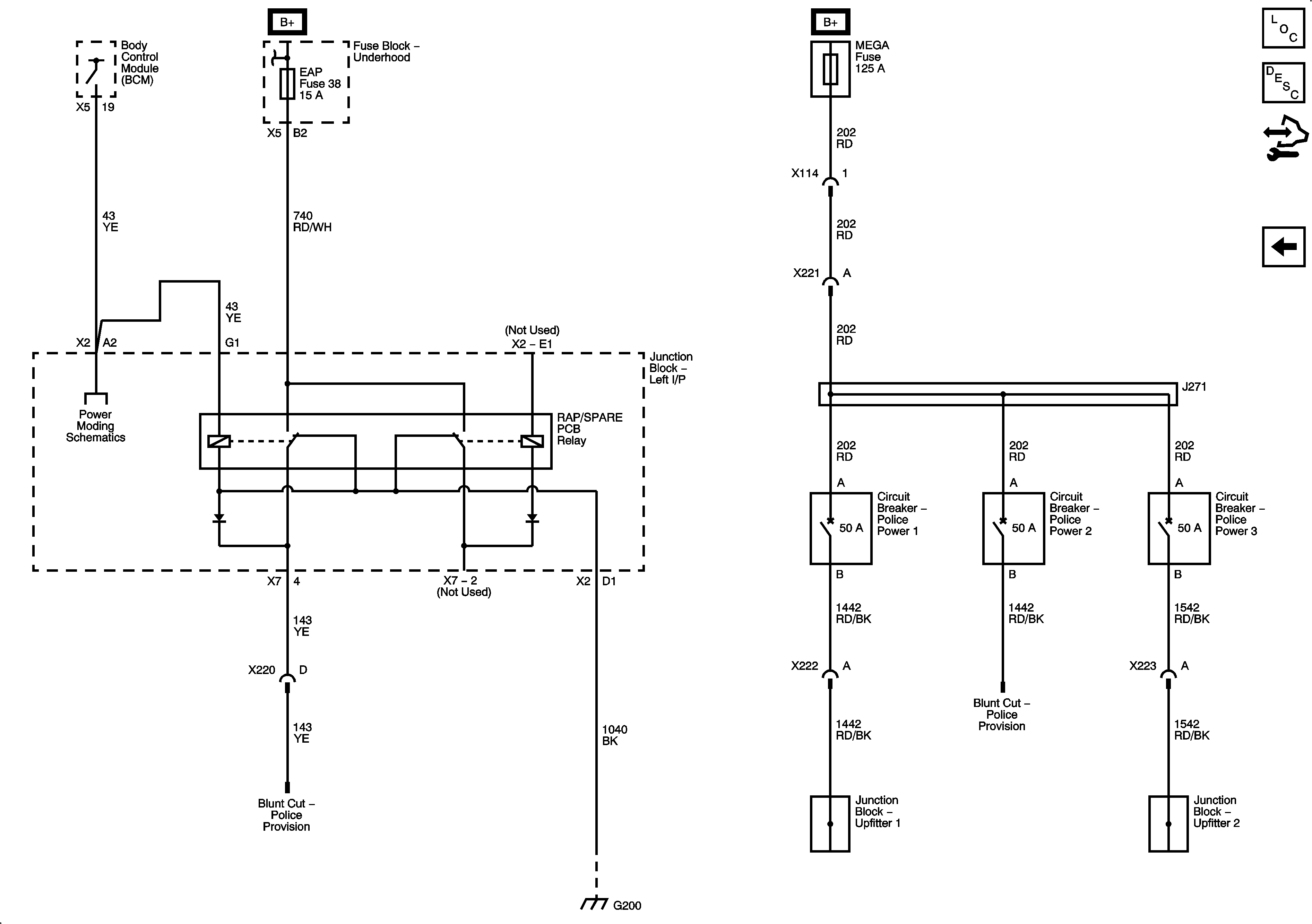
Police Power - 5W4 or PPV