GM Service Manual Online
For 1990-2009 cars only

Refer to Engine Controls Schematics

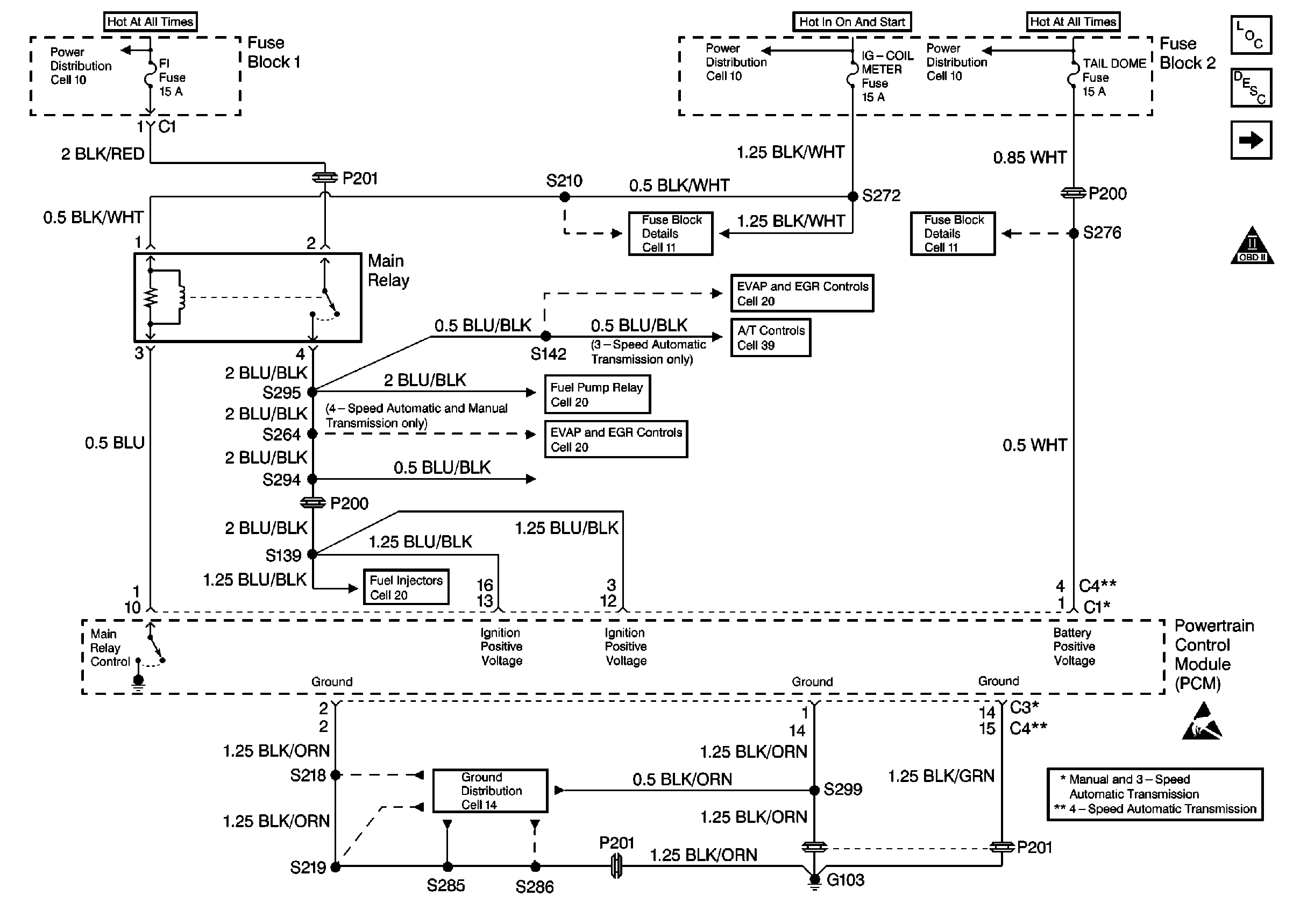
Cell 20: Power and Ground


Object Number: 261499  Size: FS
and

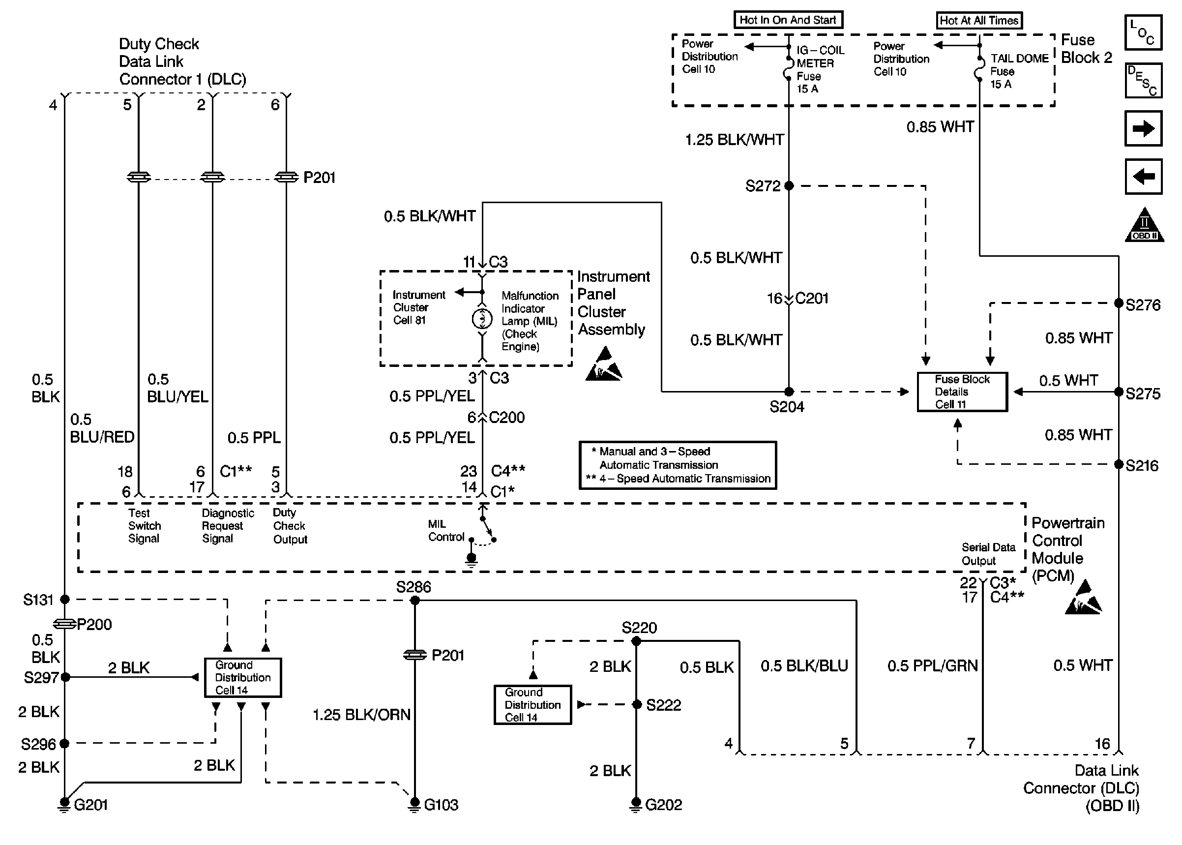
Cell 20: MIL and DLC


Object Number: 261502  Size: FS
.

Description

The Powertrain OBD system check is an organized approach to identifying a problem created by an electronic engine control system malfunction. The Powertrain OBD system check is the starting point for any driveability concern diagnosis, because it directs the service technician to the next logical step in diagnosing the concern. Understanding the table and using it correctly will reduce diagnostic time and prevent the replacement of good parts.

DO NOT perform this check if a driveability concern is not present.

Diagnostic Aids

An intermittent malfunction may be caused by a fault in an engine control system electrical circuit. Inspect the wiring harness and components for any of the following conditions:

    • Backed out terminals.
    • Improper mating of terminals.
    • Broken electrical connector locks.
    • Improperly formed or damaged terminals.
    • Faulty terminal to wire connections.
    • Physical damage to the wiring harness.
    • A broken wire inside the insulation.
    • Corrosion of electrical connections, splices, or terminals.

Test Description

The numbers below refer to the step numbers in the Diagnostic Table.

  1. The Powertrain OBD system check should not be performed unless one of the concerns noted is present. Failure to follow this procedure could lead to misdiagnosis of the system.

  2. The MIL should be on steady with the key on and the engine off.

  3. This step checks if the PCM and the scan tool can communicate (serial data).

  4. This step checks if the vehicle will start.

  5. Before proceeding to the applicable DTC table consider all of the items below.

    • Check for related service bulletins.
    • If multiple DTCs are stored, refer to the DTC tables using the following priority:
        1. PCM error DTCs (P0601, P0603)
        2. System voltage DTCs
        3. Component level DTCs (sensors, switches, relays, output drivers, etc.)
        4. System level DTCs (Misfire, Fuel trim, HO2S lean or rich, etc.)
    • First failures of Type B DTCs will store in Last Test Failed, but not in History. When the MIL is on and a DTC is displayed in History, a current fault is indicated.
    • Transmission DTCs are not located in this section. Refer to Automatic Transmission Diagnostic Information and Procedures.
    • If the scan tool is unable to record DTC information, then record the DTC information on paper.
  1. This step detects a MIL circuit shorted to ground.

  2. Before proceeding to Symptoms or Diagnostic Information and Procedures, check for related service bulletins. The diagnostic tables in this section are designed for use with a properly functioning scan tool. If a faulty scan tool is suspected connect it to another vehicle to verify operation. Serial data communications must be corrected before beginning any other diagnostic procedure. OBD II serial data may not transmit if system voltage is below 9.0 volts or above 16.0 volts. DO NOT clear DTCs unless directed by a diagnostic procedure. Clearing DTCs will also clear valuable Freeze Frame/Failure Record data.

Powertrain On-Board Diagnostic Check

Step

Action

Value(s)

Yes

No

1

Important: 

   • Check for service bulletins.
   • DO NOT turn OFF ignition during this diagnostic unless instructed to do so.
   • DO NOT clear the DTCs unless instructed to do so.

Check for one or more of the following conditions:

    • The malfunction indicator lamp (MIL) illuminates with the engine running.
    • A customer concern of engine performance or driveability.
    • A suspected fault in a PCM controlled component or system.

Did any of the above conditions apply?

--

Go to Step 2

System OK -- Go to Test Descriptions

2

  1. Turn ON the ignition, leaving the engine OFF.
  2. Observe the malfunction indicator lamp (MIL).

Is the MIL illuminated?

--

Go to Step 3

Go to Malfunction Indicator Lamp (MIL) Inoperative

3

  1. Turn OFF the ignition.
  2. Install a scan tool.
  3. Turn ON the ignition, leaving the engine OFF.

Does the scan tool display any PCM data?

--

Go to Step 4

Go to Data Link Connector Diagnosis

4

Start the engine.

Did the engine start and run?

--

Go to Step 5

Go to Engine Cranks but Does Not Run

5

Observe the DTC information. If any DTCs are set, save the DTC and Freeze Frame/Failure Record information.

Were any DTCs set?

--

Go to Test Description Number 5

Go to Step 6

6

Is the MIL ON with no DTCs set?

--

Go to Malfunction Indicator Lamp (MIL) Always On

Go to Step 7

7

Compare the scan tool data display with the data values shown in the Engine Scan Tool Data List.

Are the displayed values normal or within the typical values range?

--

Go to Symptoms

Go to the Diagnostic Aids of the DTCs related to that component