GM Service Manual Online
For 1990-2009 cars only

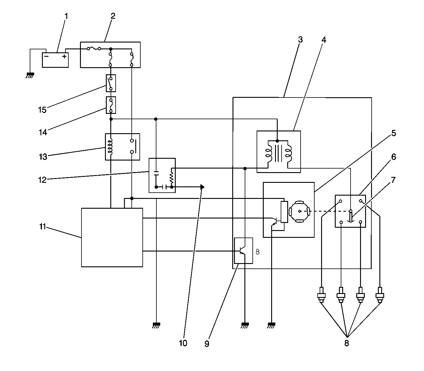
Ignition Circuit


Object Number: 516381  Size: LF
(1)Battery
(2)Main Fuse
(3)Distributor
(4)Ignition Coil
(5)Camshaft Position (CMP) Sensor
(6)Distributor Cap
(7)Distributor Rotor
(8)Spark Plugs
(9)Igniter
(10)Tachometer Input (if equipped)
(11)Engine Control Module (ECM)
(12)Noise Suppressor
(13)Main Relay
(14)Fuse Box
(15)Ignition Switch

The ignition circuit consists of the following components:

    • The battery
    • The distributor
    • The ignition switch
    • The ignition control module (igniter)
    • The spark plugs
    • The primary wiring
    • The secondary wiring

This vehicle uses an ignition control (IC) system which is monitored and controlled by the powertrain control module (PCM).

The distributor used within the ignition system consists of a signal generator and (signal rotor and camshaft position (CMP) sensor) and rotor. All spark timing changes in the distributor are performed electronically by the PCM. The PCM monitors information from various engine sensors, computes desired spark timing and signals the distributor to change the timing accordingly. No vacuum or mechanical advance mechanisms are used. The ignition system also includes a noise suppressor filter to eliminate ignition sound. The noise suppressor filter also provides the tachometer (if equipped) with an ignition signal.

The ignition system on this vehicle uses the ESA (Electronic Spark Advance) system and consists of the following parts:

    • The Powertrain Control Module (PCM): The PCM analyzes the engine's ignition requirements using sensor inputs, the PCM's internal programming, and factoring in the saturation time of the ignition coil windings. The PCM then determines optimal ignition timing and signals the Ignition Control Module.
    •  The Ignition Control Module: The Ignition Control Module turns ON and OFF the Primary current of the ignition coil according to the signal from the PCM.
    •  The Ignition Coil: The ignition coil is located in the distributor. When the ignition coil primary current is turned OFF, a high voltage is induced in the secondary winding.
    •  The Distributor: The distributor distributes a high voltage current induced by the ignition coil to each spark plug.
    •  The High Tension Secondary Ignition Wires
    •  The Spark Plugs
    •  The Camshaft Position (CMP) sensor: Located in the distributor, the CMP sensor converts the crank angle into a digital voltage signal and sends the signal to the PCM.

In the ESA system, the PCM is programmed for the best possible ignition timing for every engine condition. The PCM processes information from the sensors (MAF sensor, TP sensor, ECT sensor, MAP sensor, IAT sensor, VSS, etc.) and selects the most suitable ignition timing from its memory. The ignition control module receives the signal from the PCM and triggers the ignition coil accordingly.

Secondary Wiring

The secondary (spark plug) wiring used with the ignition system withstands very high temperatures, thus providing an excellent insulator for the high voltages generated by the ignition system. The spark plug boot forms a tight seal on the spark plug. The boot should always be twisted one-half turn before removing the secondary wire from the spark plug.

The material used to construct the spark plug wiring is very soft. This allows the wiring to withstand more heat and carry a higher voltage than traditional wiring; however, the wire is more susceptible to scuffing and damage. The secondary wires must be routed correctly to prevent chafing or cutting. When removing a secondary wire from a spark plug, a distributor, or an ignition coil, twist the boot one-half turn and pull on the boot only.

Be careful not to damage the secondary ignition wires or boots when servicing the ignition system. Never pierce a secondary ignition wire or boot for any testing purposes. Future ignition system problems are guaranteed if pinpoints or test lights are pushed through the secondary ignition wire insulation during component testing.

Spark Plugs

Notice: Allow the engine to cool down before removing the spark plugs. Removing the spark plugs from an engine at operating temperature may damage the spark plug threads in the aluminum cylinder head..

Normal service is considered to be a mixture of idling, slow-speed and high-speed driving. Occasional or intermittent highway driving is needed for good spark plug performance. The higher combustion temperature generated during highway driving burns away any deposits of carbon or oxides that build up from frequent idling or continuous stop-and-go driving. Spark plugs are protected by an insulating nipple made of special heat-resistant material, which covers the spark plug terminal and extends downward over a portion of the plug insulator. These nipples prevent flash-over which causes engine misfiring. Do not mistake corona discharge for flash-over, or a shorted insulator. Corona discharge is a steady blue light appearing around the insulator, just above the shell crimp. It is the visible evidence of a high-tension field and has no effect on ignition performance.

Spark plugs must operate within certain temperature limits if they are to provide the performance and service life expected. The spark plug selected for an engine is based on the normal service for which the engine was designed and may not perform satisfactorily under other than normal operating conditions. For almost exclusive city driving, a spark plug one step higher in the heat range might deliver longer service life than the spark plug recommended. Conversely, a spark plug one step colder will perform better for heavy loads or continual high-speed driving.

There are three rules to follow when selecting spark plugs for an engine in good condition.

  1. Select a spark plug with the specified heat range.
  2. If spark plug overheating occurs, select a spark plug that is one heat range lower than the specified heat range.
  3. If fouling is a problem, select a spark plug that is one heat range higher than the specified heat range.

Spark Plug Usage

Engine

Gap

Spark Plug

1.6L

0.71 mm (0.028 in)

Denso K20PR-U

NGK BKR6E

AC R43XLS

Ignition Switch

The ignition switch is located on the right side of the steering column below the steering wheel. The electrical and mechanical portions of the switch work in conjunction with each other. For more information regarding the ignition switch and the key and lock cylinder, refer to Ignition Switch Replacement - On Vehicle in Steering Wheel and Column.