GM Service Manual Online
For 1990-2009 cars only
Makes
🢒
Chevrolet
🢒
1998
🢒
Tracker - 2WD
🢒
Brakes
🢒
Hydraulic Brakes
🢒 Brake Warning System Schematics
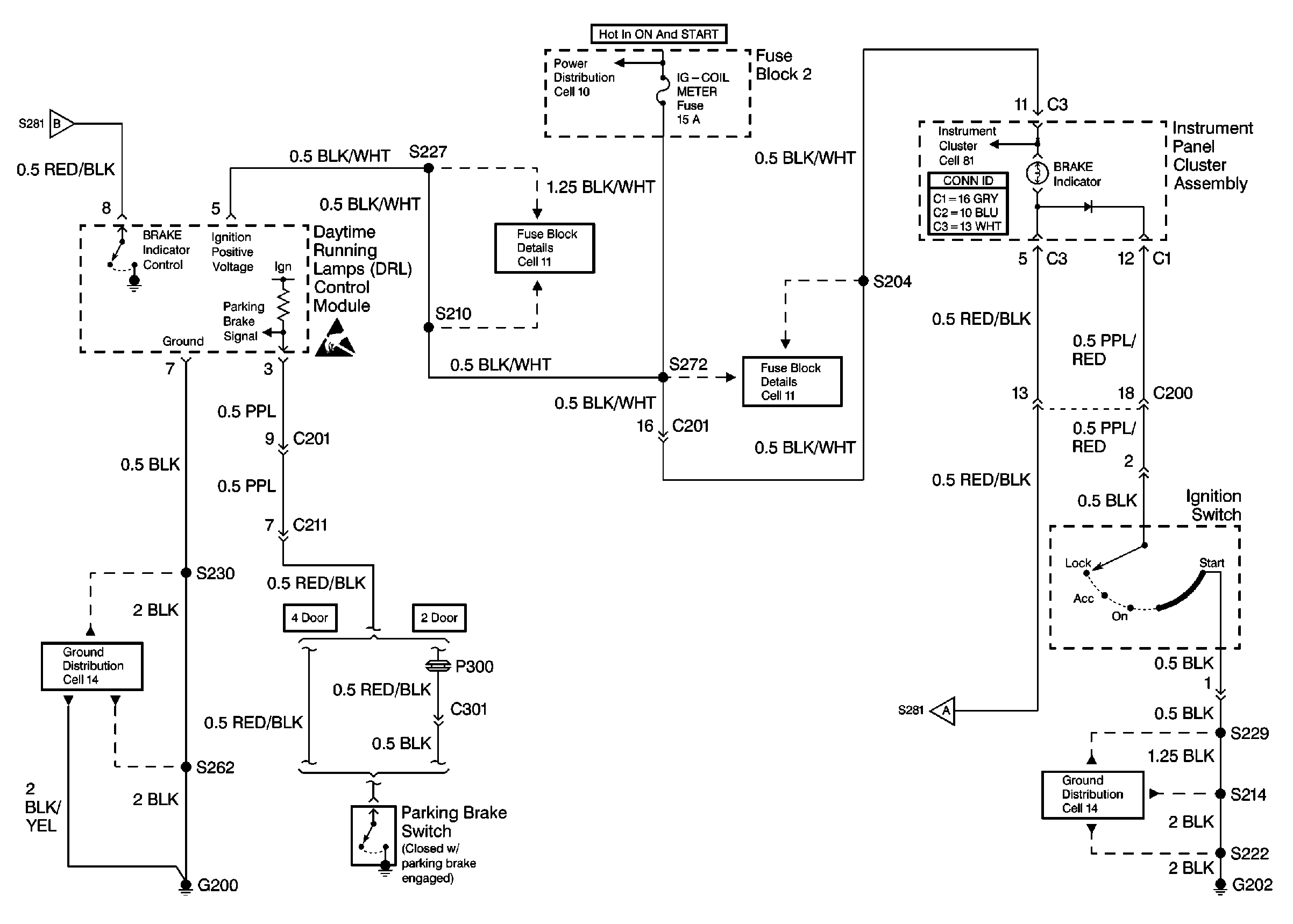
Figure
1:
Cell 41: I/P, Brake Indicator, Ignition Switch, DRL Control Module, Fuse Block 2, and Parking Brake Switch
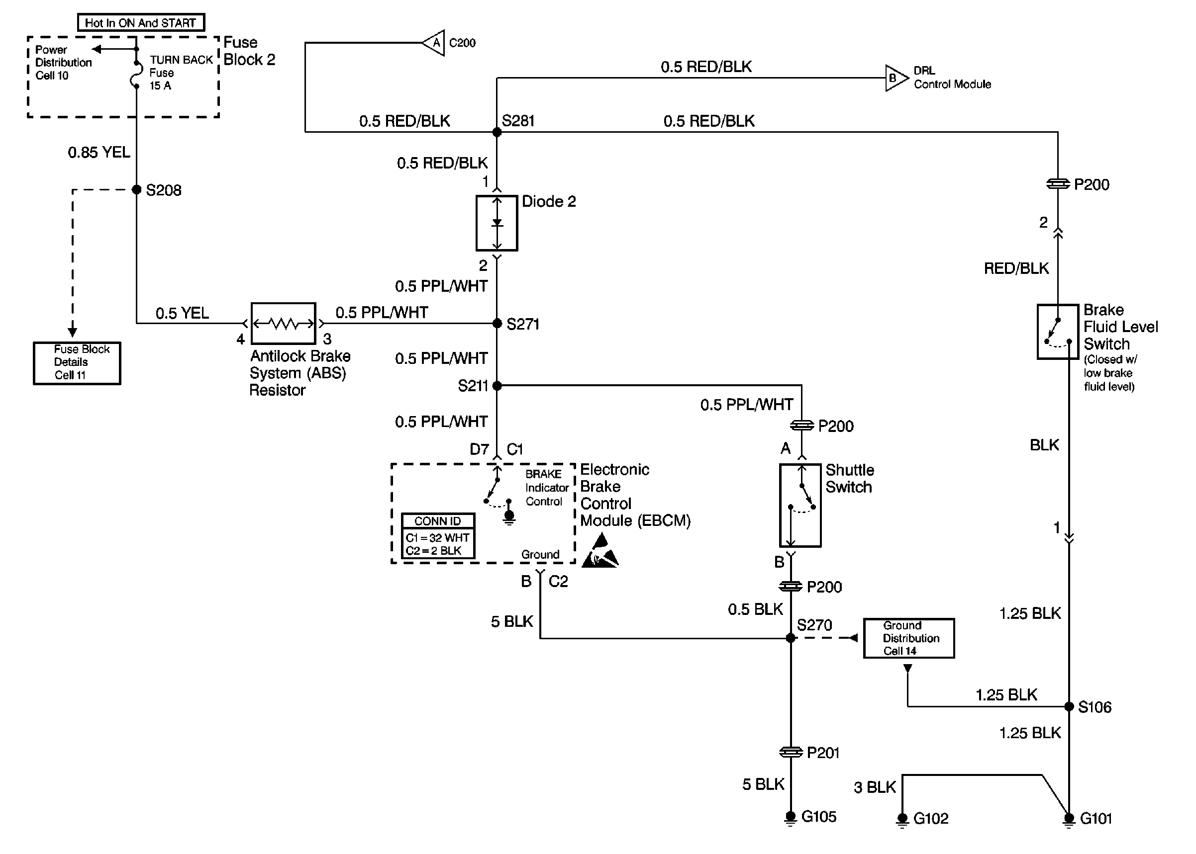
Figure
2:
Cell 41: Brake Fluid Level Switch, Shuttle Switch, EBCM, ABS Resistor, Diode 2, and Fuse Block 2