GM Service Manual Online
For 1990-2009 cars only
Makes
🢒
Chevrolet
🢒
1998
🢒
Tracker - 2WD
🢒
Body and Accessories
🢒
Lighting Systems
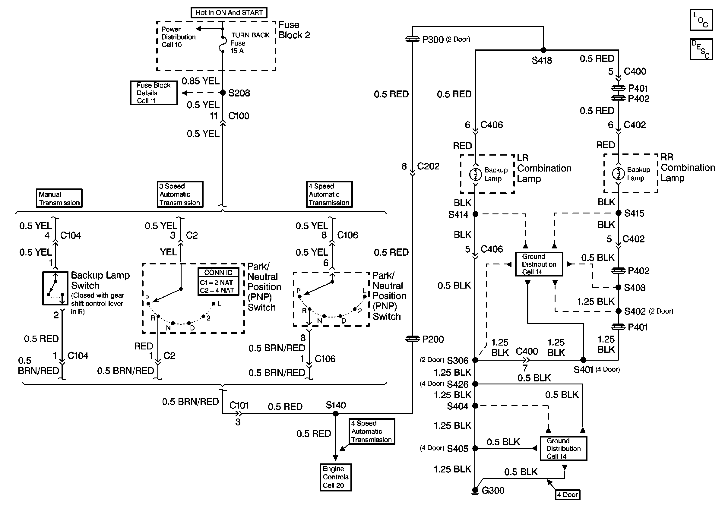
🢒 Backup Lamp Schematics
Cell 112
Fuse Block Schematics
Ground Distribution Schematics
Engine Controls Schematics
Lighting Systems Components
Backup Lamp Circuit Description