GM Service Manual Online
For 1990-2009 cars only
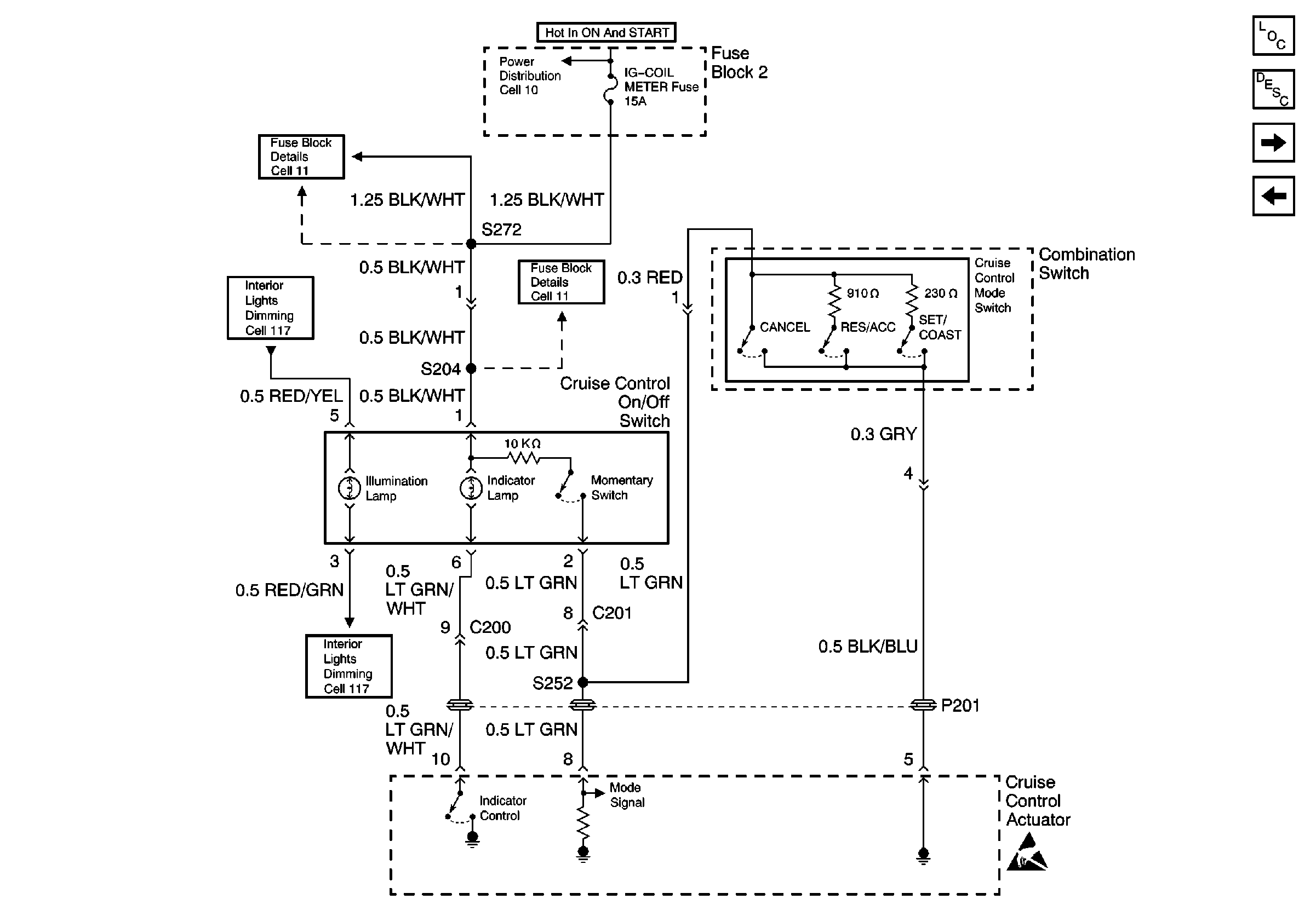
Figure 1:

Stoplamp Switch


Object Number: 356722  Size: FS
Power Distribution Schematics
Power Distribution Schematics
Fuse Block Schematics
Fuse Block Schematics
Exterior Lights Schematics
Column/Ignition Lock Schematics
Ground Distribution Schematics
Handling ESD Sensitive Parts Notice
Handling ESD Sensitive Parts Notice
Cruise Control Components
Cruise Control System Circuit Description
Combination Switch
Engine Controls Schematics
Antilock Brake System Schematics
Figure 2:

Combination Switch


Object Number: 356724  Size: FS
Power Distribution Schematics
Power Distribution Schematics
Interior Lights Dimming Schematics
Interior Lights Dimming Schematics
Power Distribution Schematics
Ground Distribution Schematics
Cruise Control Components
Cruise Control System Circuit Description
CCP Interrupt Switch
Stoplamp Switch
Handling ESD Sensitive Parts Notice
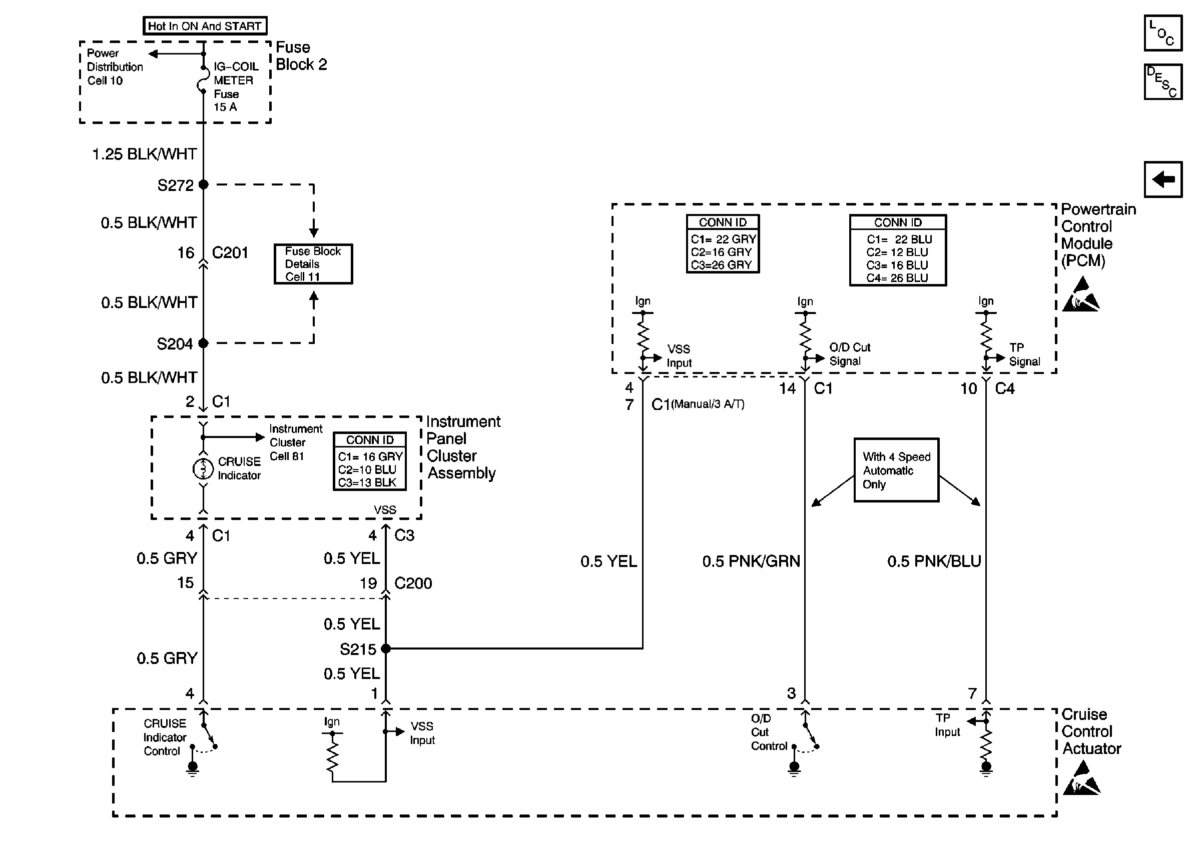
Figure 3:

CCP Interrupt Switch


Object Number: 356727  Size: FS
Handling ESD Sensitive Parts Notice
Ground Distribution Schematics
Cruise Control Components
Cruise Control System Circuit Description
IP Cluster Assembly
Combination Switch
Engine Controls Schematics
Figure 4:

IP Cluster Assembly


Object Number: 356729  Size: FS
Power Distribution Schematics
Fuse Block Schematics
Instrument Cluster: Analog Schematics
Handling ESD Sensitive Parts Notice
Handling ESD Sensitive Parts Notice
Cruise Control Components
Cruise Control System Circuit Description
CCP Interrupt Switch