GM Service Manual Online
For 1990-2009 cars only
Makes
🢒
Chevrolet
🢒
1999
🢒
Tracker - 2WD
🢒
Body and Accessories
🢒
Instrument Panel, Gauges, and Console
🢒 Audible Warnings Schematics
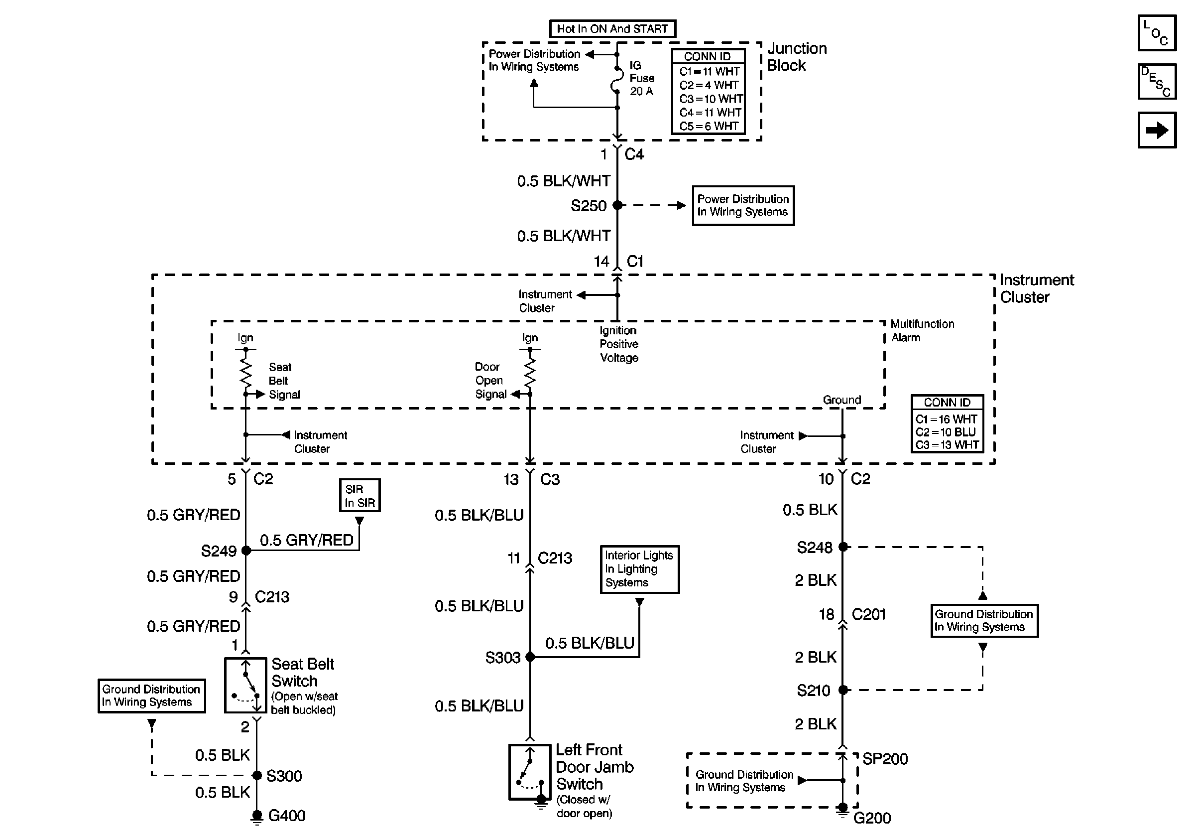
Figure
1:
Multifunction Alarm and Seat Belt/Jamb Switches
Audible Warnings Components
Audible Warnings Circuit Description
Ignition Switch, Tail Relay, and Turn Signal/Headlamp Switch
IG, TURN and WIP Fuses
IG, TURN and WIP Fuses
G200 (1 of 2)
G200 (1 of 2)
2 Door DRL, Dome Lamp Diode
SIR Schematics
G400 and G401
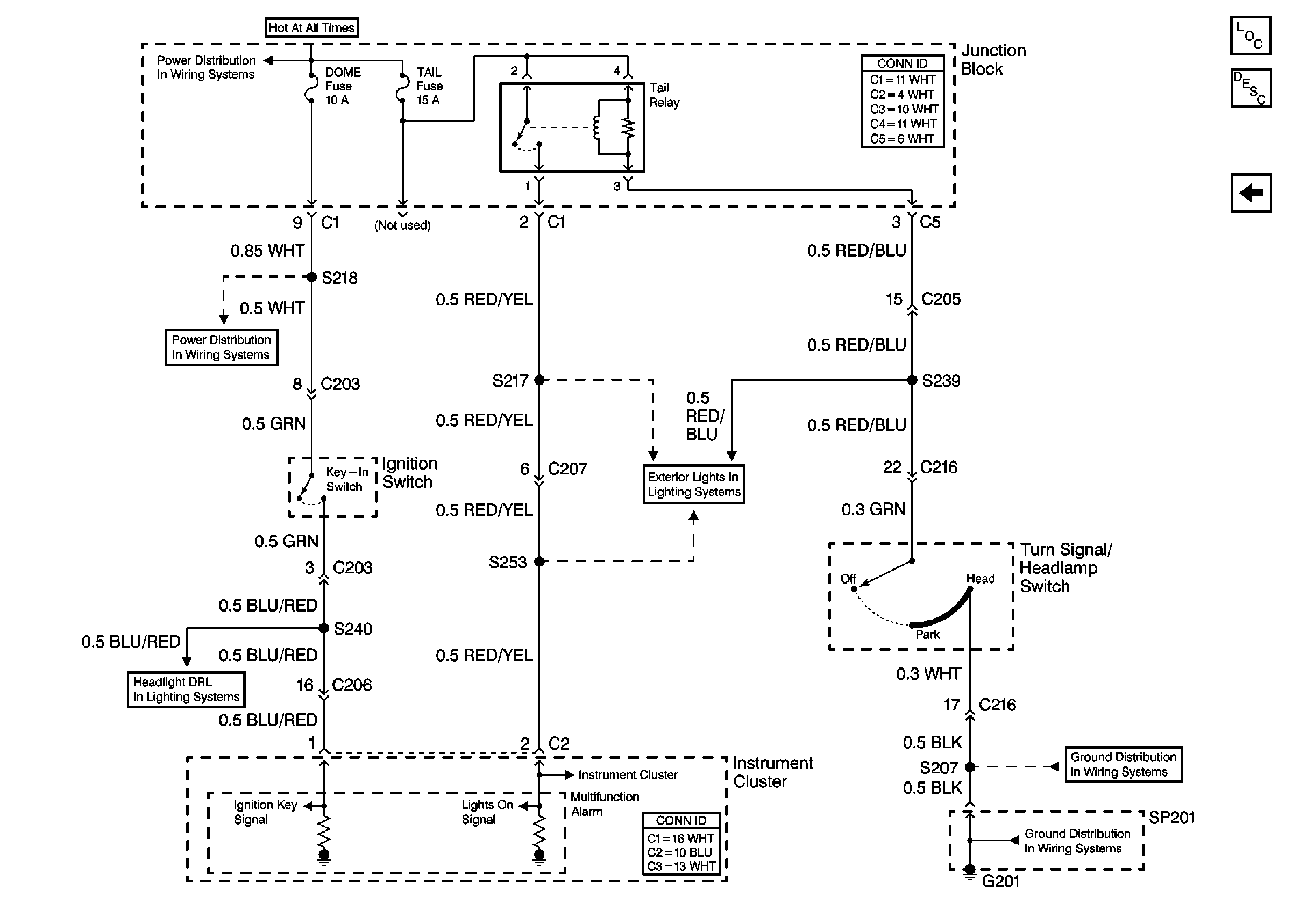
Figure
2:
Ignition Switch, Tail Relay, and Turn Signal/Headlamp Switch
Audible Warnings Components
Audible Warnings Circuit Description
Multifunction Alarm and Seat Belt/Jamb Switches
G200-G201
G201
Front Park Lamps
Power, Ground, Park Brake Switch, Generator
HAZ, D/L, TAIL, STOP and DOME Fuses
HAZ, D/L, TAIL, STOP and DOME Fuses