GM Service Manual Online
For 1990-2009 cars only
Figure 1:

Power and Ground


Object Number: 478214  Size: FS
Engine Controls Components
MIL and DLC
Handling ESD Sensitive Parts Notice
H/L, HTR, IG and LAMP Fuses
HAZ, D/L, TAIL, STOP and DOME Fuses
BATT, ABS, FI and ACC Fuses
BATT, ABS, FI and ACC Fuses
Handling ESD Sensitive Parts Notice
G100, G101 and G102
Figure 2:

MIL and DLC


Object Number: 478216  Size: FS
Ignition System
Power and Ground
Handling ESD Sensitive Parts Notice
IG, TURN and WIP Fuses
H/L, HTR, IG and LAMP Fuses
(Engine Indicators)
SIR Schematics
G202
G200 (2 of 2)
HAZ, D/L, TAIL, STOP and DOME Fuses
Engine Controls Components
Handling ESD Sensitive Parts Notice
Figure 3:

Ignition System


Object Number: 478217  Size: FS
Engine Controls Components
CMP and CKP Sensors
MIL and DLC
Handling ESD Sensitive Parts Notice
IG Fuse
Radio/Audio System Schematics
G103
IG Fuse
Handling ESD Sensitive Parts Notice
Handling ESD Sensitive Parts Notice
Starting System
Figure 4:

CMP and CKP Sensors


Object Number: 478219  Size: FS
Engine Controls Components
Fuel Supply System
Ignition System
Handling ESD Sensitive Parts Notice
G103
Handling ESD Sensitive Parts Notice
(ECT, Fuel Gages, Tachometer and Oil Indicator)
IG, TURN and WIP Fuses
BATT, ABS, FI and ACC Fuses
IG, TURN and WIP Fuses
Figure 5:

Fuel Supply System


Object Number: 478220  Size: FS
Engine Controls Components
Fuel Injectors
CMP and CKP Sensors
Handling ESD Sensitive Parts Notice
G400 and G401
IG Fuse
IG Fuse
(ECT, Fuel Gages, Tachometer and Oil Indicator)
G103
Handling ESD Sensitive Parts Notice
BATT, ABS, FI and ACC Fuses
Figure 6:

Fuel Injectors


Object Number: 478222  Size: FS
Engine Controls Components
Engine Data Sensors
Fuel Supply System
Handling ESD Sensitive Parts Notice
Handling ESD Sensitive Parts Notice
BATT, ABS, FI and ACC Fuses
Figure 7:

Engine Data Sensors


Object Number: 478223  Size: FS
Engine Controls Components
HO2S Sensors
Fuel Injectors
Handling ESD Sensitive Parts Notice
Handling ESD Sensitive Parts Notice
Figure 8:

HO2S Sensors


Object Number: 478225  Size: FS
Engine Controls Components
IAC Valve, MAF Sensor and VSS
Engine Data Sensors
Handling ESD Sensitive Parts Notice
G100, G101 and G102
CIG, DEF and P/W Fuses
IG Fuse
Handling ESD Sensitive Parts Notice
Figure 9:

IAC Valve, MAF Sensor and VSS


Object Number: 478241  Size: FS
Engine Controls Components
EGR Valve and EVAP Controls
HO2S Sensors
Handling ESD Sensitive Parts Notice
G103
Handling ESD Sensitive Parts Notice
(VSS Circuit)
BATT, ABS, FI and ACC Fuses
Figure 10:

EGR Valve and EVAP Controls


Object Number: 478243  Size: FS
Engine Controls Components
Four Wheel Drive Inputs/Outputs
IAC Valve, MAF Sensor and VSS
Handling ESD Sensitive Parts Notice
Handling ESD Sensitive Parts Notice
BATT, ABS, FI and ACC Fuses
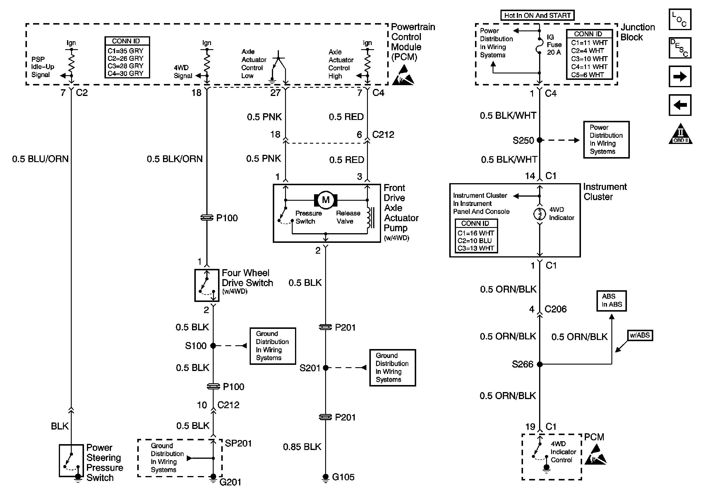
Figure 11:

Four Wheel Drive Inputs/Outputs


Object Number: 478247  Size: FS
Engine Controls Components
A/C Controls and Idle-Up Signals
EGR Valve and EVAP Controls
Handling ESD Sensitive Parts Notice
IG, TURN and WIP Fuses
ABS Schematics
Handling ESD Sensitive Parts Notice
IG, TURN and WIP Fuses
(Engine Indicators)
Handling ESD Sensitive Parts Notice
G105
G201
G201
Figure 12:

A/C Controls and Idle-Up Signals


Object Number: 478250  Size: FS
Engine Controls Components
Four Wheel Drive Inputs/Outputs
Handling ESD Sensitive Parts Notice
Handling ESD Sensitive Parts Notice
Handling ESD Sensitive Parts Notice
Ground, A/C and Pressure Switches
Front Park Lamps
Front Park Lamps
Handling ESD Sensitive Parts Notice
ABS Schematics