GM Service Manual Online
For 1990-2009 cars only
Figure 1:

Power and Ground


Object Number: 478214  Size: FS
Engine Controls Components
MIL and DLC
Handling ESD Sensitive Parts Notice
Handling ESD Sensitive Parts Notice
G100, G101 and G102
H/L, HTR, IG and LAMP Fuses
HAZ, D/L, TAIL, STOP and DOME Fuses
BATT, ABS, FI and ACC Fuses
Figure 2:

MIL and DLC


Object Number: 478216  Size: FS
Engine Controls Components
Ignition System
Power and Ground
Handling ESD Sensitive Parts Notice
IG, TURN and WIP Fuses
Handling ESD Sensitive Parts Notice
(Engine Indicators)
HAZ, D/L, TAIL, STOP and DOME Fuses
SIR Schematics
G202
G200 (2 of 2)
H/L, HTR, IG and LAMP Fuses
Figure 3:

Ignition System


Object Number: 478268  Size: FS
Engine Controls Components
CMP and CKP Sensors
MIL and DLC
Handling ESD Sensitive Parts Notice
H/L, HTR, IG and LAMP Fuses
H/L, HTR, IG and LAMP Fuses
Radio/Audio System Schematics
Handling ESD Sensitive Parts Notice
G103
Figure 4:

CMP and CKP Sensors


Object Number: 478273  Size: FS
Engine Controls Components
Fuel Supply System
Ignition System
Handling ESD Sensitive Parts Notice
G103
IG, TURN and WIP Fuses
(ECT, Fuel Gages, Tachometer and Oil Indicator)
Handling ESD Sensitive Parts Notice
BATT, ABS, FI and ACC Fuses
H/L, HTR, IG and LAMP Fuses
Figure 5:

Fuel Supply System


Object Number: 478220  Size: FS
Engine Controls Components
Fuel Injectors
CMP and CKP Sensors
Handling ESD Sensitive Parts Notice
G400 and G401
H/L, HTR, IG and LAMP Fuses
H/L, HTR, IG and LAMP Fuses
G103
(ECT, Fuel Gages, Tachometer and Oil Indicator)
Handling ESD Sensitive Parts Notice
BATT, ABS, FI and ACC Fuses
Figure 6:

Fuel Injectors


Object Number: 478222  Size: FS
Engine Controls Components
Engine Data Sensors
Fuel Supply System
Handling ESD Sensitive Parts Notice
Handling ESD Sensitive Parts Notice
BATT, ABS, FI and ACC Fuses
Figure 7:

Engine Data Sensors


Object Number: 478223  Size: FS
Engine Controls Components
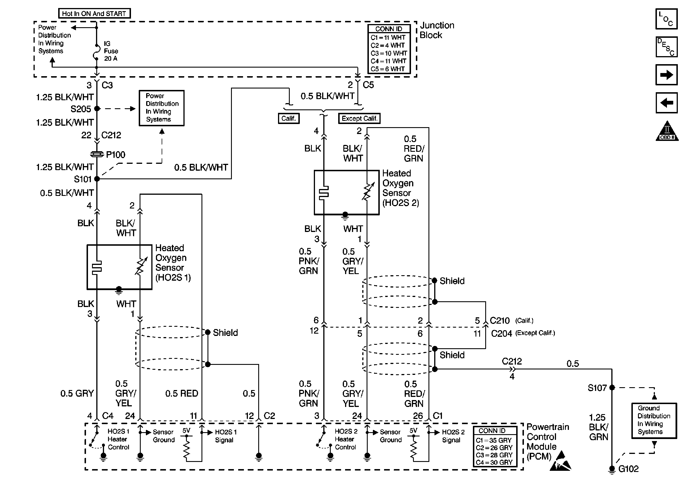
HO2S Sensors
Fuel Injectors
Handling ESD Sensitive Parts Notice
Handling ESD Sensitive Parts Notice
Figure 8:

HO2S Sensors


Object Number: 478225  Size: FS
Engine Controls Components
IAC, MAF Sensor and VSS
Engine Data Sensors
Handling ESD Sensitive Parts Notice
G100, G101 and G102
H/L, HTR, IG and LAMP Fuses
H/L, HTR, IG and LAMP Fuses
Handling ESD Sensitive Parts Notice
Figure 9:

IAC, MAF Sensor and VSS


Object Number: 478241  Size: FS
Engine Controls Components
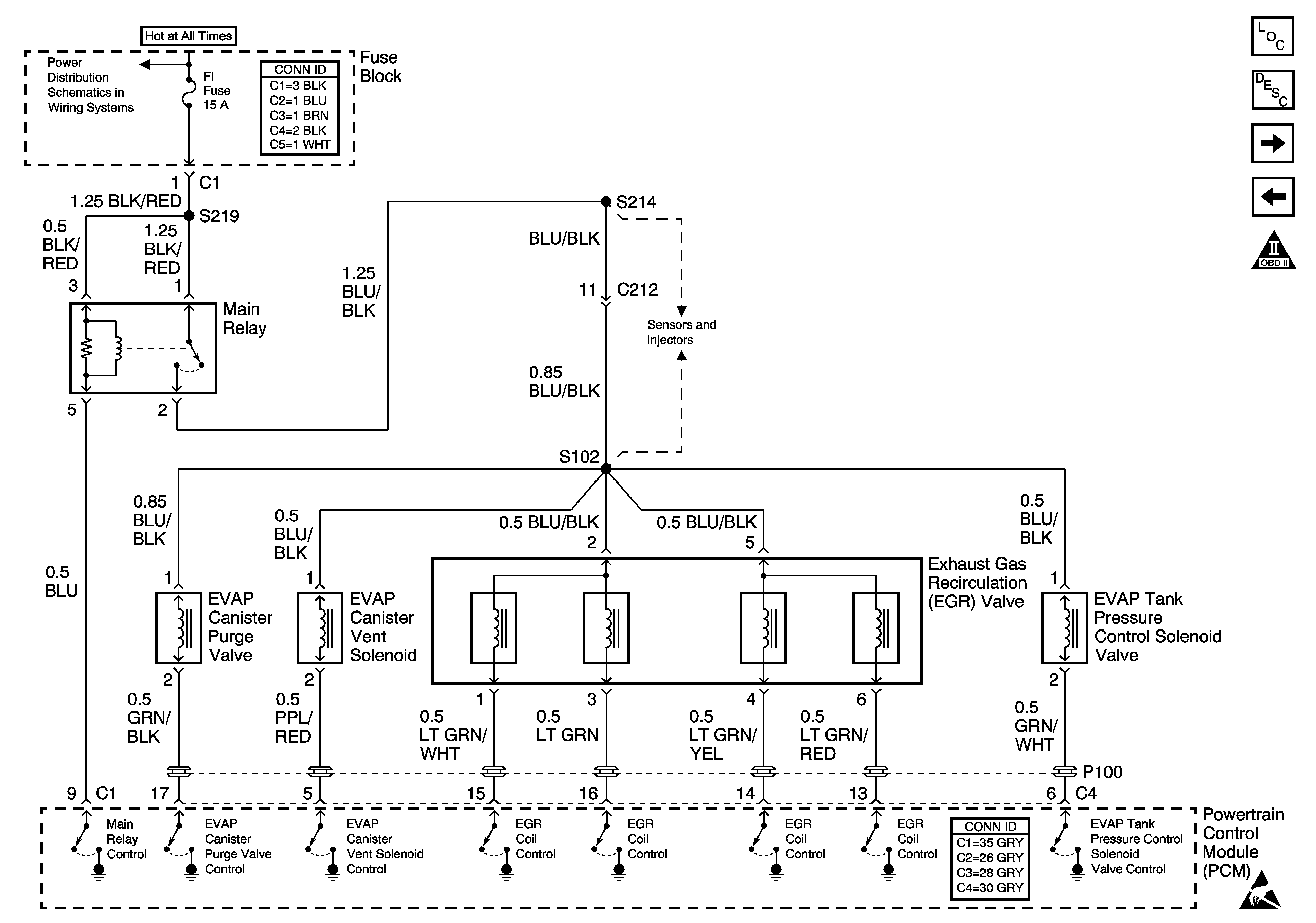
EGR Valve and EVAP Controls
HO2S Sensors
Handling ESD Sensitive Parts Notice
G103
Handling ESD Sensitive Parts Notice
(VSS Circuit)
BATT, ABS, FI and ACC Fuses
Figure 10:

EGR Valve and EVAP Controls


Object Number: 478282  Size: FS
Engine Controls Components
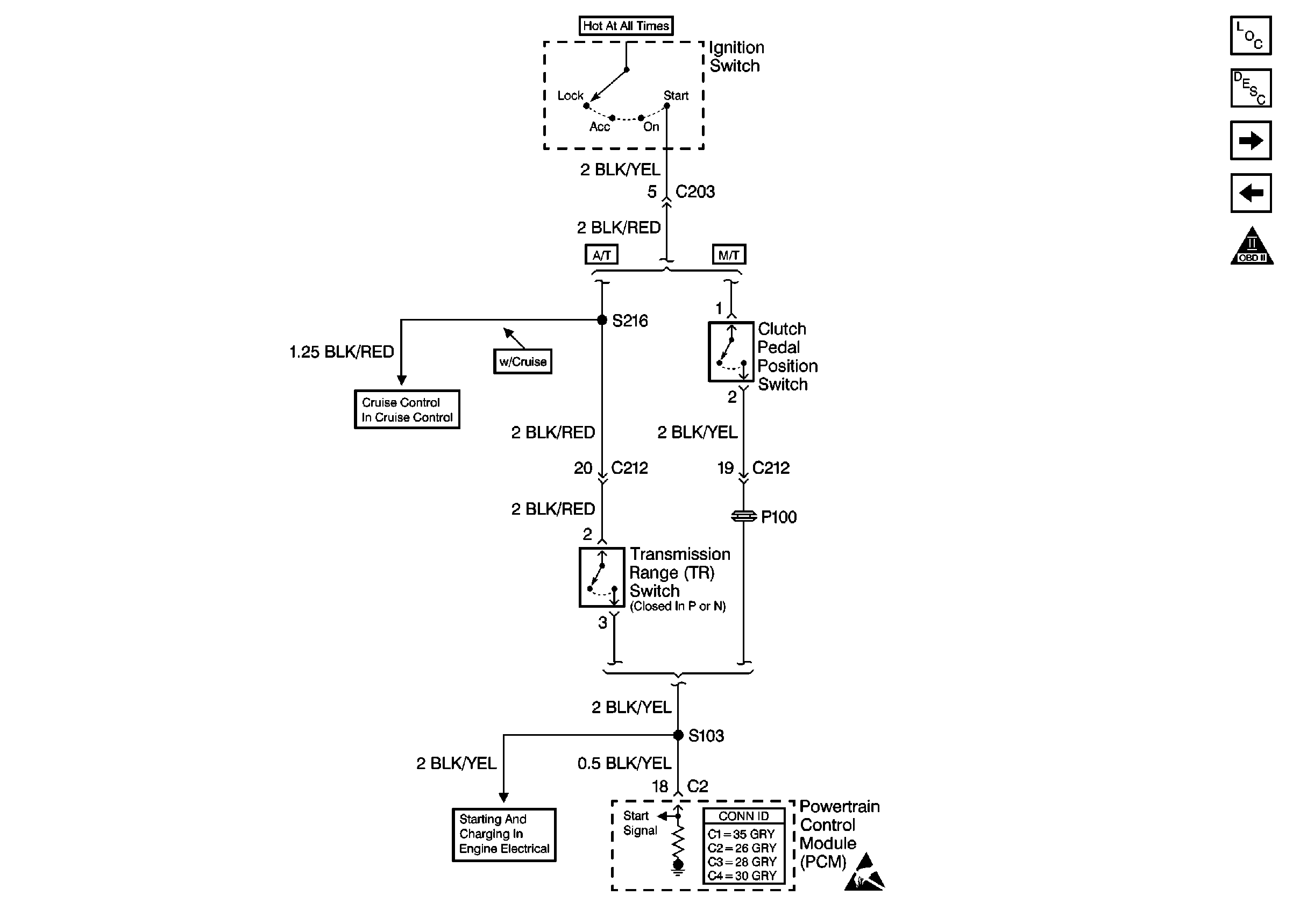
TR Switch and CPP Switch
IAC, MAF Sensor and VSS
Handling ESD Sensitive Parts Notice
Handling ESD Sensitive Parts Notice
BATT, ABS, FI and ACC Fuses
Figure 11:

TR Switch and CPP Switch


Object Number: 478251  Size: FS
Engine Controls Components
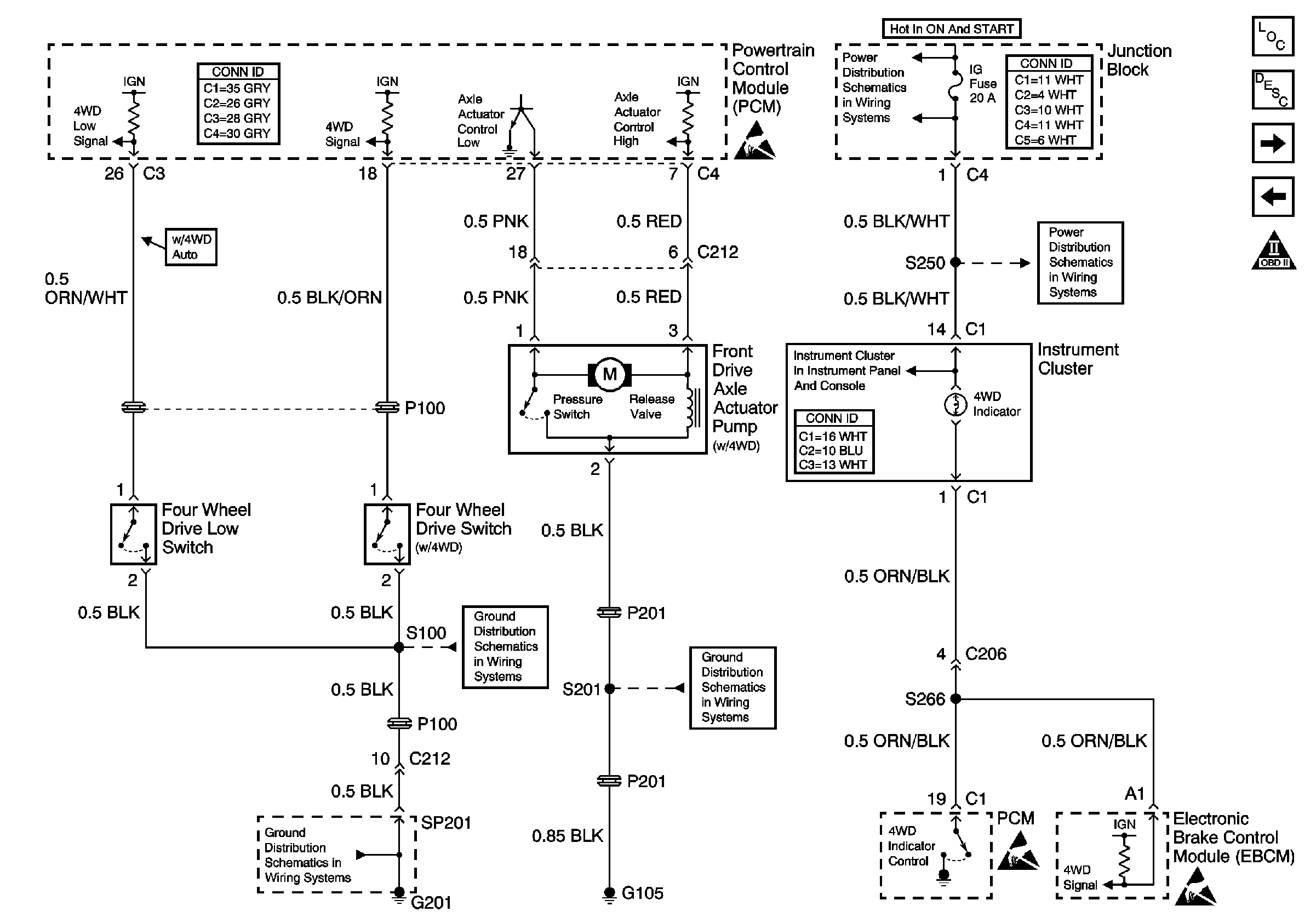
Four Wheel Drive Inputs/Outputs
EGR Valve and EVAP Controls
Handling ESD Sensitive Parts Notice
Handling ESD Sensitive Parts Notice
Starting System
Figure 12:

Four Wheel Drive Inputs/Outputs


Object Number: 478310  Size: FS
Engine Controls Components
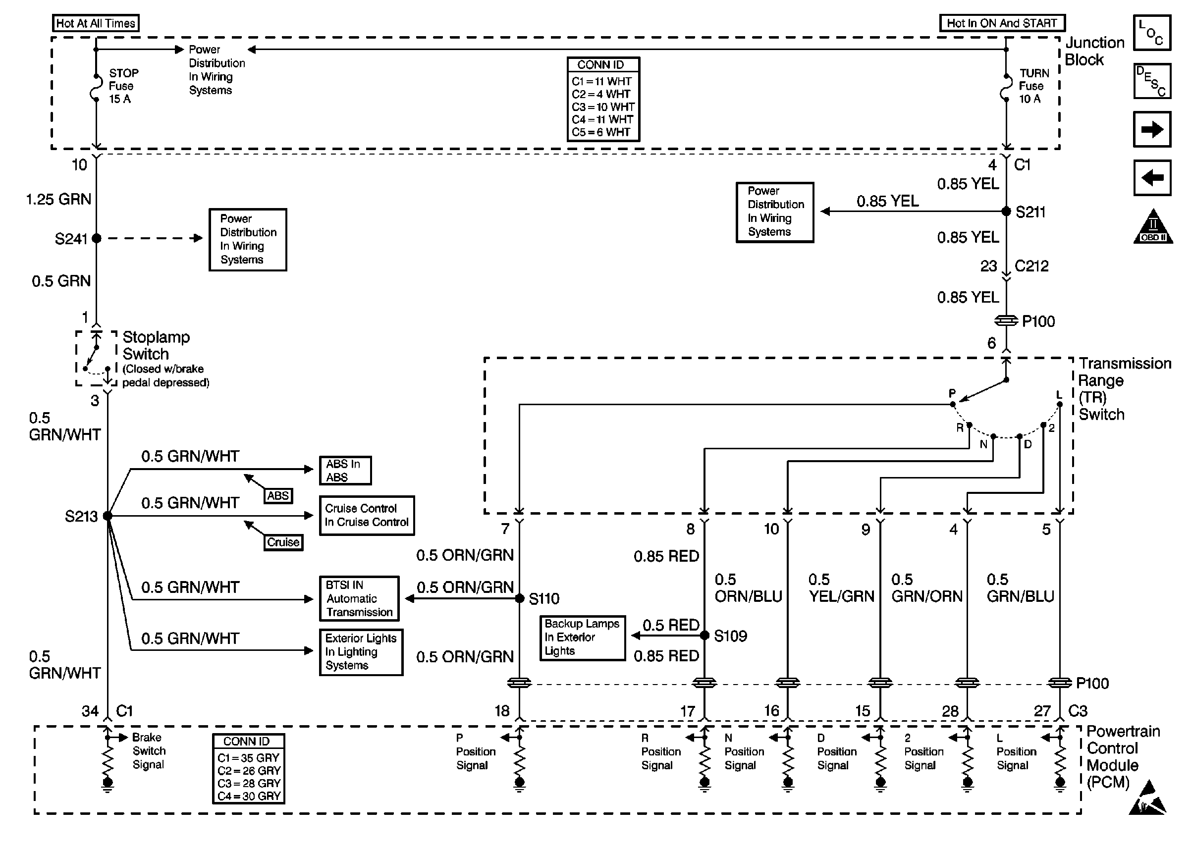
TR Switch Position and Stoplamp Switch Inputs
TR Switch and CPP Switch
Handling ESD Sensitive Parts Notice
Handling ESD Sensitive Parts Notice
Handling ESD Sensitive Parts Notice
IG, TURN and WIP Fuses
IG, TURN and WIP Fuses
(Engine Indicators)
Handling ESD Sensitive Parts Notice
G105
G201
G201
Figure 13:

TR Switch Position and Stoplamp Switch Inputs


Object Number: 478314  Size: FS
Engine Controls Components
A/T Speed Sensors and A/T Solenoids
Four Wheel Drive Inputs/Outputs
Handling ESD Sensitive Parts Notice
Handling ESD Sensitive Parts Notice
IG, TURN and WIP Fuses
Backup Lights Schematics
HAZ, D/L, TAIL, STOP and DOME Fuses
HAZ, D/L, TAIL, STOP and DOME Fuses
ABS Schematics
Power, Ground and Stoplamp Switch
Rear Parklamps
Figure 14:

A/T Speed Sensors and A/T Solenoids


Object Number: 478320  Size: FS
Engine Controls Components
A/T Controls and Outputs
TR Switch Position and Stoplamp Switch Inputs
Handling ESD Sensitive Parts Notice
Handling ESD Sensitive Parts Notice
Figure 15:

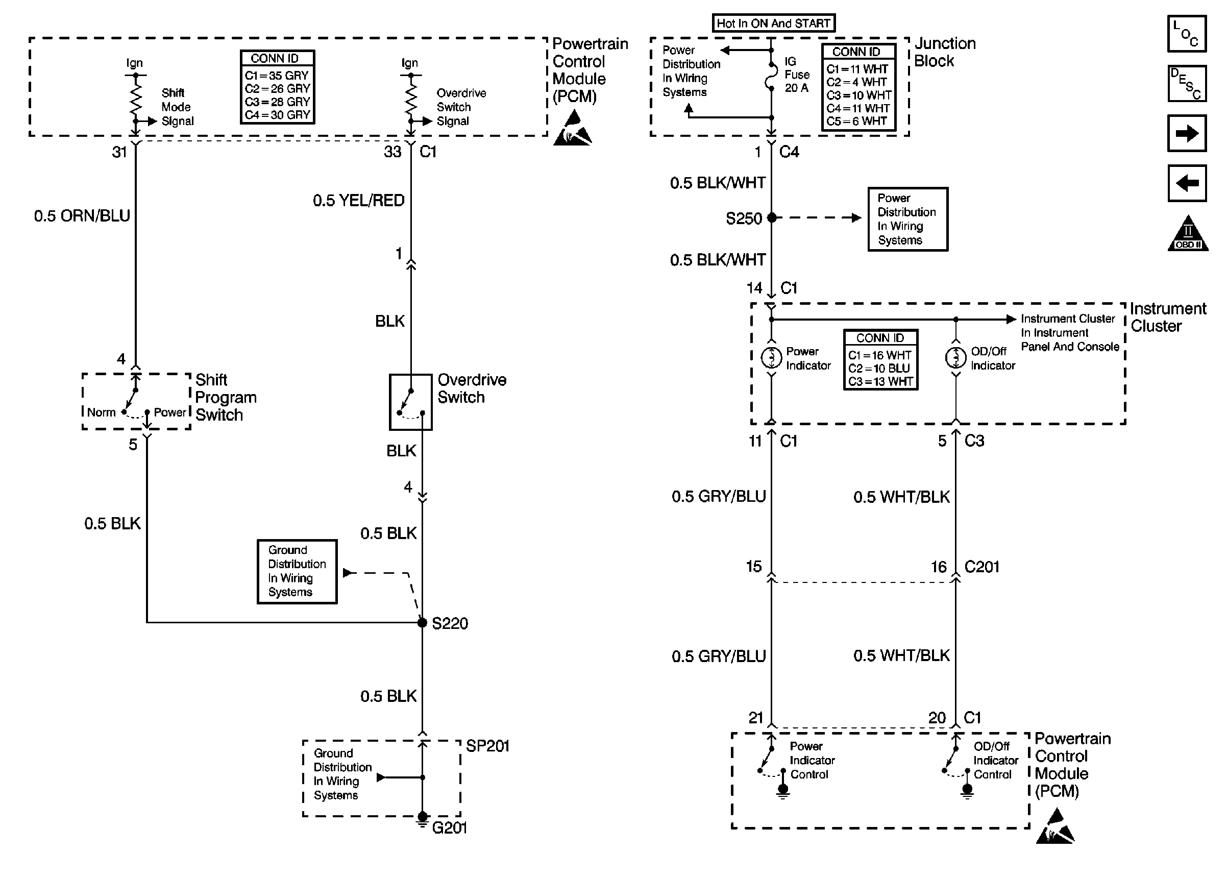
A/T Controls and Outputs


Object Number: 478323  Size: FS
Engine Controls Components
A/C Controls and Idle-Up Signals
A/T Speed Sensors and A/T Solenoids
Handling ESD Sensitive Parts Notice
Handling ESD Sensitive Parts Notice
(Engine Indicators)
IG, TURN and WIP Fuses
IG, TURN and WIP Fuses
G201
G201
Handling ESD Sensitive Parts Notice
Figure 16:

A/C Controls and Idle-Up Signals


Object Number: 478326  Size: FS
Engine Controls Components
A/T Controls and Outputs
Handling ESD Sensitive Parts Notice
Handling ESD Sensitive Parts Notice
Handling ESD Sensitive Parts Notice
Handling ESD Sensitive Parts Notice
Ground, A/C and Pressure Switches
Front Park Lamps
Defogger Schematics
Handling ESD Sensitive Parts Notice