GM Service Manual Online
For 1990-2009 cars only

Refer to

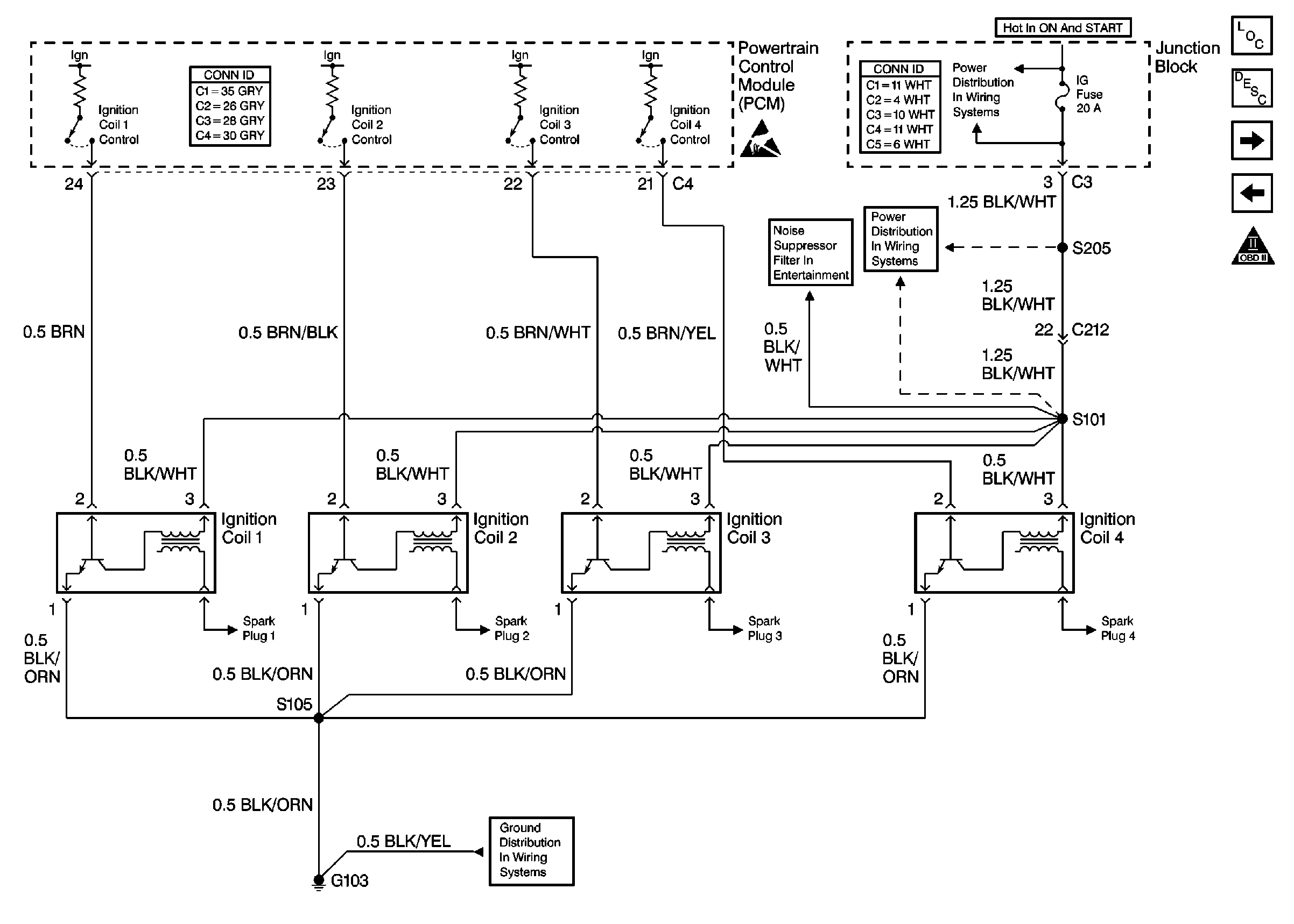
Ignition System


Object Number: 478268  Size: FS
Engine Controls Components
CMP and CKP Sensors
MIL and DLC
Handling ESD Sensitive Parts Notice
H/L, HTR, IG and LAMP Fuses
H/L, HTR, IG and LAMP Fuses
Radio/Audio System Schematics
Handling ESD Sensitive Parts Notice
G103
and to

CMP and CKP Sensors


Object Number: 478273  Size: FS
Engine Controls Components
Fuel Supply System
Ignition System
Handling ESD Sensitive Parts Notice
G103
IG, TURN and WIP Fuses
(ECT, Fuel Gages, Tachometer and Oil Indicator)
Handling ESD Sensitive Parts Notice
BATT, ABS, FI and ACC Fuses
H/L, HTR, IG and LAMP Fuses
.

Circuit Description

The powertrain control module (PCM) uses information from the crankshaft position (CKP) sensor and the camshaft position (CMP) sensor in order to determine when an engine misfire is occurring. By monitoring changes in the crankshaft rotation for each cylinder the PCM counts individual misfire events. The malfunction indicator lamp (MIL) illuminates when the misfire rate equals or exceeds a pre-determined count. A misfire rate that is high enough can cause the catalytic converter to overheat under certain driving conditions. The MIL will flash On and Off when the conditions for catalytic converter overheating are present.

Condition for Running the DTC

    • The barometric pressure (BARO) is more than 75 kPa.
    • EThe engine coolant temperature is more than -8°C (+18°F).
    • The intake air temperature is more than -8°C (+18°F).
    • The engine speed is less than 4,000 RPM.
    • FThe fuel tank level is more than 15  percent.
    • The throttle position (TP) sensor change is less than 1 degree/10 ms.

Conditions for Setting the DTC

    • The misfire rate at 200 engine revolutions is more than a specified value.
    • The misfire rate at 1,000 engine revolutions is more than a specified value.
    • The conditions are present for 5 seconds after engine start to 1 second from fuel shut-off.

Action Taken When the DTC Sets

    • The PCM flashes the MIL the first time catalytic converter damage occurs.
    • The PCM illuminates the MIL the second time emission thresholds are exceeded or the second time the diagnostic fails.
    • The PCM records the operating conditions at the time the diagnostic fails. This information is stored in the Freeze Frame buffer.

Conditions for Clearing the MIL/DTC

    • The MIL turns off after 3 consecutively passing trips without a fault present.
    • A history DTC clears after 40 consecutive warm-up cycles without a fault.
    • Perform the scan tool Clear DTC Information function in order to clear the DTC.

Diagnostic Aids

Check for any of the following conditions:

    • If any DTCs other than misfire (P0300 to P0304) are present, diagnose those DTCs first.
    • An engine overheating
    • Any engine vacuum leaks
    • An improper EGR system operation
    • A PCV system malfunction. Perform a functional check of the PCV valve. Refer to Crankcase Ventilation System Inspection .
    • Any malfunctioning fuel injectors. The normal fuel injector resistance is 12-17 ohms at 20°C (68°F). Perform the Fuel Injector Coil Test/Balance Test Procedure if the fuel injector resistance is out of specification. Refer to Fuel Injector Solenoid Coil Test - Engine Coolant Temperature Between 10-35 Degrees C (50-95 Degrees F) .
    • A fuel pressure that is out of specification. Refer to Fuel System Diagnosis .
    • An intermittent ignition system malfunction in the spark plugs, the ignition wires, and the ignition coils. Check the ignition system performance with an engine oscilloscope.
    • An engine mechanical malfunction
    • A damaged wiring harness. Inspect the applicable wiring harness for damage and repair as necessary.
    • A misfire DTC can also be the result of a defective crankshaft timing belt pulley. Remove the CKP sensor and inspect the crankshaft signal rotor through the sensor hole. Check the crankshaft timing belt pulley for foreign material or damaged teeth.

If a DTC P0302 is intermittent, driving the vehicle under the following conditions can verify whether the fault is present. Perform the scan tool Clear DTC Information function. Road test the vehicle while monitoring the DTC P0302 diagnostic on the scan tool under the Not Ran Since Code Cleared selection in the DTC Information menu. If a DTC P0302 appears in the Not Ran Since Code Cleared list, the P0302 diagnostic has not yet run. When the DTC P0302 does not appear in the Not Ran Since Code Cleared list, the P0302 diagnostic has run. If the MIL is NOT Illuminated, and there is no Pending DTC Status in DTC Information, the P0302 diagnostic has passed. The DTCs MUST be cleared in order to view the Current Status of the Not Ran Since Code Cleared list. DO NOT forget that the Not Ran Since Code Cleared list only indicates that the test has run, not whether the test passed or failed. The DTC Information screen must be checked for Current or Pending status in order to determine the outcome of the diagnostic test involved.

If a DTC P0302 cannot be duplicated, the information included in the Freeze Frame data can be useful in determining the vehicle operating conditions when the DTC was first set. When the fault can not be duplicated, wet the secondary ignition system of the suspect cylinder with water and operate the vehicle under the conditions that set the DTC.

Test Description

The numbers below refer to the step numbers in the diagnostic table.

  1. The Powertrain OBD System Check prompts the technician to complete some basic checks and store the Freeze Frame data on the scan tool if applicable. This creates an electronic copy of the data taken when the fault occurred. The information is then stored in the scan tool for later reference.

  2. This step checks whether the malfunction that caused the DTC P0302 is still present. Driving the vehicle under these conditions will verify whether the fault is present. After performing the scan tool Clear DTC Information function, the DTC P0302 diagnostic can be monitored on the scan tool under the Not Ran Since Code Cleared selection in the DTC Information menu. If DTC P0302 appears in the Not Ran Since Code Cleared list, the P0302 diagnostic has not yet run. When DTC P0302 does not appear in the Not Ran Since Code Cleared list, the P0302 diagnostic has run. If the MIL is NOT illuminated and there is no Pending DTC Status in DTC Information, the P0302 diagnostic has passed. The DTCs MUST be cleared in order to view the Current Status of the Not Ran Since Code Cleared list. DO NOT forget that the Not Ran Since Code Cleared list only indicates that the test has run, not whether the test passed or failed. The DTC Information screen must be checked for Current or Pending status in order to determine the outcome of the diagnostic test involved.

  3. The ignition coil may have an internal fault.

  4. This step checks for the electrical signal from the PCM necessary for the operation of the fuel injector. If the injector test lamp does not illuminate the fuel injector control circuit is diagnosed for a faulty condition.

  5. A faulty fuel injector can cause a misfire condition and DTC P0302 to set.

  6. This step checks for a mechanical fault as the cause of the misfire condition. A low engine compression and an improper valve lash may also cause a rough idling condition.

  7. This step checks for a faulty CMP sensor signal rotor. Visually inspect the teeth of the signal rotor through the CMP sensor housing aperture for damage, foreign material, and mis-alignment.

Step

Action

Value(s)

Yes

No

1

Did you perform the Powertrain On-Board Diagnostic (OBD) System Check?

--

Go to Step 2

Go to Powertrain On Board Diagnostic (OBD) System Check

2

Start the engine.

Is a misfire present at idle?

--

Go to Step 4

Go to Step 3

3

  1. Install a scan tool.
  2. Turn ON the ignition, leaving the engine off.
  3. Clear the scan tool information.
  4. Operate the vehicle within the Freeze Frame data as specified, or until the P0302 diagnostic test has run.

Is a DTC P0302 set?

--

Go to Step 4

Go to Diagnostic Aids

4

  1. Perform a visual and a physical inspection for any of the following conditions:
  2. • An incorrectly operating or leaking PCV valve
    • An incorrect PCV valve
    • A vacuum leak at the intake manifold or the gasket
    • A vacuum leak at a cracked, split, or worn vacuum hose
  3. Repair as necessary.

Was a repair necessary?

--

Go to Step 18

Go to Step 5

5

  1. Disconnect the fuel injector electrical connectors.
  2. Remove the #2 ignition coil.
  3. Install a J 26792 spark tester or an equivalent to the #2 ignition coil spark plug boot.
  4. Check for a spark while cranking the engine.

Does the spark tester indicate a crisp blue spark while cranking the engine?

--

Go to Step 10

Go to Step 6

6

  1. Check the ignition coils and spark plug boots for the following conditions:
  2. • Any cracks
    • Any corrosion on the terminals
    • Any carbon tracking
    • Any moisture
  3. Replace or repair as necessary.

Was a repair necessary?

--

Go to Step 18

Go to Step 7

7

  1. Turn OFF the ignition.
  2. Swap the ignition coils. Replace the suspected faulty ignition coil with a functioning ignition coil.
  3. Install a J 26792 spark tester or an equivalent and test for spark as performed in Step 4.

Does the test indicate a crisp blue spark while cranking the engine?

--

Go to Step 9

Go to Step 8

8

  1. Check the malfunctioning ignition coil circuit for any of the following conditions:
  2. • An open in the ignition coil ground circuit
    • An open in the ignition coil positive voltage supply
    • An open or a short in the ignition coil control circuit
    • No ignition coil control signal generated by the PCM
    • Any faulty electrical connections
  3. Repair as necessary. Refer to Wiring Repairs in Wiring Systems.

Was a repair necessary?

--

Go to Step 18

--

9

Replace the faulty ignition coil. Refer to Ignition Coil Replacement .

Is the action complete?

--

Go to Step 18

--

10

  1. Remove the #2 spark plug. Refer to Spark Plug Replacement in Engine Electrical.
  2. Visually and physically inspect the spark plug for any of the following conditions:
  3. • Any oil or fuel fouling
    • Any evidence of coolant in the cylinder
    •  An incorrect gap
    • Any missing platinum pads
    • A loose center electrode
    • A cracked porcelain
    • Any carbon tracking
    • A loose terminal end
  4. Replace as necessary. Refer to Spark Plug Replacement in Engine Electrical.

Did the #2 spark plug need replacement?

--

Go to Step 13

Go to Step 11

11

  1. Turn OFF the ignition.
  2. Disconnect the #2 fuel injector electrical connector.
  3. Install a J 34730-2B injector test lamp or an equivalent into the #2 fuel injector harness connector.
  4. Observe the injector test lamp while cranking the engine.

Does the injector test lamp flash while cranking the engine?

--

Go to Step 12

Go to Fuel Injector Circuit Diagnosis

12

Check the #2 fuel injector for proper operation. Refer to Fuel Injector Balance Test and to Fuel Injector Solenoid Coil Test - Engine Coolant Temperature Between 10-35 Degrees C (50-95 Degrees F) .

Was a faulty fuel injector found and replaced?

--

Go to Step 18

Go to Step 14

13

Was the spark plug replaced because of fuel, oil, or coolant fouling?

--

Go to Step 15

Go to Step 18

14

  1. Inspect the EGR valve for excessive flow or sticking open. Refer to DTC P0400 EGR Flow Malfunction .
  2. Repair as necessary.

Was a repair necessary?

--

Go to Step 18

Go to Step 15

15

  1. Check for any of the following engine mechanical concerns that may affect the #2 cylinder:
  2. • A worn or faulty camshaft
    •  Any leaking or sticking valves
    • Any excessive valve deposits
    • Any broken or leaking piston rings
    •  Any weak valve springs
    • An incorrect valve timing
    • Any intake leaks
    • A leaking head gasket
    • A loose or broken motor mount
  3. Repair as necessary. Refer to Engine Compression Test in Engine Mechanical.

Was a basic engine mechanical concern found and repaired?

--

Go to Step 18

Go to Step 16

16

  1. Remove the camshaft position (CMP) sensor. Refer to Camshaft Position Sensor Replacement .
  2. Visually inspect the CMP sensor for the following conditions:
  3. • Any physical damage
    • Any foreign material on the sensor surface
    • Any water or corrosion at the electrical terminals
  4. Repair as necessary.

Was a repair necessary?

--

Go to Step 18

Go to Step 17

17

  1. Visually inspect the CMP sensor signal rotor in the CMP sensor housing for the following conditions:
  2. • Any damaged teeth
    • Any foreign material
    • The correct installation
  3. Repair as necessary.

Was a repair necessary?

--

Go to Step 18

Go to Diagnostic Aids

18

  1. Perform the scan tool Clear DTC Information function and road test the vehicle within the Freeze Frame conditions that set the DTC.
  2. Review the scan tool data and check for DTCs. The repair is complete if no DTCs are stored.

Are any DTCs displayed on scan tool?

--

Go to Diagnostic Trouble Code (DTC) List

System OK