GM Service Manual Online
For 1990-2009 cars only
Figure 1:

BATT, ABS, FI and ACC Fuses


Object Number: 498160  Size: FS
Power and Grounding Components
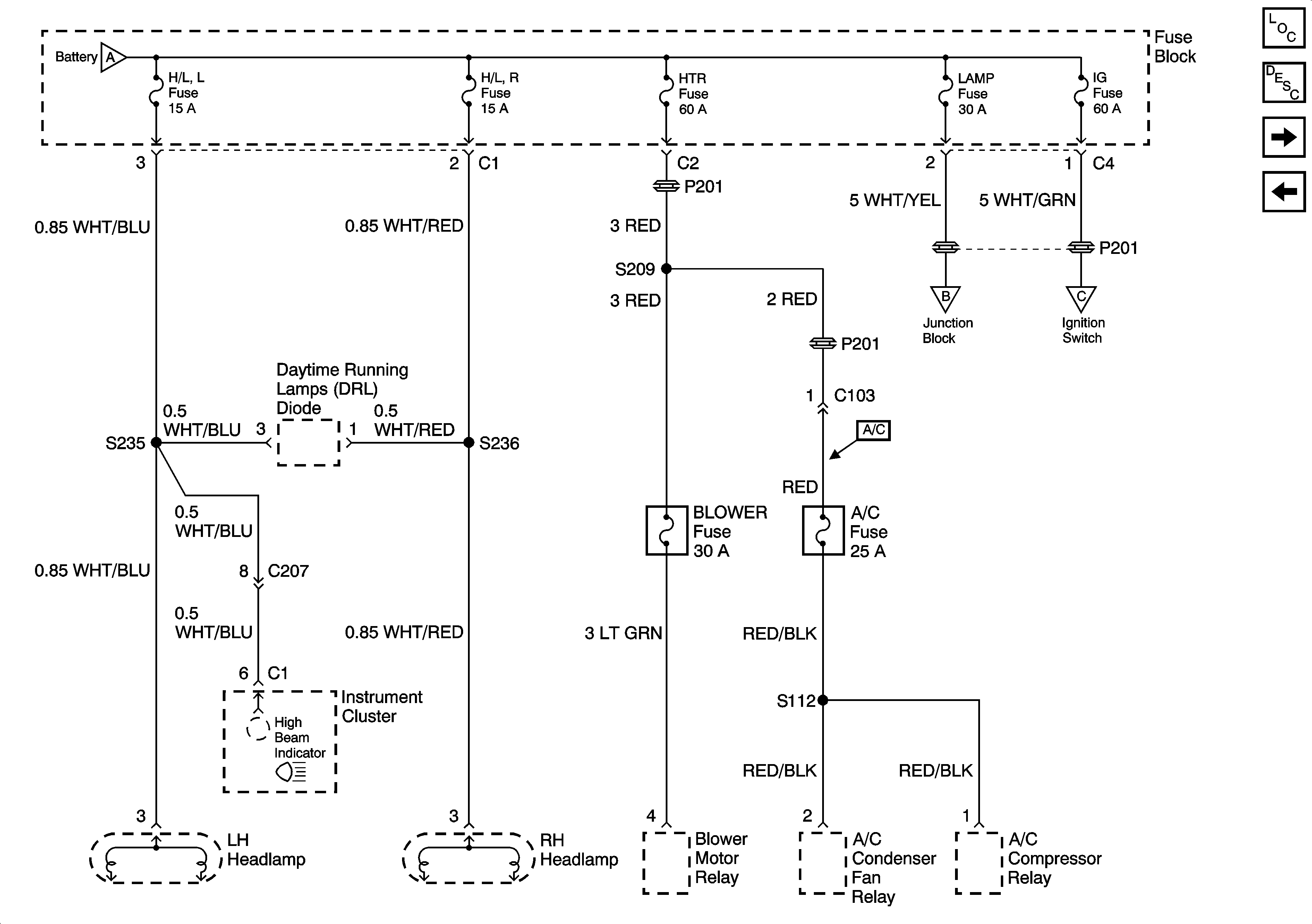
H/L, HTR, IG and LAMP Fuses
Handling ESD Sensitive Parts Notice
Figure 2:

H/L, HTR, IG and LAMP Fuses


Object Number: 498161  Size: FS
Power and Grounding Components
HAZ, D/L, TAIL, STOP and DOME Fuses
BATT, ABS, FI and ACC Fuses
HAZ, D/L, TAIL, STOP and DOME Fuses
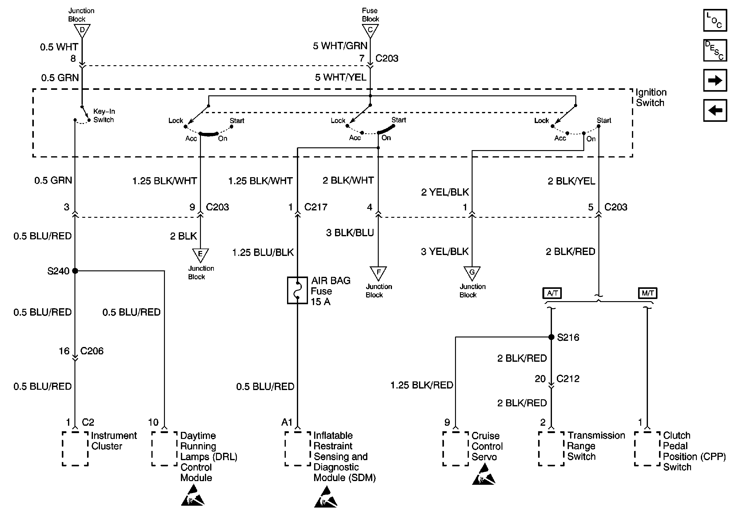
Ignition Switch and SIR Fuse
Figure 3:

HAZ, D/L, TAIL, STOP and DOME Fuses


Object Number: 498162  Size: FS
Power and Grounding Components
H/L, HTR, IG and LAMP Fuses
Ignition Switch and SIR Fuse
H/L, HTR, IG and LAMP Fuses
Ignition Switch and SIR Fuse
Handling ESD Sensitive Parts Notice
Handling ESD Sensitive Parts Notice
Handling ESD Sensitive Parts Notice
Figure 4:

Ignition Switch and SIR Fuse


Object Number: 498164  Size: FS
Power and Grounding Components
CIG, DEF and P/W Fuses
HAZ, D/L, TAIL, STOP and DOME Fuses
HAZ, D/L, TAIL, STOP and DOME Fuses
H/L, HTR, IG and LAMP Fuses
CIG, DEF and P/W Fuses
CIG, DEF and P/W Fuses
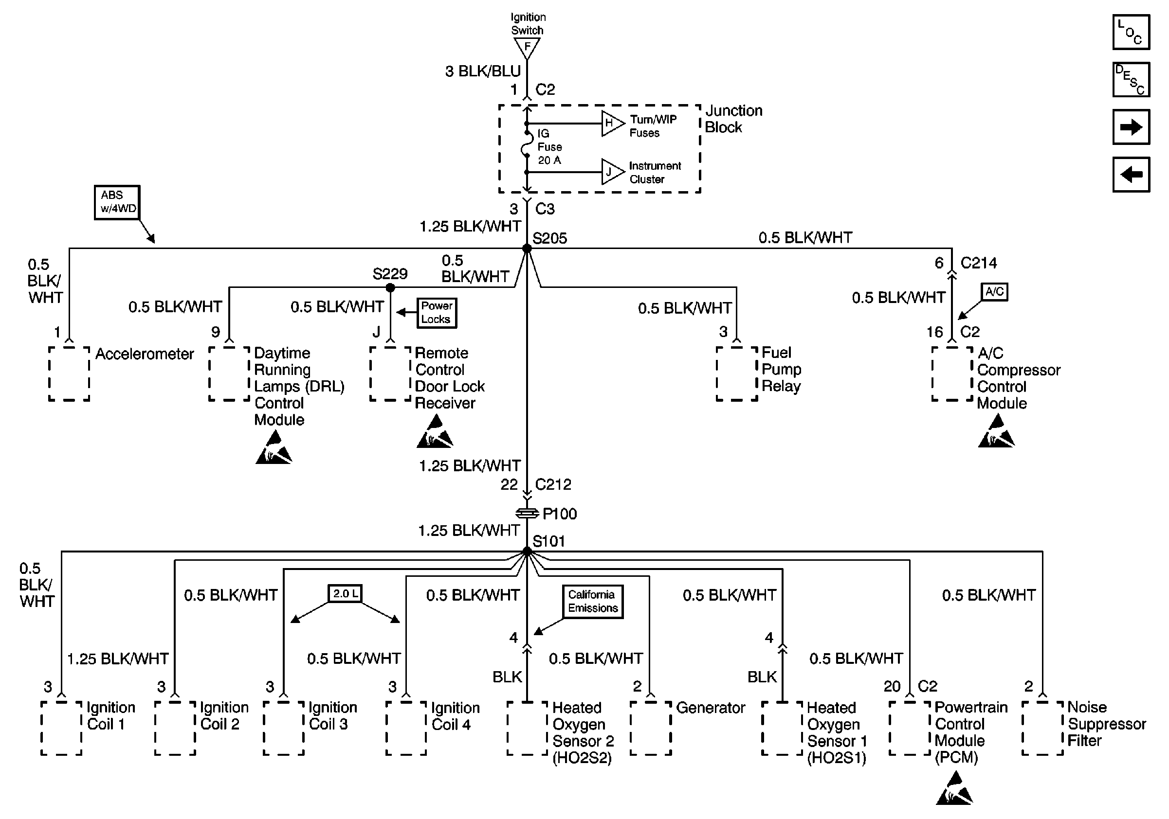
IG Fuse
Handling ESD Sensitive Parts Notice
Handling ESD Sensitive Parts Notice
Handling ESD Sensitive Parts Notice
Figure 5:

CIG, DEF and P/W Fuses


Object Number: 498165  Size: FS
Power and Grounding Components
IG Fuse
Ignition Switch and SIR Fuse
Ignition Switch and SIR Fuse
Ignition Switch and SIR Fuse
Handling ESD Sensitive Parts Notice
Figure 6:

IG Fuse


Object Number: 498166  Size: FS
Power and Grounding Components
IG, TURN and WIP Fuses
CIG, DEF and P/W Fuses
Ignition Switch and SIR Fuse
Handling ESD Sensitive Parts Notice
Handling ESD Sensitive Parts Notice
Handling ESD Sensitive Parts Notice
Handling ESD Sensitive Parts Notice
Figure 7:

IG, TURN and WIP Fuses


Object Number: 498167  Size: FS
Power and Grounding Components
IG Fuse