GM Service Manual Online
For 1990-2009 cars only
Makes
🢒
Chevrolet
🢒
2000
🢒
Tracker - 2WD
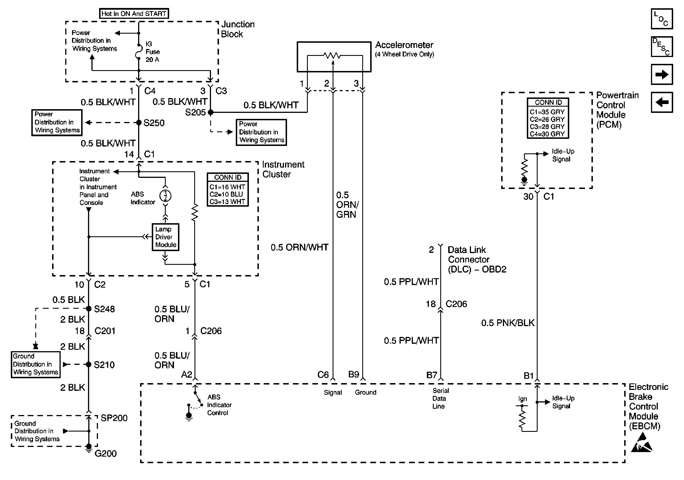
🢒 AntiLock Brake System (ABS) Indicator, Accelerometer, andIdle-Up Signal
AntiLock Brake System (ABS) Indicator, Accelerometer, andIdle-Up Signal
AntiLock Brake System (ABS) Indicator, Accelerometer, and Idle-Up Signal