GM Service Manual Online
For 1990-2009 cars only
Makes
🢒
Chevrolet
🢒
2000
🢒
Tracker - 2WD
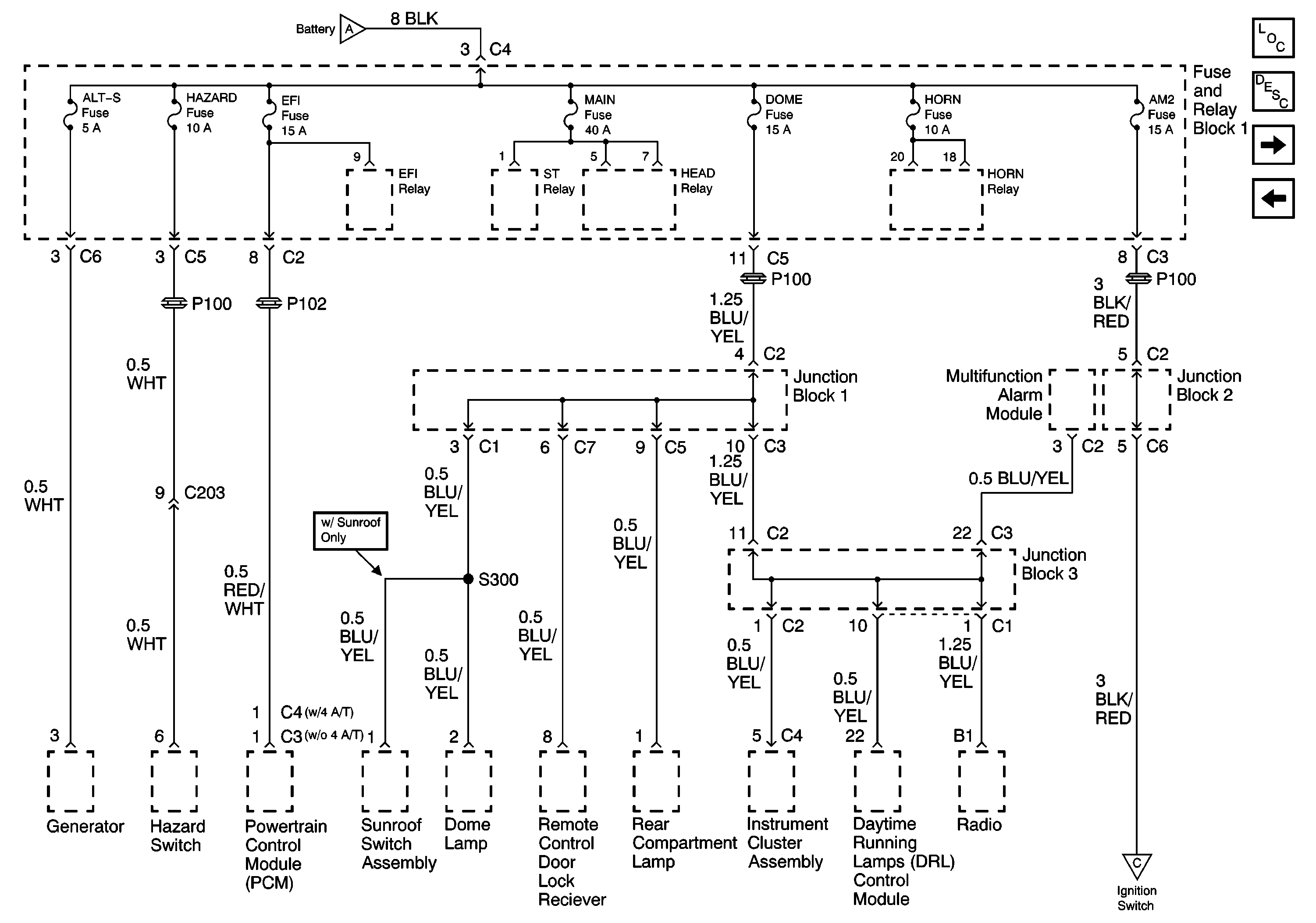
🢒 ALT-S, AM2, DOME, EFI, Hazard, Horn, and Main Fuses
ALT-S, AM2, DOME, EFI, Hazard, Horn, and Main Fuses
ALT-S, AM2, DOME, EFI, Hazard, Horn, and Main Fuses
Master Electrical Component List
Ignition Switch, IGN and ST Fuses
ABS, ALT, AMI, DEF, DYL, ECU-B, HTR, OBD, POWER and STOP Fuses
Ignition Switch, IGN and ST Fuses
ABS, ALT, AMI, DEF, DYL, ECU-B, HTR, OBD, POWER and STOP Fuses