Refer to 
 Ignition System
 
 
and 
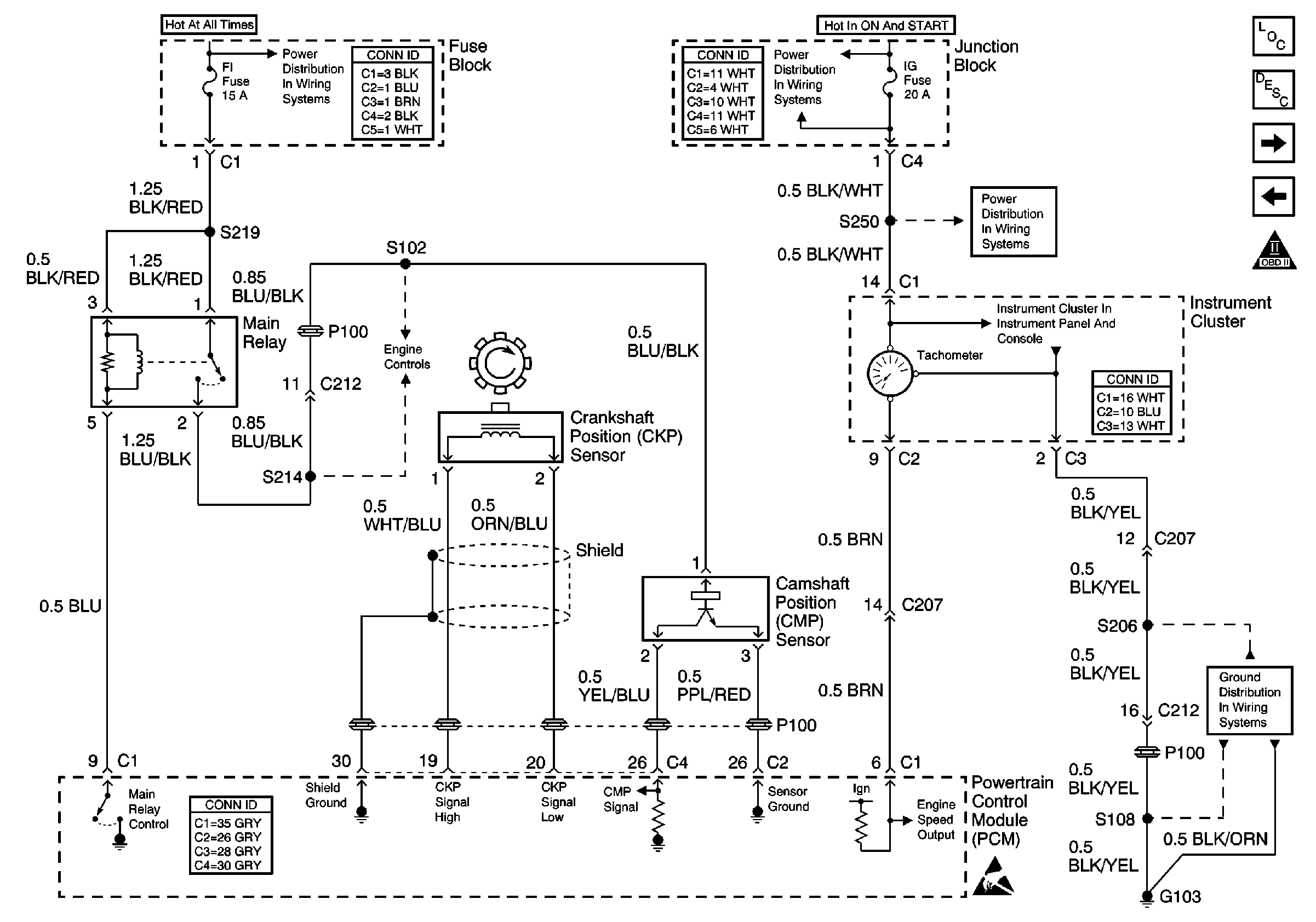
 CMP and CKP Sensors
 
 
.
The powertrain control module (PCM) uses information from the crankshaft position (CKP) sensor and the camshaft position (CMP) sensor in order to determine when an engine misfire is occurring. By monitoring changes in the crankshaft rotation for each cylinder, the PCM counts individual misfire events. The malfunction indicator lamp (MIL) illuminates when the misfire rate equals or exceeds a pre-determined count. A misfire rate that is high enough can cause the catalytic converter to overheat under certain driving conditions. The MIL will flash ON and OFF when the conditions for catalytic converter overheating are present.
The engine must be running.
| • | Engine coolant temperature is more than -7°C (19°F). | 
| • | Intake air temperature is more than -7°C (19°F). | 
| • | Barometric pressure is more than 75 kPa. | 
| • | Engine speed is less than 4,000 RPM. | 
| • | Fuel tank level is more than 15 percent. | 
| • | TP sensor change is less than 1 degree/10 ms. | 
| • | Conditions are present for 5 seconds after engine start to 1 second from fuel shut-off. | 
| • | The PCM flashes the malfunction indicator lamp (MIL) the first time catalytic converter damage occurs. | 
| • | The PCM illuminates the MIL the second time emission thresholds are exceeded (second time the diagnostic fails). | 
| • | The PCM records the operating conditions at the time the diagnostic fails. This information is stored in the Freeze Frame buffer. | 
| • | The MIL turns OFF after three consecutively passing trips without a fault present. | 
| • | A History DTC clears after 40 consecutive warm-up cycles without a fault. | 
| • | Use the scan tool Clear DTC Information function or disconnect the PCM battery feed in order to clear the DTC. | 
Check for any of the following conditions:
| • | If any DTCs other than misfire (P0300 to P0304) are present, diagnose those DTCs first. | 
| • | If DTC P0303 and P0302 are stored at the same time, ignition coil 2 might be at fault. | 
| • | Check for engine overheating. | 
| • | Check for engine vacuum leaks. | 
| • | Inspect for proper EGR system operation. An EGR valve that is introducing too much exhaust gas into the combustion chamber can lower cylinder power output. | 
| • | A PCV system malfunction -- Perform a functional check of the PCV valve. Refer to Crankcase Ventilation System Inspection . | 
| • | Check for a malfunctioning fuel injectors. Normal fuel injector resistance is 12-17 ohms at 20°C (68°F). Perform the Fuel Injector Coil Test/Balance Test Procedure if fuel injector resistance is out of specification. Refer to Fuel Injector Solenoid Coil Test - Engine Coolant Temperature Between 10-35 Degrees C (50-95 Degrees F) . | 
| • | Fuel pressure that is out of specification -- Refer to Fuel System Diagnosis . | 
| • | An intermittent ignition system malfunction (spark plugs, ignition wires, ignition coils ) -- Check ignition system performance with an engine oscilloscope. | 
| • | An engine mechanical malfunction -- Measure engine cylinder compression and valve lash adjustment for comparison to manufacture specifications. Refer to Engine Compression Test in Engine Mechanical. | 
| • | A damaged wiring harness -- Inspect the applicable wiring harness for damage and repair as necessary. | 
| • | A misfire DTC can also be the result of a defective crankshaft timing belt pulley. Remove the crankshaft position (CKP) sensor and inspect the crankshaft signal rotor through the sensor hole. Check the crankshaft timing belt pulley for foreign material or damaged teeth. | 
If the DTC P0303 is intermittent, driving the vehicle under the following conditions can verify whether the fault is present. Perform the scan tool Clear DTC Information function. Road test the vehicle while monitoring the DTC P0303 diagnostic on the scan tool under the Not Ran Since Code Cleared selection in the DTC Information menu. If a DTC P0303 appears in the Not Ran Since Code Cleared list, the P0303 diagnostic has not yet run. When the DTC P0303 does not appear in the Not Ran Since Code Cleared list, the P0303 diagnostic has run. If the MIL is NOT ILLUMINATED and there is no PENDING DTC Status in DTC Information, the P0303 diagnostic has passed. DTCs MUST BE CLEARED in order to view the CURRENT STATUS of the Not Ran Since Code Cleared list. DO NOT FORGET that the Not Ran Since Code Cleared list only indicates that the test has run, not whether the test passed or failed. The DTC Information screen must be checked for CURRENT or PENDING status, in order to determine the outcome of the diagnostic test involved.
If you cannot duplicate a DTC P0303, the information included in the Freeze Frame data can be useful in determining vehicle operating conditions when the DTC was first set. When the fault cannot be duplicated, wet the secondary ignition system of the suspect cylinder with water and operate the vehicle under the conditions that set the DTC.
The numbers below refer to the step numbers in the diagnostic table.
The Powertrain OBD System Check prompts the technician to complete some basic checks and store the Freeze Frame data on the scan tool if applicable. This creates an electronic copy of the data taken when the fault occurred. The information is then stored in the scan tool for later reference.
This step determines if a fault is present.
The #2 ignition coil provides spark for cylinders 2 and 3 simultaneously. Any condition that effects the ignition circuit of cylinder 2 may also have an affect on the ignition circuit of cylinder 3 . Inspect both sides of the ignition coil for cracks, carbon tracking, and corrosion.
The ignition coil may have an internal fault.
This step checks for the electrical signal from the PCM for the operation of the fuel injector. If the injector test lamp does not illuminate, the fuel injector control circuit is diagnosed for a faulty condition.
A faulty fuel injector can cause a misfire condition and a DTC P0303 to set.
This step checks for a mechanical fault as the cause of the misfire condition. Low engine compression and improper valve lash may also cause a rough idling condition. For diagnosis of an engine mechanical condition, refer to Engine Mechanical.
This step checks for a faulty CMP sensor signal rotor.
| Step | Action | Value(s) | Yes | No | ||||||||||||||||||
|---|---|---|---|---|---|---|---|---|---|---|---|---|---|---|---|---|---|---|---|---|---|---|
| Did you perform the Powertrain On-Board Diagnostic (OBD) System Check? | -- | |||||||||||||||||||||
| 2 | Start the engine. Is a misfire present at idle? | -- | ||||||||||||||||||||
| 
 Is a DTC P0303 set? | -- | Go to Diagnostic Aids | ||||||||||||||||||||
| 4 | 
 
 
 
 
 Was a repair necessary? | -- | ||||||||||||||||||||
| 5 | 
 Is a crisp, blue spark present? | -- | ||||||||||||||||||||
| 6 | 
 
 
 
 Was a repair necessary? | -- | ||||||||||||||||||||
| 7 | 
 Did the #3 ignition wire need replacement? | 1.2k to 3.0k ohms/ft | ||||||||||||||||||||
| 
 
 
 
 
 
 Was a repair necessary? | -- | |||||||||||||||||||||
| Replace the #2 ignition coil. Refer to Ignition Coil Replacement . Is the action complete? | -- | -- | ||||||||||||||||||||
| 10 | 
 
 
 
 
 
 
 
 
 
 Did the #3 spark plug need replacement? | -- | ||||||||||||||||||||
| 
 Did the injector test lamp flash while cranking the engine? | -- | |||||||||||||||||||||
| Check the #3 fuel injector for proper operation. Refer to Fuel Injector Solenoid Coil Test - Engine Coolant Temperature Between 10-35 Degrees C (50-95 Degrees F) and Fuel Injector Balance Test . Was a faulty fuel injector found and replaced? | -- | |||||||||||||||||||||
| 13 | Was the spark plug replaced because of fuel, oil, or coolant fouling? | -- | ||||||||||||||||||||
| 
 
 
 
 
 
 
 
 
 
 Was a basic engine mechanical concern found and repaired? | -- | |||||||||||||||||||||
| 15 | 
 
 
 
 Was a repair necessary? | -- | ||||||||||||||||||||
| 
 
 
 
 Was a repair necessary? | -- | Go to Diagnostic Aids | ||||||||||||||||||||
| 17 | 
 Are any DTCs displayed on scan tool? | -- | System OK |