GM Service Manual Online
For 1990-2009 cars only

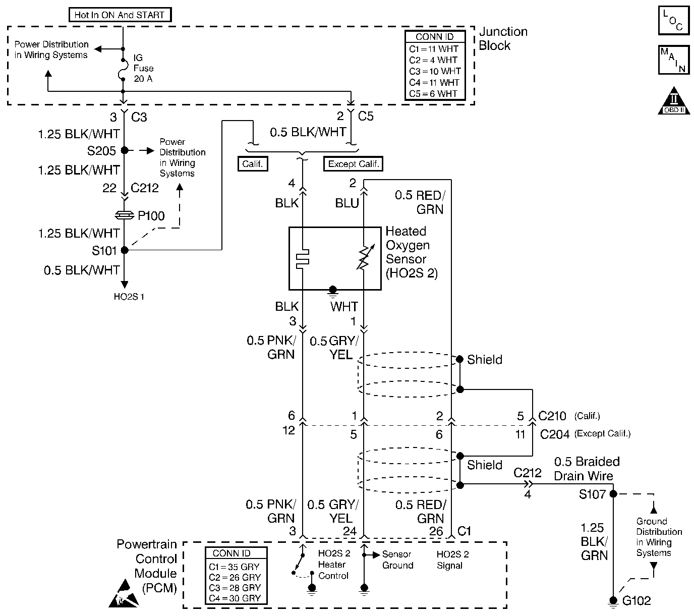
Object Number: 490467  Size: LF
HO2S Sensors
OBD II Symbol Description Notice
Handling ESD Sensitive Parts Notice

Circuit Description

The heated oxygen sensors (HO2S) increase the amount of time the sensor spends in Closed Loop fuel control operation or catalyst monitoring operation. The oxygen sensor heater is required by the post-catalyst HO2S 2 in order to maintain the high operating temperatures necessary for effective operation. The heater helps provide accurate oxygen content readings of the engine exhaust by the HO2S.

Conditions for Running the DTC

The engine is running.

Conditions for Setting the DTC

    • The current of the HO2S heater is more than 5.3 amps or less than 0.15 amps when the heater is On.
    • The voltage of the HO2S heater is more than 13.8 volts or less than 8.7 volts when the heater is On.
    • The voltage of the HO2S heater is 6 volts with the heater Off.
    • One of the above conditions is present for 3 seconds.

Action Taken When the DTC Sets

    • The powertrain control module (PCM) illuminates the malfunction indicator lamp (MIL) after 2 consecutive ignition cycles in which the diagnostic runs with the fault active.
    • The PCM records the operating conditions at the time the diagnostic fails. This information is stored in the Freeze Frame buffer.

Conditions for Clearing the MIL/DTC

    • The MIL turns OFF after 3 consecutively passing trips without a fault present.
    • A history DTC clears after 40 consecutive warm-up cycles without a fault.
    • Perform the scan tool Clear DTC Information function in order to clear the DTC.

Diagnostic Aids

Check for a faulty electrical connection to the PCM.

If a DTC P0141 is intermittent, driving the vehicle under the following conditions can verify whether the fault is present. Perform the scan tool clear DTC information function. Road test the vehicle while monitoring the DTC P0141 diagnostic on the scan tool under the Not Ran Since Code Cleared selection in the DTC Information menu. If a DTC P0141 appears in the Not Ran Since Code Cleared list, the P0141 diagnostic has not yet run. When the DTC P0141 does not appear in the Not Ran Since Code Cleared list, the P0141 diagnostic has run. If the MIL is NOT illuminated, and there is no Pending DTC Status in DTC Information, the P0141 diagnostic has passed. The DTCs MUST be cleared in order to view the Current Status of the Not Ran Since Code Cleared list. DO NOT forget that the Not Ran Since Code Cleared list only indicates that the test has run, not whether the test passed or failed. The DTC Information screen must be checked for Current or Pending status, in order to determine the outcome of the diagnostic test involved.

An intermittent malfunction may be caused by a problem in the HO2S 2 electrical circuit. Inspect the wiring harness and the components for any of the following conditions:

    • Any backed-out terminals
    • Any improper mating of terminals
    • Any broken electrical connector locks
    • Any improperly formed or damaged terminals
    • Any faulty terminal-to-wire connections
    • Any physical damage to the wiring harness
    • A broken wire inside the insulation
    • Any corrosion of the electrical connections, the splices, or the terminals

If a DTC P0141 cannot be duplicated, the information included in the Freeze Frame data can be useful in determining vehicle operating conditions when the DTC was first set.

Test Description

The numbers below refer to the step numbers in the diagnostic table.

  1. The Powertrain On-Board Diagnostic (OBD) System Check prompts the technician to complete some basic checks and store the Freeze Frame data on the scan tool if applicable. This creates an electronic copy of the data taken when the fault occurred. The information is then stored in the scan tool for later reference.

  2. This step checks whether the malfunction that caused the DTC P0141 is still present. Driving the vehicle under these conditions will verify whether the fault is present. After performing the scan tool clear DTC information function, the DTC P0141 diagnostic can be monitored on the scan tool under the Not Ran Since Code Cleared selection in the DTC Information menu. If DTC P0141 appears in the Not Ran Since Code Cleared list, the P0141 diagnostic has not yet run. When DTC P0141 does not appear in the Not Ran Since Code Cleared list, the P0141 diagnostic has run. If the MIL is NOT illuminated and there is no Pending DTC Status in DTC Information, the P0141 diagnostic has passed. The DTCs MUST be cleared in order to view the Current Status of the Not Ran Since Code Cleared list. DO NOT forget that the Not Ran Since Code Cleared list only indicates that the test has run, not whether the test passed or failed. The DTC Information screen must be checked for Current or Pending status in order to determine the outcome of the diagnostic test involved.

  3. The HO2S 2 heater is powered by the IG-COIL fuse located in junction block.

  4. Measure the resistance of the heater portion of the HO2S 2.

  5. This step checks for a short to ground in the HO2S 2 heater circuit. If no problem is found in the HO2S 2 heater circuit the problem may be a shorted HO2S 2.

Step

Action

Value(s)

Yes

No

1

Did you perform the Powertrain On-Board Diagnostic (OBD) System Check?

--

Go to Step 2

Go to Powertrain On Board Diagnostic (OBD) System Check

2

  1. Turn ON the ignition, leaving the engine off.
  2. Perform the scan tool clear DTC information function.
  3. Operate the vehicle within the Freeze Frame conditions as specified or until the P0141 diagnostic test has run.

Does the scan tool indicate DTC P0141?

--

Go to Step 3

Go To Diagnostic Aids

3

  1. Turn OFF the ignition.
  2. Disconnect the HO2S 2 electrical connector.
  3. Turn ON the ignition, leaving the engine off.
  4. Probe the harness side of the ignition feed circuit of the HO2S 2 connector with a test lamp connected to ground.

Does the test lamp illuminate?

--

Go to Step 4

Go to Step 6

4

  1. Turn OFF the ignition.
  2. Reconnect the HO2S 2 electrical connector.
  3. Disconnect the PCM electrical connectors.
  4. Turn ON the ignition, leaving the engine off.
  5. Measure the voltage from the harness side of the HO2S 2 heater control circuit at the PCM using a DMM.

Is the voltage more than the specified value?

10 V

Go to Step 5

Go to Step 7

5

  1. Turn OFF the ignition.
  2. Disconnect the HO2S 2 electrical connector.
  3. Use the DMM in order to measure the resistance between the HO2S 2 terminal 3 and terminal 4 on the sensor side of the HO2S 2 pigtail .

Is the resistance within the specified range?

11.7-15.6 ohms at 20°C (68°F)

Go to Step 12

Go to Step 11

6

Inspect the IG-COIL fuse in the fuse block.

Is the fuse open?

--

Go to Step 8

Go to Step 9

7

  1. Check the HO2S 2 heater control circuit for an open or a short to ground.
  2. Repair as necessary. Refer to Wiring Repairs in Wiring Systems.

Was a repair necessary?

--

Go to Step 13

Go to Step 10

8

  1. Replace the faulty fuse and check the ignition feed circuit for a short to ground.
  2. Repair as necessary. Refer to Wiring Repairs in Wiring Systems.

Was a repair necessary?

--

Go to Step 13

Go to Step 11

9

Repair the open in the ignition feed circuit. Refer to Wiring Repairs in Wiring Systems.

Is the action complete?

--

Go to Step 13

--

10

  1. Check the connections at the HO2S 2 electrical connector.
  2. Repair as necessary.

Was a repair necessary?

--

Go to Step 13

Go to Step 11

11

Replace the HO2S 2. Refer to Heated Oxygen Sensor Replacement .

Is the action complete?

--

Go to Step 13

--

12

Important: The replacement PCM must be programmed.

Replace the PCM. Refer to Powertrain Control Module Replacement/Programming .

Is the action complete?

--

Go to Step 13

--

13

  1. Perform the scan tool Clear DTC Information function and road test the vehicle within the Freeze Frame conditions that set the DTC.
  2. Review the scan tool data and check for DTCs. The repair is complete if no DTCs are stored.

Are any DTCs displayed on the scan tool?

--

Go to Diagnostic Trouble Code (DTC) List

System OK