GM Service Manual Online
For 1990-2009 cars only
Figure 1:

Main Relay, Powertrain Control Module (PCM) Power and Ground


Object Number: 673624  Size: FS
Master Electrical Component List
Data Link Connector (DLC) and Malfunction Indicator Lamp (MIL)
G100, G101 and G102
IG Fuse
HAZ, D/L, TAIL, Stop and Dome Fuses
CRANKSHAFT POSITION SENSOR, CAMSHAFT POSITION SENSOR (CMP)
BATT, ABS, FI and ACC Fuses
Figure 2:

Data Link Connector (DLC) and Malfunction Indicator Lamp (MIL)


Object Number: 673627  Size: FS
Master Electrical Component List
IGNITION COILS, CPP SWITCH
Main Relay, Powertrain Control Module (PCM) Power and Ground
IG, Turn and WIP Fuses
HAZ, D/L, TAIL, Stop and Dome Fuses
Instrument Cluster Indicators
HAZ, D/L, TAIL, Stop and Dome Fuses
NO TITLE SIR
G200 (1 of 2)
G200 (2 of 2)
Figure 3:

IGNITION COILS, CPP SWITCH


Object Number: 673634  Size: FS
Master Electrical Component List
CRANKSHAFT POSITION SENSOR, CAMSHAFT POSITION SENSOR (CMP)
Data Link Connector (DLC) and Malfunction Indicator Lamp (MIL)
IG Fuse
NO TITLE ENTERTAINMENT
G103
H/L, HTR, IG, and Lamp Fuses
Starting System
Figure 4:

CRANKSHAFT POSITION SENSOR, CAMSHAFT POSITION SENSOR (CMP)


Object Number: 673637  Size: FS
Master Electrical Component List
FUEL PUMP RELAY, FUEL SENDER ASSEMBLY
IGNITION COILS, CPP SWITCH
G103
Oil Pressure Switch, (ECT) Sensor
IG, Turn and WIP Fuses
H/L, HTR, IG, and Lamp Fuses
BATT, ABS, FI and ACC Fuses
Figure 5:

FUEL PUMP RELAY, FUEL SENDER ASSEMBLY


Object Number: 673640  Size: FS
Master Electrical Component List
FUEL INJECTORS
CRANKSHAFT POSITION SENSOR, CAMSHAFT POSITION SENSOR (CMP)
G400 and G401
IG Fuse
H/L, HTR, IG, and Lamp Fuses
Oil Pressure Switch, (ECT) Sensor
G103
BATT, ABS, FI and ACC Fuses
Figure 6:

FUEL INJECTORS


Object Number: 673743  Size: FS
Master Electrical Component List
Engine Data Sensors
FUEL PUMP RELAY, FUEL SENDER ASSEMBLY
BATT, ABS, FI and ACC Fuses
Figure 7:

Engine Data Sensors


Object Number: 673838  Size: FS
Master Electrical Component List
Heated Oxygen Sensors
FUEL INJECTORS
Figure 8:

Heated Oxygen Sensors


Object Number: 673851  Size: FS
Master Electrical Component List
Idle Air Control (IAC) Valve, Mass Air Flow (MAF) Sensor, Vehicle SPeED Sensor (VSS)
Engine Data Sensors
G100, G101 and G102
IG Fuse
H/L, HTR, IG, and Lamp Fuses
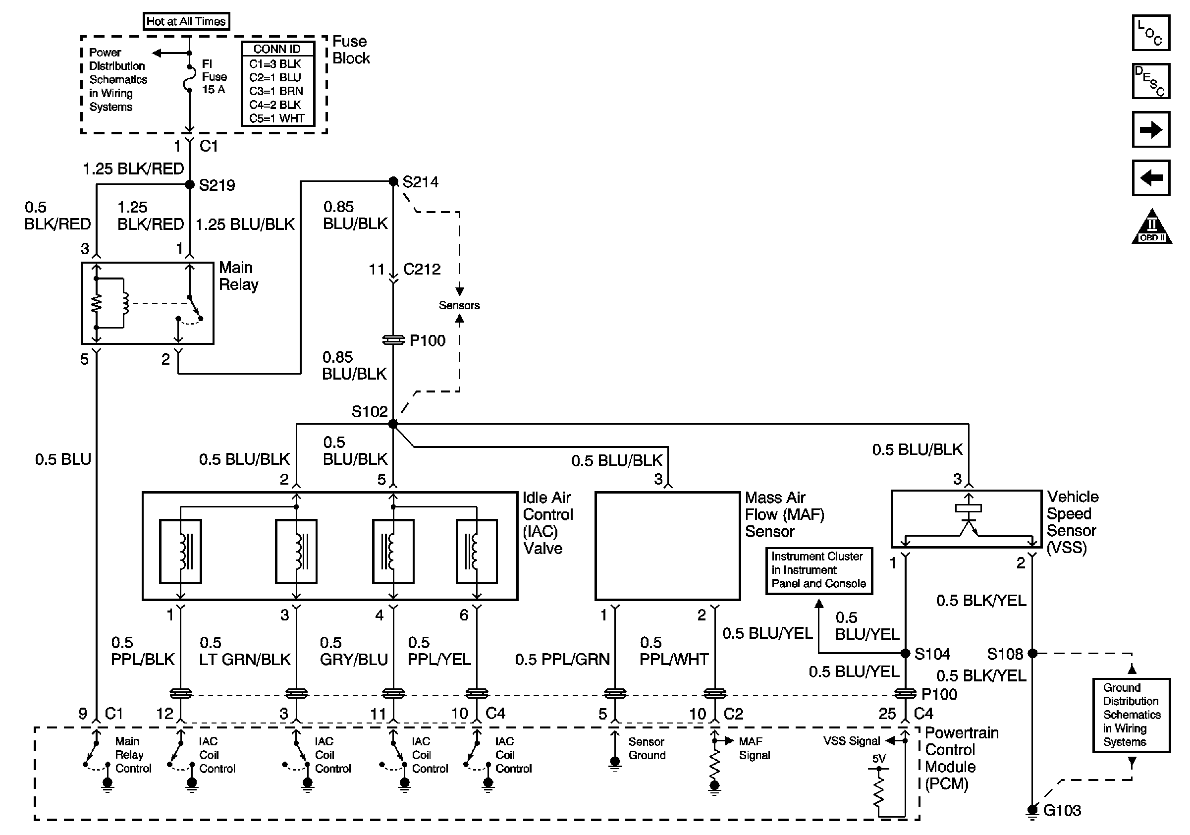
Figure 9:

Idle Air Control (IAC) Valve, Mass Air Flow (MAF) Sensor, Vehicle Speed Sensor (VSS)


Object Number: 673855  Size: FS
Master Electrical Component List
Exhaust Gas Recirculation (EGR) Valve and EVAP Solenoids
Heated Oxygen Sensors
OBD II Symbol Description Notice
G103
Cruise Control Servo, VSS
BATT, ABS, FI and ACC Fuses
Figure 10:

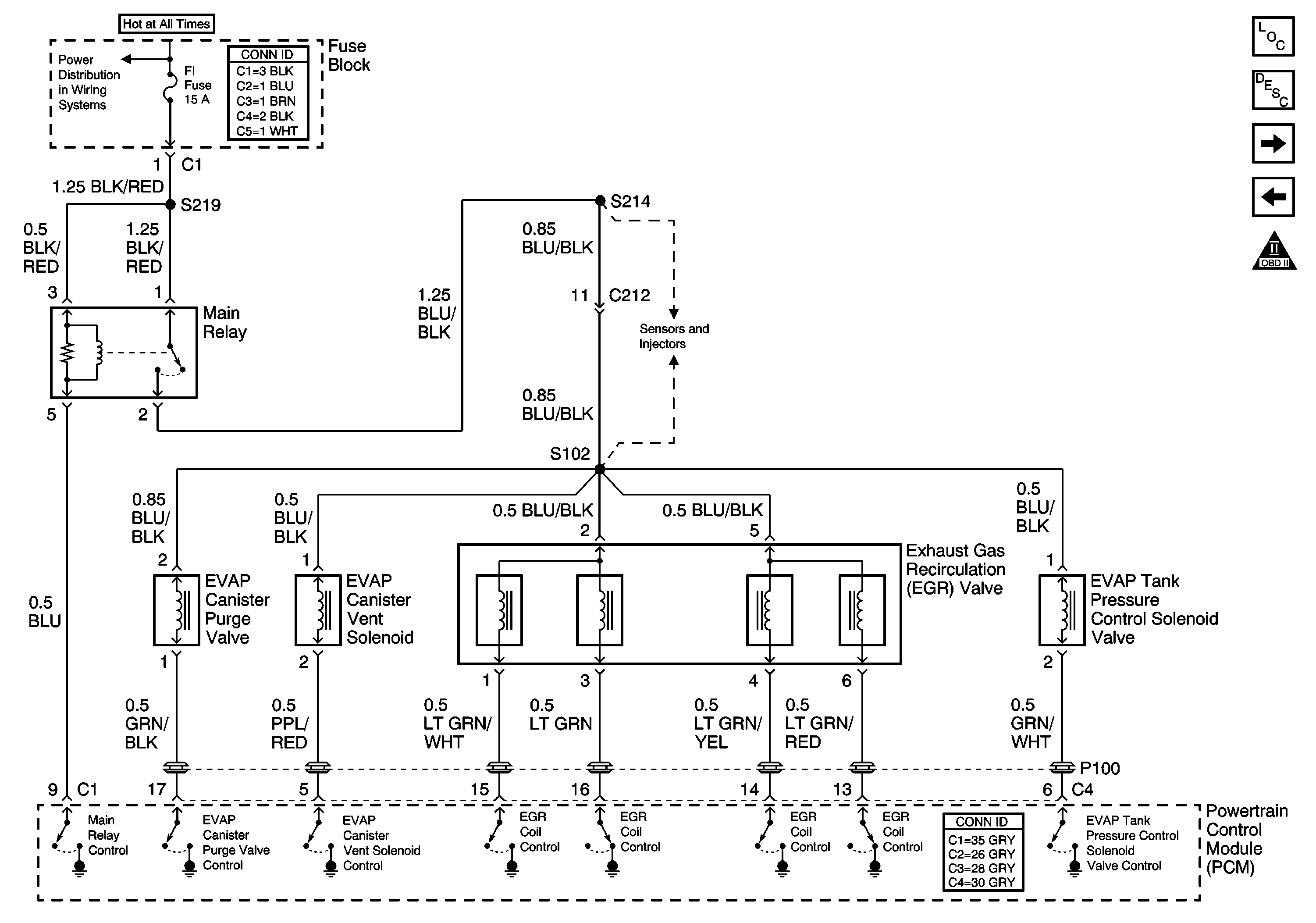
Exhaust Gas Recirculation (EGR) Valve and EVAP Solenoids


Object Number: 673865  Size: FS
Master Electrical Component List
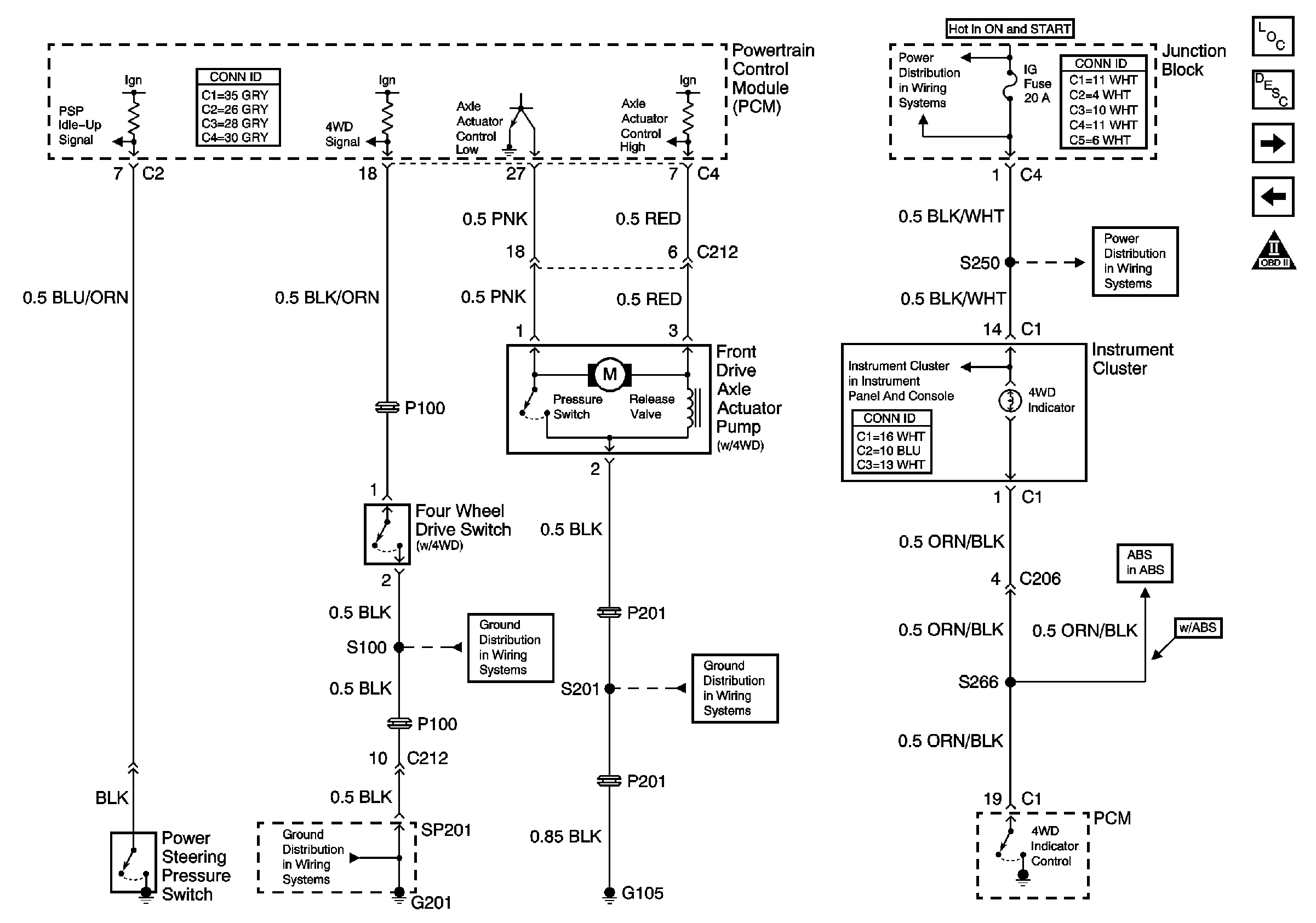
FRONT DRIVE AXLE ACTUATOR PUMP
Idle Air Control (IAC) Valve, Mass Air Flow (MAF) Sensor, Vehicle SPeED Sensor (VSS)
BATT, ABS, FI and ACC Fuses
Figure 11:

FRONT DRIVE AXLE ACTUATOR PUMP


Object Number: 673869  Size: FS
Master Electrical Component List
Powertrain Control Module (PCM) Idle-Up Inputs
Exhaust Gas Recirculation (EGR) Valve and EVAP Solenoids
IG, Turn and WIP Fuses
Instrument Cluster Indicators
H/L, HTR, IG, and Lamp Fuses
G105
G201
G201
Figure 12:

Powertrain Control Module (PCM) Idle-Up Inputs


Object Number: 673874  Size: FS
Master Electrical Component List
FRONT DRIVE AXLE ACTUATOR PUMP
Blower Control w/ A/C
Side Marker Lamps, Light Switch
Side Marker Lamps, Light Switch