GM Service Manual Online
For 1990-2009 cars only
Makes
🢒
Chevrolet
🢒
2001
🢒
Tracker - 2WD
🢒
Engine
🢒
Engine Controls - 1.6L
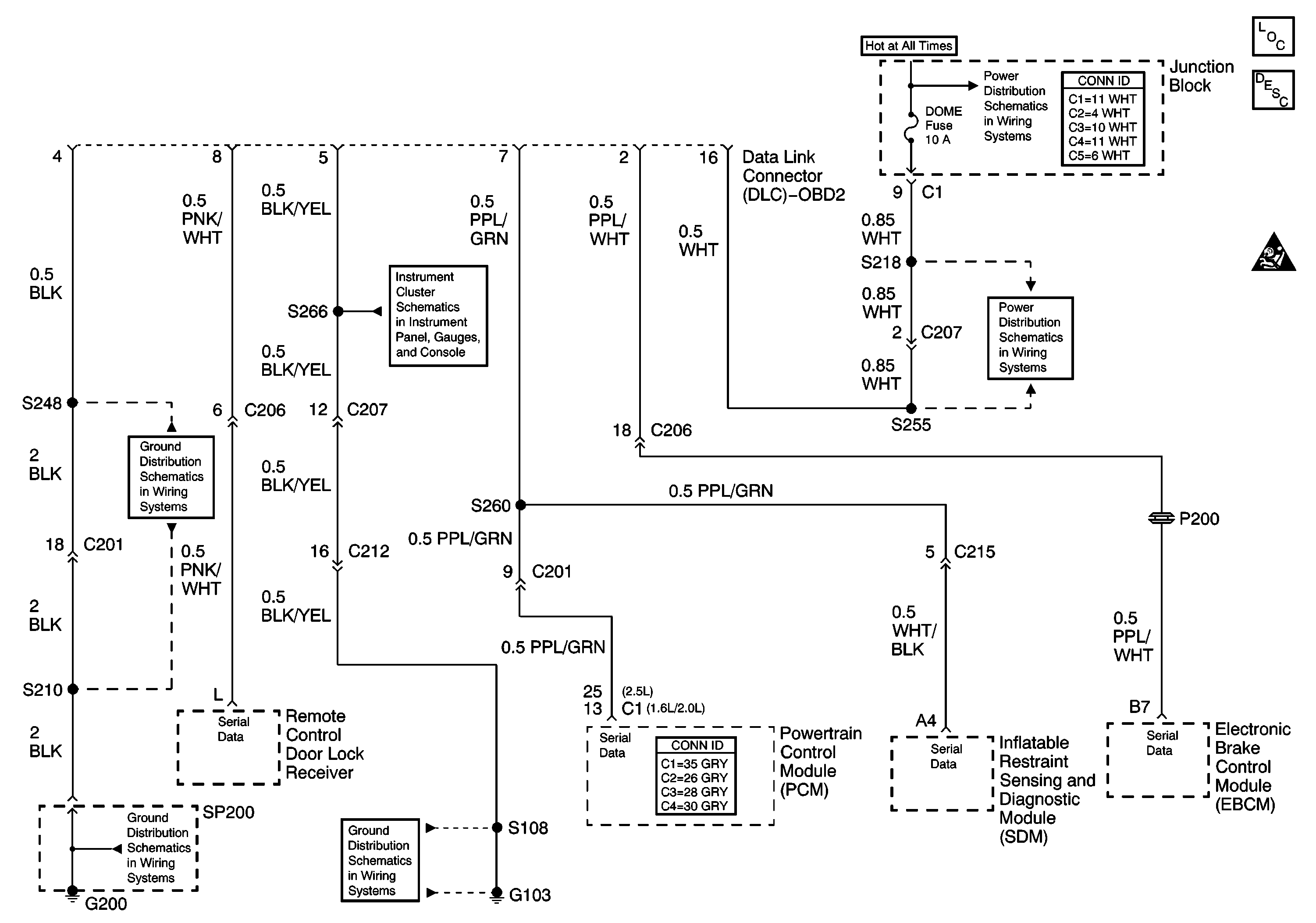
🢒 Data Link Connector Schematics
Master Electrical Component List
Data Link Communications Description and Operation
HAZ, D/L, TAIL, Stop and Dome Fuses
HAZ, D/L, TAIL, Stop and Dome Fuses
G200 (1 of 2)
G200 (1 of 2)