GM Service Manual Online
For 1990-2009 cars only

Circuit Description

The ignition system of the 2.0L engine uses a coil-on-plug design. The powertrain control module (PCM) controls the 4 individual coils with reference pulses from the camshaft position (CMP) sensor and other information sensor inputs. Battery voltage is applied to the ignition coils when the ignition switch is turned to the ON or START positions. The ignition control module circuitry within the coil assemblies toggles the primary windings of the ignition coil in order to induce a high voltage in the secondary windings of the ignition coil. The high voltage induced in the secondary windings of the ignition coils is applied through the coil boots to the spark plugs.

In order for the engine to start and run, the correct amount of good quality fuel must be properly delivered to each cylinder. The timing of the valve train operation in relation to piston position is also critical, as is mechanical compression of the air/fuel mixture.

Diagnostic Aids

Check for any of the following conditions:

    • Insufficient fuel can cause a no start condition. Thoroughly inspect the fuel delivery system for sufficient fuel volume to the fuel injectors. Inspect the fuel supply components for partial blockage or restrictions.
    • There may be fuel spray at the fuel injectors and the indicated fuel pressure may be correct, yet there may not be enough fuel to start the engine. If the fuel injectors and the injector circuit are OK, and fuel spray is detected, the fuel injector ON time may be inadequate. If the PCM receives incorrect inputs from the various information sensors, the fuel delivered by the fuel injectors may be inadequate to start the engine. Check all the engine data parameters with a scan tool and compare the values indicated with the expected values or the values from a known good vehicle.
    • Check the battery condition and the engine cranking speed. The engine will not start and improper diagnosis may occur if the starting system is not operating to necessary levels. Refer to Engine Cranks Slowly in Engine Electrical.
    • Water or foreign material can cause a no start during freezing weather. The engine may start after sitting in a heated garage. The malfunction may not recur until the vehicle is parked overnight in freezing temperatures.
    • The PCM relies on the CMP sensor for engine reference. Without continuous accurate reference signals, there is no reliable spark or fuel injector pulse. The scan tool engine speed display should be about 200 RPM while cranking. If erratic values, such as sudden spikes in engine speed are displayed, the engine reference signal may not be stable enough for the engine to start and run properly. Inspect the CMP sensor signal circuit for electromagnetic interference (EMI) or poor electrical connections.
    • A vehicle that starts and runs after being brought to the shop for an engine cranks but will not run complaint, may have an ignition system that is susceptible to moisture. Spray water on the ignition system components and wiring in order to check for an engine miss or stall.
    • A vehicle that starts and runs only when holding the accelerator pedal down slightly, may have a fault in the IAC system. Turn OFF the ignition and disconnect the idle air control (IAC) valve. If the engine will now start and stay running, refer to Idle Air Control (IAC) System Diagnosis .
    • Check for a malfunctioning main relay. Intermittent main relay operation can cause no MIL and an engine that cranks but will not run. Refer to Ignition Relay Diagnosis .

An intermittent malfunction may be caused by a problem in the ignition system electrical circuit. Inspect the wiring harness and components for an intermittent condition. Refer to Intermittent Conditions .

Test Description

The numbers below refer to the step numbers in the diagnostic table.

  1. The Diagnostic System Check-Engine Controls prompts the technician to complete some basic checks and stores the freeze frame data on the scan tool if applicable. This creates an electronic copy of the data taken when the fault occurred. The information is then stored in the scan tool for later reference.

  2. The PCM relies on the CMP sensor for engine reference. Without engine reference signals there is no spark and no fuel injector pulse. A DTC P0340 sets after 3 seconds when cranking the engine if no CMP sensor signal is present.

  3. This step checks the throttle position (TP) sensor, the engine coolant temperature (ECT) sensor, and the manifold absolute pressure (MAP) sensor for a faulty signal. A faulty sensor input to the PCM may cause a fueling condition that results in a no start.

  4. This step checks for adequate secondary ignition voltage at the spark plugs.

  5. This step checks to see if the fuel system pressure is within specifications with the ignition On and the fuel pump running. The fuel pump may be operated with the scan tool Output Control feature when the fuel level is more than 20 percent.

  6. Fouled or contaminated spark plugs indicate that another malfunction exists. If the engine starts and runs after cleaning or replacing the spark plugs, inspect for the cause of the spark plug condition. Road testing the vehicle and inspecting vehicle performance with a scan tool can prevent a no start from reoccurring.

  7. Fuel injectors with partially blocked and restricted nozzles, or a malfunctioning solenoid, can cause a no start condition. The fuel injector inspections can locate faulty injectors.

  8. This step checks to see if the engine will start and run. The repair that may have led to this step may only have been a secondary cause of the no start condition, such as fouled spark plugs. The diagnostics in this table may need to be performed a second time in order to discover the root cause of the no start condition.

Step

Action

Value(s)

Yes

No

Schematic Reference:

Ignition Coils


Object Number: 673929  Size: FS
Master Electrical Component List
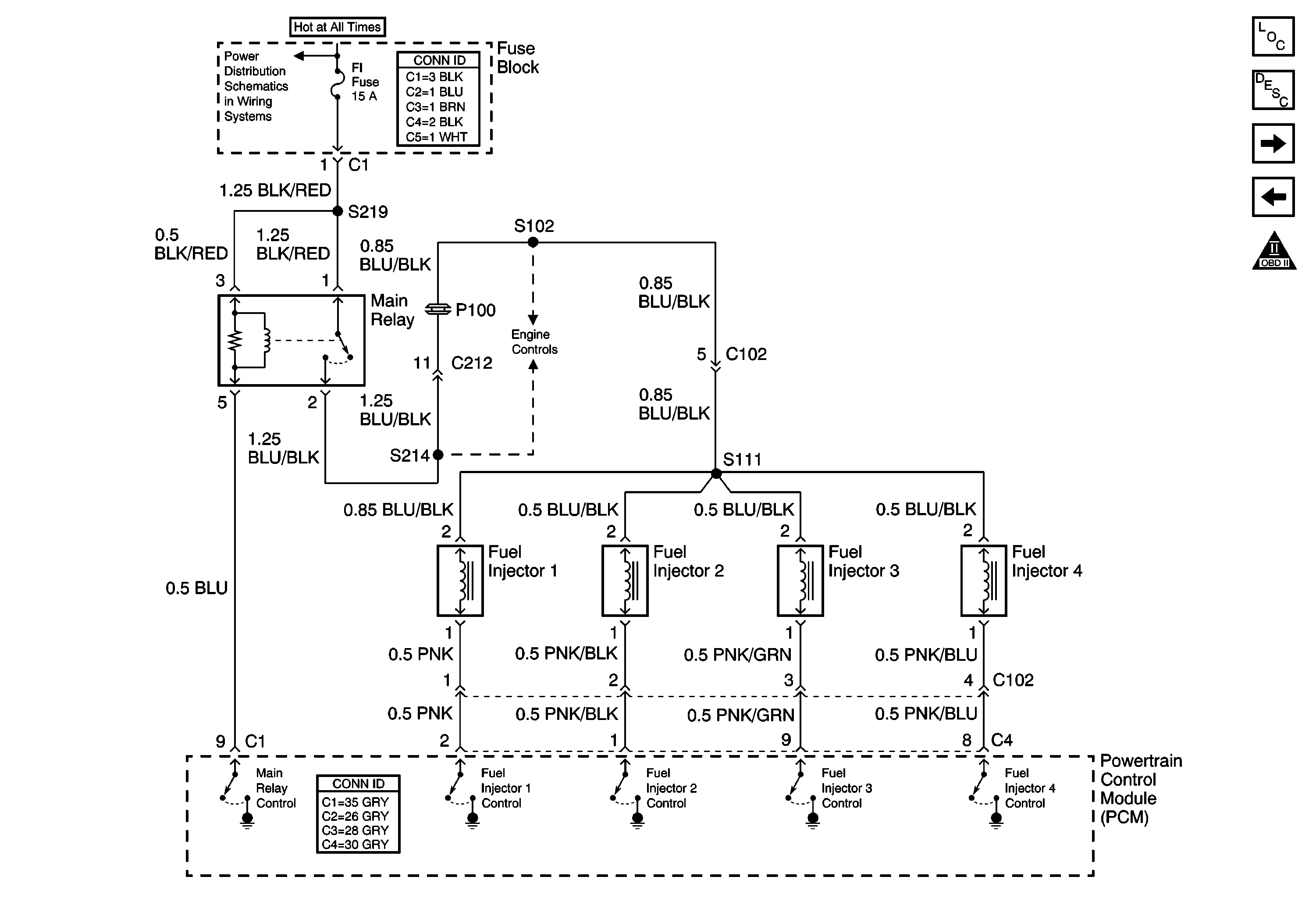
Fuel Injectors
Idle Air Control (IAC) Valve, Mass Air Flow (MAF) Sensor, Vehicle SPeED Sensor (VSS)
OBD II Symbol Description Notice
H/L, HTR, IG, and Lamp Fuses
NO TITLE ENTERTAINMENT
G103
and

Fuel Injectors


Object Number: 689909  Size: FS
Master Electrical Component List
Engine Data Sensors
Ignition Coils
OBD II Symbol Description Notice
BATT, ABS, FI and ACC Fuses

1

Did you perform the Diagnostic System Check-Engine Controls?

--

Go to Step 2

Go to Diagnostic System Check - Engine Controls

2

Check for DTCs with a scan tool.

Is a DTC P0340 set?

--

Go to DTC P0340

Go to Step 3

3

  1. Turn ON the ignition, leaving the engine OFF.
  2. Check the scan tool data parameters of the following sensors:
  3. • The engine coolant temperature (ECT) sensor
    • The throttle position (TP) sensor
    • The manifold absolute pressure (MAP) sensor
  4. Locate the cause of any sensor reading that is not within the expected values.
  5. Repair as necessary.

Was a repair necessary?

--

Go to Step 14

Go to Step 4

4

  1. Disconnect the C102 electrical connector of the fuel injector harness.
  2. Remove the #1 ignition coil.
  3. Install a J 26792 Spark Tester or an equivalent to the #1 spark plug boot.
  4. Check for spark while cranking the engine.
  5. Repeat Step 2 and Step 3 for the other ignition coils.

Does each ignition coil provide a crisp blue spark while cranking the engine?

--

Go to Step 5

Go to Electronic Ignition (EI) System Diagnosis

5

  1. Check the ignition coils and spark plug boot for the following conditions:
  2. • Any cracks
    • Any corrosion on the terminals
    • Any carbon tracking
    • Any water intrusion
  3. Replace or repair the faulty ignition coil or boot. Refer to Ignition Coil Replacement .

Was a repair necessary?

--

Go to Step 14

Go to Step 6

6

  1. Turn OFF the ignition.
  2. Install the J 34730-1A Fuel Pressure Gauge or an equivalent. Refer to Fuel Pressure Gage Installation and Removal .
  3. Important: In order to obtain the maximum fuel pressure it may be necessary to cycle the ignition ON and OFF more than once.

  4. Turn ON the ignition, leaving the engine OFF. The fuel pump should run for approximately 2 seconds.
  5. Observe the fuel pressure with the fuel pump running.

Is the fuel pressure within the specified range?

250-300 kPa (36-43 psi)

Go to Step 8

Go to Step 7

7

  1. Turn ON the ignition, leaving the engine OFF. The fuel pump should run for approximately 2 seconds.
  2. Observe the fuel pressure.

Is the fuel pressure more than the specified range?

0-7 kPa (0-1 psi)

Go to Fuel System Diagnosis

Go to Fuel Pump Electrical Circuit Diagnosis

8

  1. Collect a fuel sample.
  2. Inspect a fuel sample for the following concerns:
  3. • Alcohol or other contamination, refer to Alcohol/Contaminants-in-Fuel Diagnosis .
    • The fuel type and quality
  4. Replace the fuel as necessary. Refer to Fuel Tank Draining .

Was a fuel concern found and replaced?

--

Go to Step 14

Go to Step 9

9

  1. Inspect the spark plugs for correct operation and condition. Refer to Spark Plug Inspection .
  2. Clean or replace the spark plugs as necessary. Refer to Spark Plug Replacement .

Was a repair or replacement necessary?

--

Go to Step 14

Go to Step 10

10

  1. Turn OFF the ignition.
  2. Connect the C102 electrical connector of the fuel injector harness.
  3. Disconnect the individual electrical connector of each fuel injector.
  4. Install a J 34730-2B Fuel Injector Test Lamp, or equivalent, into each fuel injector harness connector.
  5. Observe the injector test lamp for each injector while cranking the engine.

Does the injector test lamp flash for each injector while cranking the engine?

--

Go to Step 11

Go to Fuel Injector Circuit Diagnosis

11

Check for faulty fuel injectors. Refer to Fuel Injector Solenoid Coil Test - Engine Coolant Temperature Between 10-35 Degrees C (50-95 Degrees F) and to Fuel Injector Balance Test with Special Tool .

Was a faulty fuel injector found and replaced?

--

Go to Step 14

Go to Step 12

12

  1. Inspect the exhaust system for blockage or a restriction. Refer to Restricted Exhaust in Engine Exhaust.
  2. Repair or replace the exhaust system as necessary.

Was a restriction in the exhaust system found and repaired?

--

Go to Step 14

Go to Step 13

13

  1. Check for any of the following engine mechanical conditions:
  2. • A worn or faulty camshaft
    • Any leaking or sticking valves
    • Any leaking or sticking piston rings
    • Any excessive valve deposits
    • Any sticking or faulty lifters
    • Any weak valve springs
    • An incorrect valve timing
    • A leaking head gasket
  3. Repair as necessary. Refer to Symptoms - Engine Mechanical in Engine Mechanical.

Was a faulty basic engine mechanical concern found and repaired?

--

Go to Step 14

Go to Diagnostic Aids

14

  1. Perform the scan tool Clear DTC Information function.
  2. Attempt to start the engine.

Does the engine start and continue to run?

--

Go to Step 15

Go to Step 2

15

  1. Operate the engine at idle until a normal operating temperature is reached.
  2. Check for DTCs with a scan tool.

Are any DTCs displayed?

--

Go to Diagnostic Trouble Code (DTC) List

Go to Step 16

16

With a scan tool, observe the stored information, Capture Info.

Does the scan tool display any DTCs that you have not diagnosed?

--

Go to Diagnostic Trouble Code (DTC) List

System OK