GM Service Manual Online
For 1990-2009 cars only
Makes
🢒
Chevrolet
🢒
2001
🢒
Tracker - 2WD
🢒
Transmission/Transaxle
🢒
Automatic Transmission - 4 Speed-M41
🢒 Automatic Transmission Controls Schematics
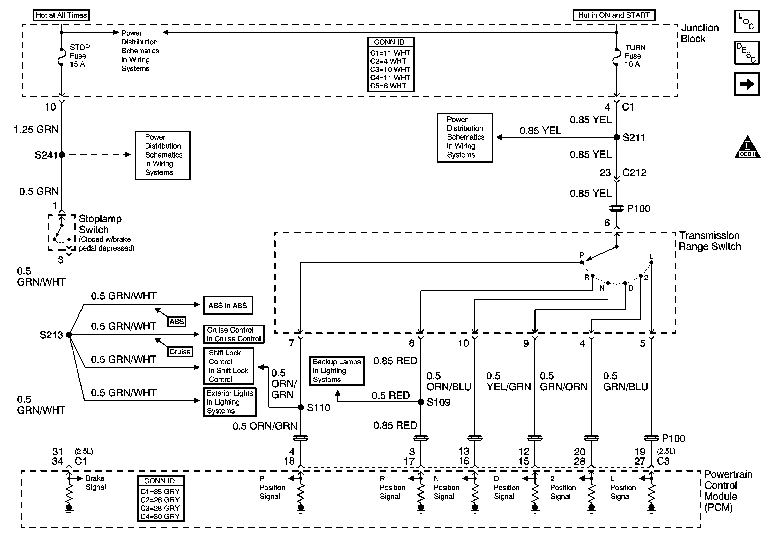
Figure
1:
Transmission Range Switch
Master Electrical Component List
Transmission General Information
Shift Solenoids and Speed Sensors
OBD II Symbol Description Notice
IG, Turn and WIP Fuses
HAZ, D/L, TAIL, Stop and Dome Fuses
HAZ, D/L, TAIL, Stop and Dome Fuses
Brake Fluid Level Indicator, Brake Indicator and Stoplamp Switch
G104, Stop Fuse, Stop Lamp Switch, and F1 Fuse
Shiftlock Control With Cruise Control
Center High Mount Stoplamp (CHMSL)
Transmission Range Switch, Backup Lamp Switch
Figure
2:
Shift Solenoids and Speed Sensors
Master Electrical Component List
Transmission General Information
Overdrive and Shift Program Switches
Transmission Range Switch
OBD II Symbol Description Notice
G201
G201
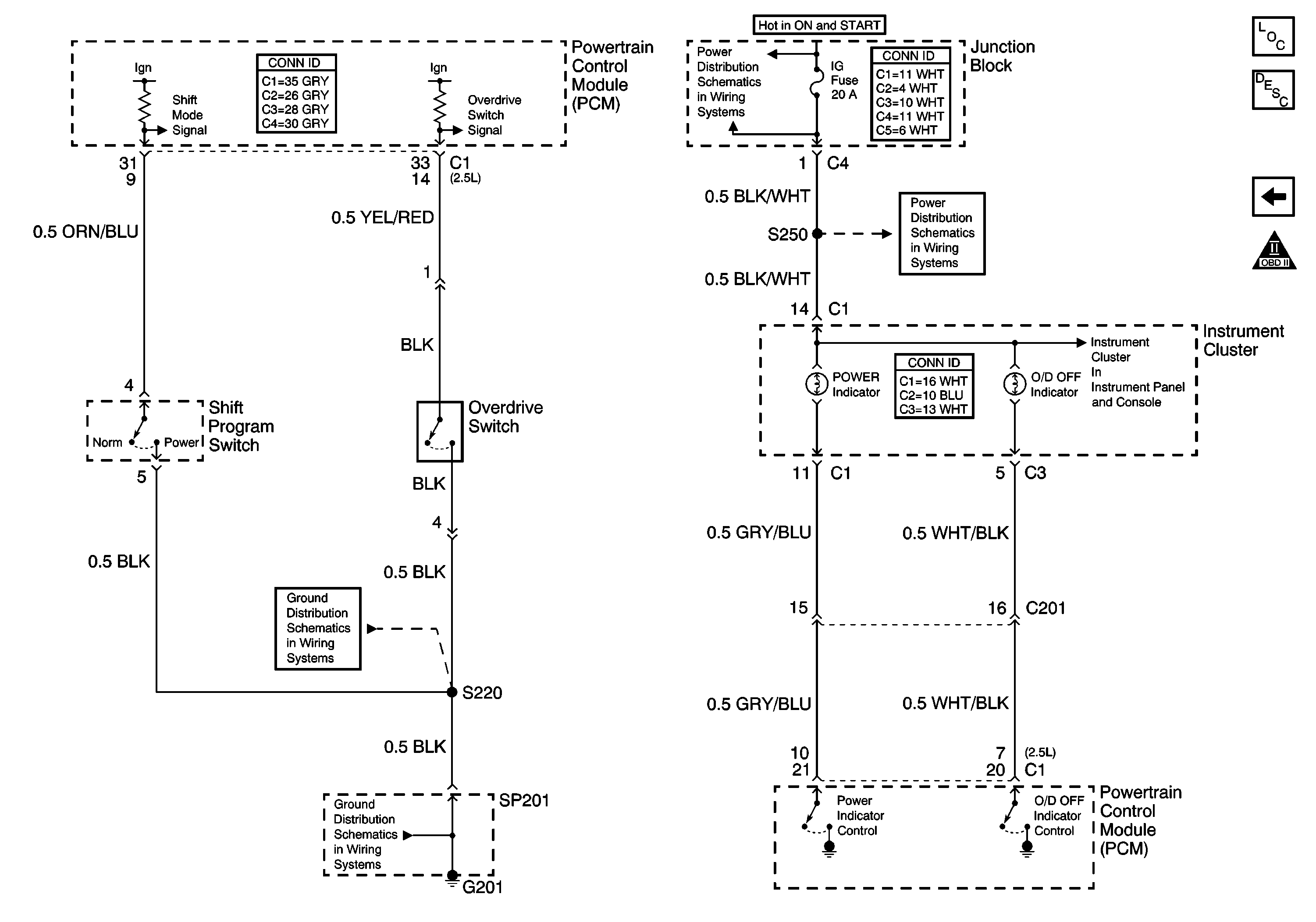
Figure
3:
Overdrive and Shift Program Switches
Master Electrical Component List
Transmission General Information
Shift Solenoids and Speed Sensors
OBD II Symbol Description Notice
Instrument Cluster Indicators
IG, Turn and WIP Fuses
IG Fuse
G201
G201