GM Service Manual Online
For 1990-2009 cars only
Makes
🢒
Chevrolet
🢒
2001
🢒
Tracker - 2WD
🢒
Body and Accessories
🢒
Lighting Systems
🢒 Headlights/Daytime Running Lights (DRL) Schematics
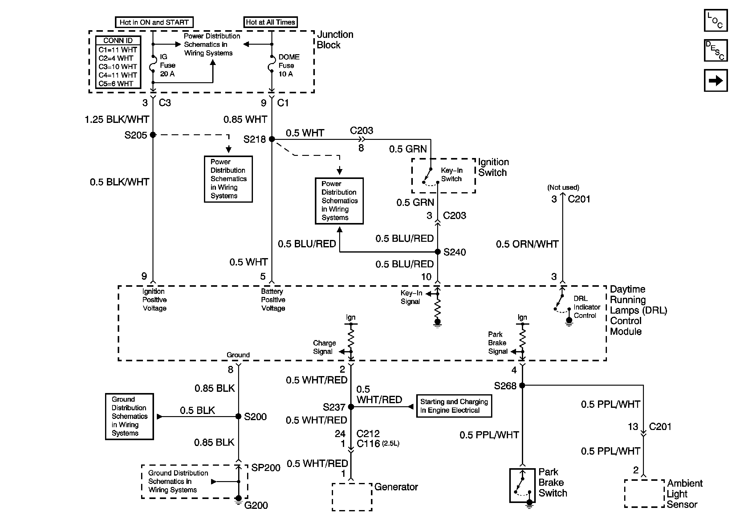
Figure
1:
Park Brake Switch (DRL)
Master Electrical Component List
Exterior Lighting Systems Description and Operation
Headlamps, (DRL) Diode
CHARGING SYSTEM
HAZ, D/L, TAIL, Stop and Dome Fuses
IG Fuse
G200 (1 of 2)
G200 (1 of 2)
H/L, HTR, IG, and Lamp Fuses
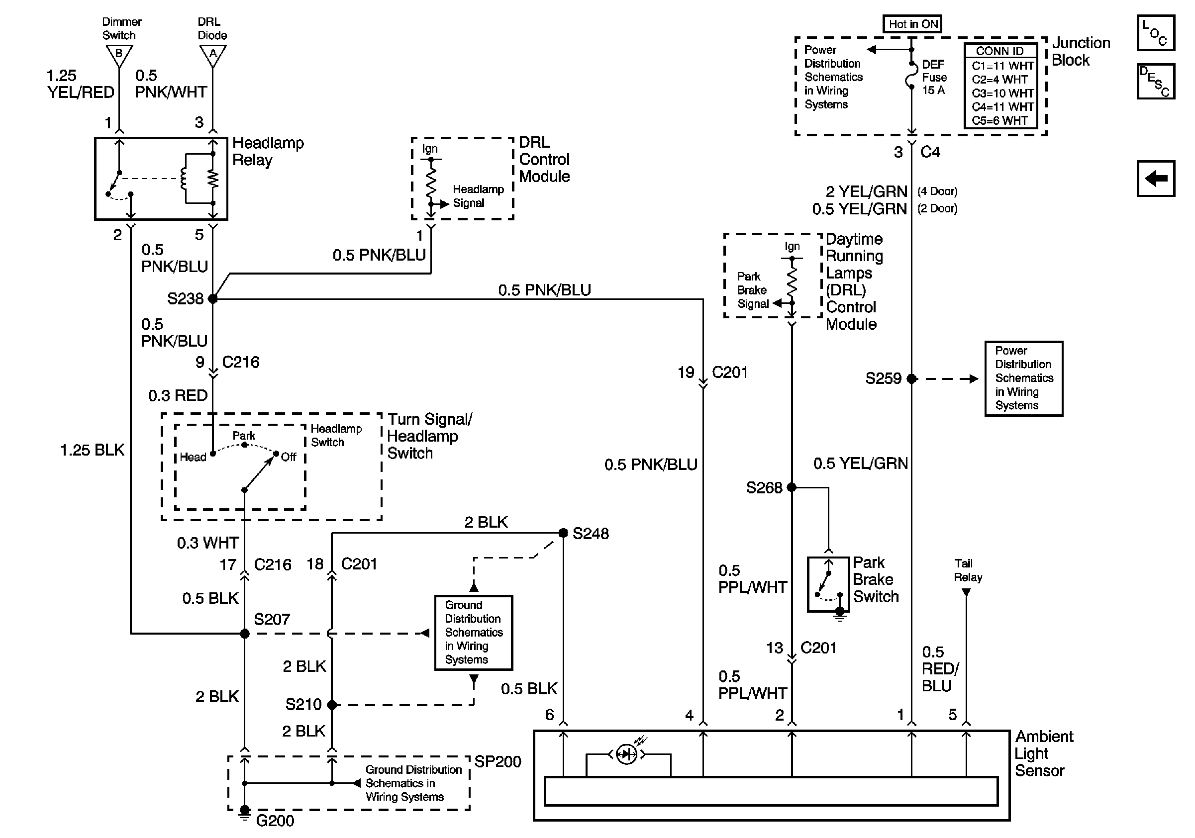
Figure
2:
Headlamps, (DRL) Diode
Master Electrical Component List
Exterior Lighting Systems Description and Operation
Headlamp Relay, Ambient Light Sensor
Park Brake Switch (DRL)
G200 (1 of 2)
G200 (1 of 2)
H/L, HTR, IG, and Lamp Fuses
Headlamp Relay, Ambient Light Sensor
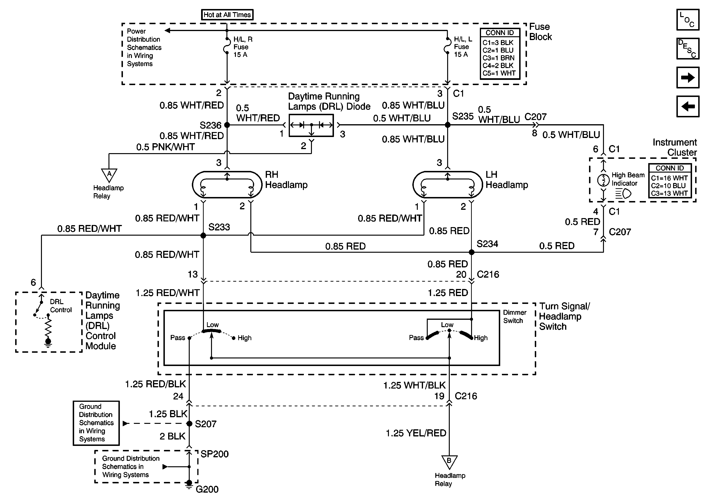
Figure
3:
Headlamp Relay, Ambient Light Sensor
Master Electrical Component List
Exterior Lighting Systems Description and Operation
Headlamps, (DRL) Diode
CIG, DEF and P/W Fuses
CIG, DEF and P/W Fuses
SP259
SP259
Headlamps, (DRL) Diode
Headlamps, (DRL) Diode