GM Service Manual Online
For 1990-2009 cars only
Makes
🢒
Chevrolet
🢒
2001
🢒
Tracker - 2WD
🢒
Body and Accessories
🢒
Lighting Systems
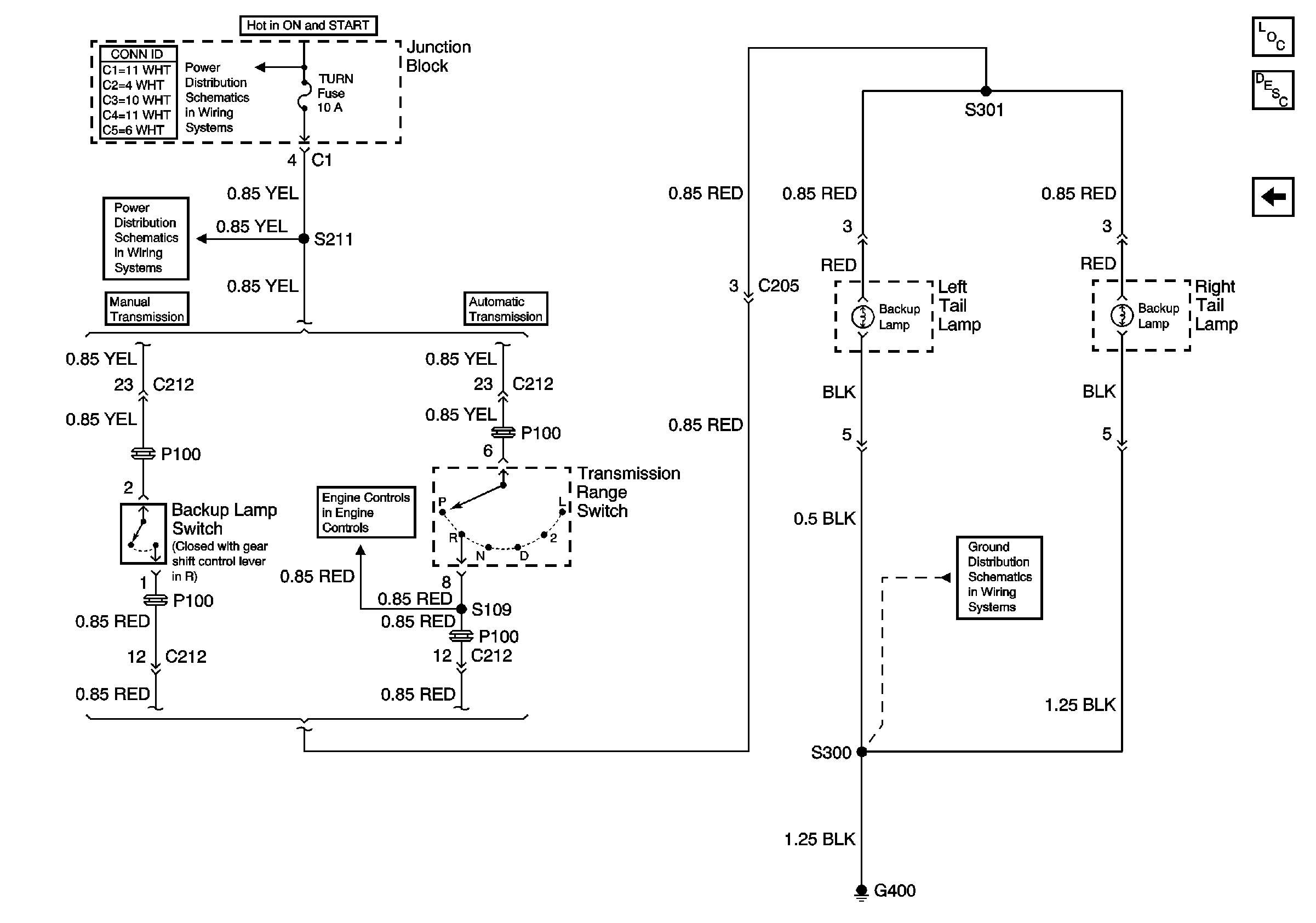
🢒 Backup Lamp Schematics
Transmission Range Switch, Backup Lamp Switch
Master Electrical Component List
Exterior Lighting Systems Description and Operation
G400 and G401
Main Relay, Powertrain Control Module (PCM) Power and Ground
IG, Turn and WIP Fuses
IG, Turn and WIP Fuses