GM Service Manual Online
For 1990-2009 cars only
Makes
🢒
Chevrolet
🢒
2001
🢒
Tracker - 2WD
🢒
Body and Accessories
🢒
Keyless Entry
🢒 Keyless Entry Schematics
Figure
1:
Lock and Unlock Relays
Master Electrical Component List
Keyless Entry System Description and Operation
Door Lock Motors, Door Lock Switches, Key Lock Cylinder Switches
HAZ, D/L, TAIL, Stop and Dome Fuses
G201
G201
Door Lock Motors, Door Lock Switches, Key Lock Cylinder Switches
Door Lock Motors, Door Lock Switches, Key Lock Cylinder Switches
Key Lock Cylinder Switches and Door Lock Switches
Key Lock Cylinder Switches and Door Lock Switches
Key Lock Cylinder Switches and Door Lock Switches
Figure
2:
Door Lock Motors
Master Electrical Component List
Keyless Entry System Description and Operation
Key Lock Cylinder Switches and Door Lock Switches
Lock and Unlock Relays, Remote Control Door Lock Receiver
Lock and Unlock Relays, Remote Control Door Lock Receiver
Lock and Unlock Relays, Remote Control Door Lock Receiver
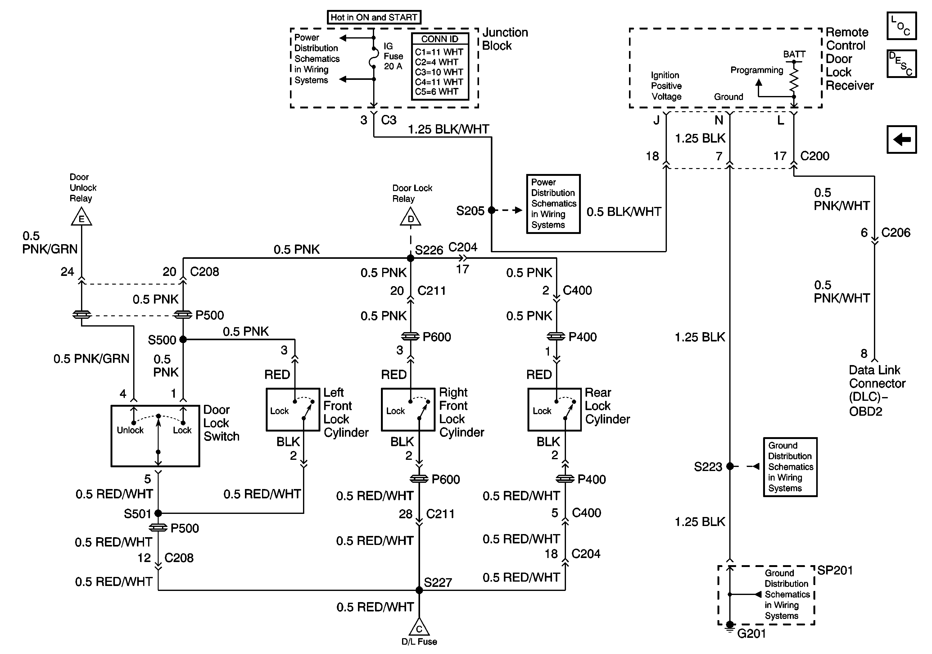
Figure
3:
Key Lock Cylinder Switches and Door Lock Switches
Master Electrical Component List
Keyless Entry System Description and Operation
Door Lock Motors, Door Lock Switches, Key Lock Cylinder Switches
G201
G201
IG Fuse
H/L, HTR, IG, and Lamp Fuses
Lock and Unlock Relays, Remote Control Door Lock Receiver
Lock and Unlock Relays, Remote Control Door Lock Receiver
Lock and Unlock Relays, Remote Control Door Lock Receiver