GM Service Manual Online
For 1990-2009 cars only

    Object Number: 468062  Size: SH
  1. Install the new intake manifold gasket to the cylinder head.
  2. Notice: Use the correct fastener in the correct location. Replacement fasteners must be the correct part number for that application. Fasteners requiring replacement or fasteners requiring the use of thread locking compound or sealant are identified in the service procedure. Do not use paints, lubricants, or corrosion inhibitors on fasteners or fastener joint surfaces unless specified. These coatings affect fastener torque and joint clamping force and may damage the fastener. Use the correct tightening sequence and specifications when installing fasteners in order to avoid damage to parts and systems.

  3. Install the intake manifold with the throttle body to the cylinder head. Secure the intake manifold with the 9 nuts and the 4 bolts.
  4. Tighten
    Tighten the nuts and bolts to 25 N·m (19 lb ft).

  5. Install the intake manifold front support bracket (8).
  6. Install the intake manifold top support bracket (5).

  7. Object Number: 467907  Size: SH
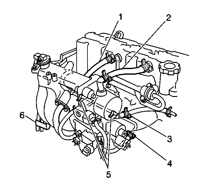
  8. Install the coolant line to the underside of the intake manifold. Secure with the 2 bolts (5).
  9. Connect the coolant hoses (3,4) to the throttle body and intake manifold.
  10. Connect the PCV hose (1) to the intake manifold.
  11. Connect the breather hose (2) to the intake manifold.
  12. Install the fuel line bracket (6) to the intake manifold. Secure with 1 bolt.
  13. Connect the fuel pressure regulator vacuum hose to the intake manifold.
  14. Install the fuel lines to the fuel rail. Secure with the 2 bolts.
  15. Install the washer and the banjo fitting to the rear end of the fuel rail.