GM Service Manual Online
For 1990-2009 cars only
Makes
🢒
Chevrolet
🢒
2001
🢒
Tracker - 2WD
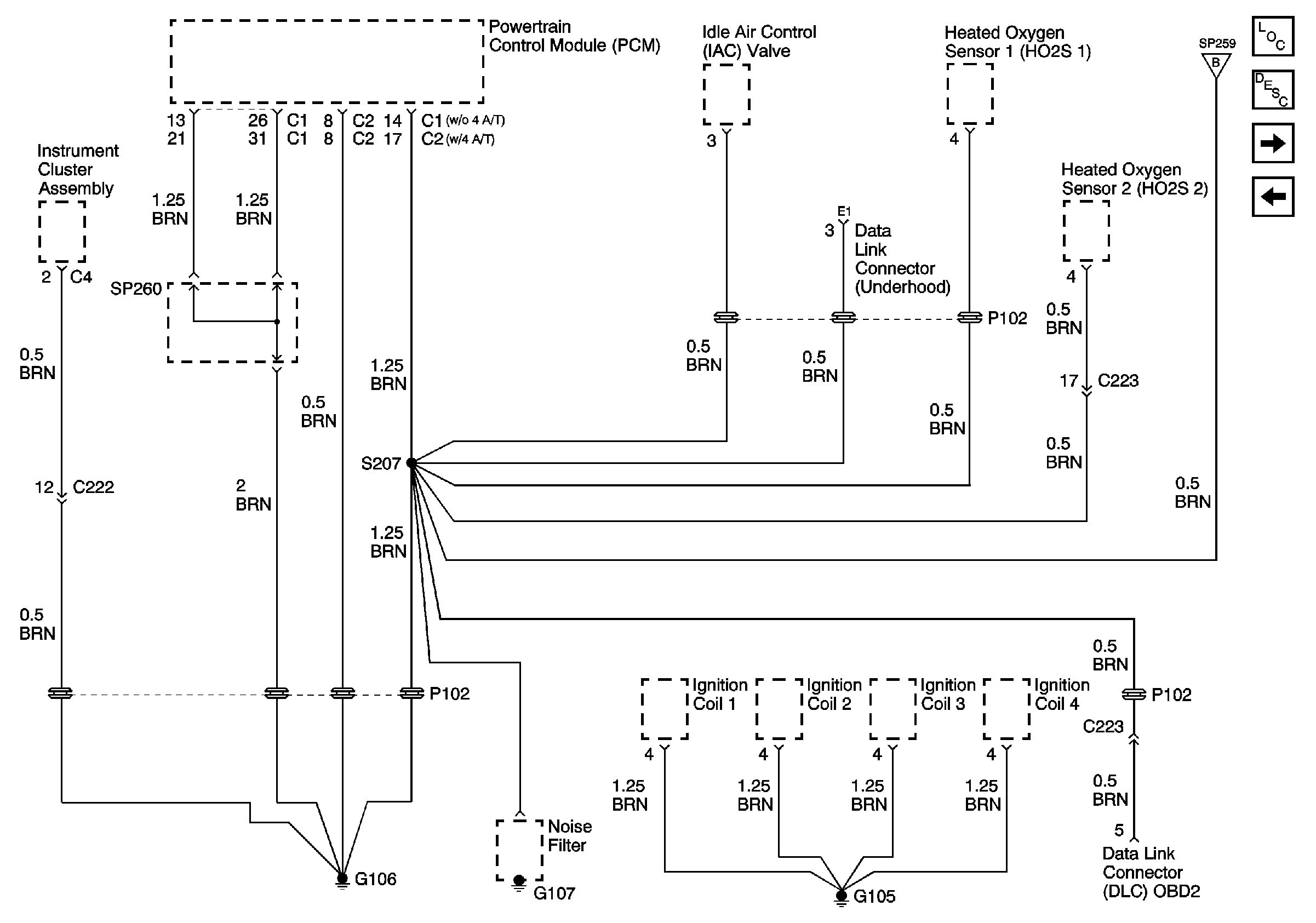
🢒 G105, G106 and S207
G105, G106 and S207
G105, G106 and S207
Master Electrical Component List
SP259
SP 254 and SP261
SP259