GM Service Manual Online
For 1990-2009 cars only
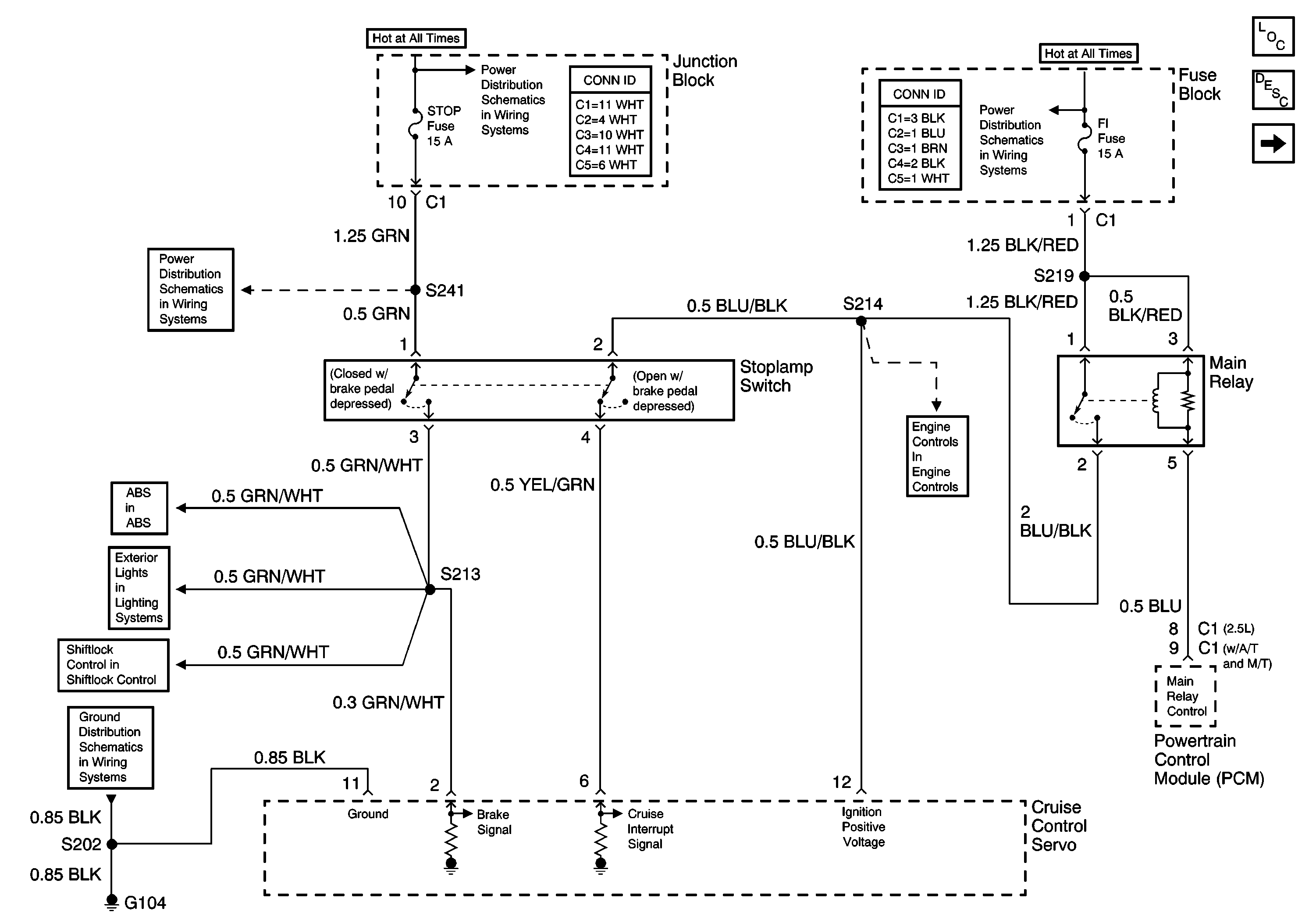
Figure 1:

G104, Stop Fuse, Stop Lamp Switch, and F1 Fuse


Object Number: 674571  Size: FS
Master Electrical Component List
Cruise Control Description and Operation
Cruise Control Servo, Transmission Range Switch, Cruise Control Release Switch
BATT, ABS, FI and ACC Fuses
Idle Air Control (IAC) Valve, Mass Air Flow (MAF) Sensor, Vehicle SPeED Sensor (VSS)
HAZ, D/L, TAIL, Stop and Dome Fuses
HAZ, D/L, TAIL, Stop and Dome Fuses
Brake Fluid Level Indicator, Brake Indicator and Stoplamp Switch
Center High Mount Stoplamp (CHMSL)
Shiftlock Control With Cruise Control
G104
Figure 2:

Cruise Control Release Switch and Transmission Range Switch


Object Number: 674581  Size: FS
Master Electrical Component List
Cruise Control Description and Operation
Cruise Control Indicator, Cruise Control Servo, Cruise Control Main Switch, Cruise Control Mode Switch
Stop Lamp Switch, Cruise Control Servo
G200 (1 of 2)
G200 (1 of 2)
CPP Switch, (TR) Switch
Figure 3:

Cruise Indicator, Cruise Control Mode Switch, and Main Cruise Control Switch


Object Number: 674591  Size: FS
Master Electrical Component List
Cruise Control Description and Operation
Cruise Control Servo, Powertrain Control Module (PCM), Vehicle Speed Sensor (VSS)
Cruise Control Servo, Transmission Range Switch, Cruise Control Release Switch
Instrument Panel Lamp Dimmer Control
Instrument Panel Lamp Dimmer Control
Power, O/D OFF, 4WD, MIL, CRUISE, Charge Indicators
TURN, WIP Fuses
H/L, L, H/L, R, HTR, IG, LAMP Fuses
Figure 4:

O/D Cut Circuit and Vehicle Speed Sensor (VSS)


Object Number: 674599  Size: FS
Master Electrical Component List
Cruise Control Description and Operation
Cruise Control Indicator, Cruise Control Servo, Cruise Control Main Switch, Cruise Control Mode Switch
G103
Cruise Control Servo, Hehicle Speed Sensor
Idle Air Control (IAC) Valve, Mass Air Flow (MAF) Sensor, Vehicle Speed Sensor (VSS)
BATT, ABS, F1, and ACC Fuses